搜索

x

留言板

姓名
邮箱
手机号码
标题
留言内容
验证码

downloadPDF
引用本文:
Citation:

    吴泽, 范洪义

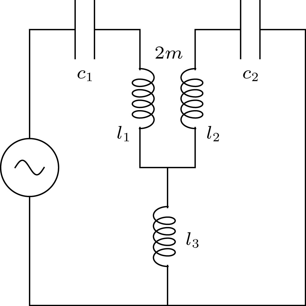
    The invariant eigen-operator method in matrix form and the eigenfrequency of several mesoscopic circuits

    Wu Ze, Fan Hong-Yi
    PDF
    HTML
    导出引用
    计量
    • 文章访问数:6723
    • PDF下载量:65
    • 被引次数:0
    出版历程
    • 收稿日期:2019-05-03
    • 修回日期:2019-08-30
    • 上网日期:2019-11-01
    • 刊出日期:2019-11-20

      返回文章
      返回