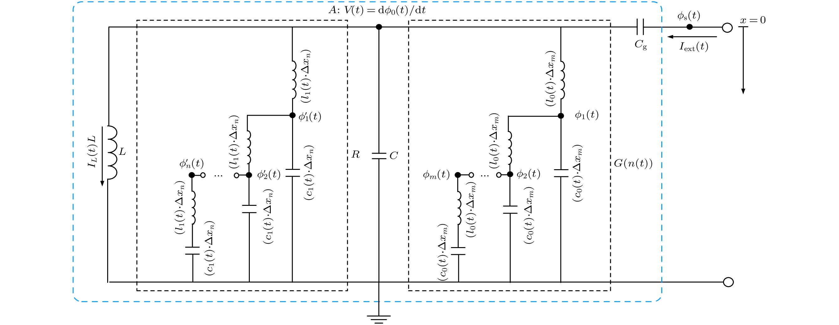
The size of neuron is on a mesoscopic scale. In this paper, considering the inductance characteristics of the neuron, the classical circuit model and mesoscopic circuit model of neuron including neuron membrane inductance, membrane capacitance, potassium ion memristor and chloride ion resistance are established. Based on the classical circuit theory and the quantum theory of mesoscopic circuit, the expression of neuron membrane voltage response under external impulse excitation is derived. Substituting the electrophysiological parameters of the squid neuron into the expression of membrane voltage, we find that the membrane voltages in both models first increase and then decrease, and finally reach their corresponding resting states of zero value, and their energy values are concentrated mainly in a range of 0–30 Hz in which the brainwave frequency is. Further comparisons show that the peak value of membrane voltage and the time required to reach the peak value (peak time) in the mesoscopic circuit model are lower than those in the classical circuit model, and are closer to the experimental results after the squid axon has been stimulated, indicating that the mesoscopic circuit model can better reflect the physiological characteristics of the stimulated neurons. Based on the mesoscopic circuit model, the peak value of membrane voltage increases and the peak time decreases with the increase of external excitation intensity. Parameters such as membrane voltage peak and peak time are more sensitive to the neuron membrane capacitance. The mesoscopic circuit model of the neuron is of great significance in understanding the excitability of the stimulated neuron and also in promoting the development of quantum neural networks inspired by brain function.