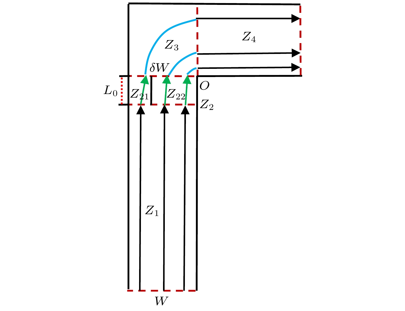
In our study, the unidirectional pedestrian flow in an L-shaped corridor is taken as the research object, and the pedestrian turning behavior is studied based on controllable experiments and micro simulations. First of all, three experimental scenarios, namely, no obstacles in the turning zone, diagonal layout of obstacles along the turning zone, and diagonal layout of obstacles in the vertical turning zone, are constructed. Behavioral characteristics such as pedestrian movement trajectory and velocity distribution are analyzed through controllable experiments of pedestrians. Then, a velocity correction model based on the Voronoi diagram is constructed, and the turning rules of pedestrians passing through a 90-degree L-shaped curve are embedded in the model. Finally, simulation research is conducted on the scene with both obstacles and asymmetric L-shaped corridors as well as the scene with neither of them to simulate and reproduce the turning behavior of pedestrians, and analyze the distributions of pedestrian velocities and individual densities at different stages. The research shows that when pedestrians move in a normal non-panic status, they rarely present disorderly behavior and always approach to the inside of the corner of the L-shaped corridor. In the turning area, pedestrians always follow their original moving mode to pass through the corner like a stable arc. And in the process of moving, pedestrians do not move in a straight line, but keep shaking back and forth for zipper effect. Besides, in the process of turning, the longer the distance from the center of the corner, the longer the distance of the pedestrian around the arc will be. And the L-shaped corridor can be divided into vertical straight area, transition area, turning area, and horizontal straight area. When pedestrians pass through the turning walking area, the “invisible bottleneck” phenomenon and the “curved triangle idle area” phenomenon can be observed. Besides, the streamline compression and multiple rows of pedestrian track clusters can be seen in the region. According to the characteristics of pedestrians walking through the L-shaped corridor, the turning rules of pedestrians are made, and the scene with both of obstacles and asymmetric L-shaped corridor as well as the scene with neither of them is simulated. Then, through the pedestrian simulation by using our model, the turning behavior of pedestrians passing through curve like a smooth arc can be effectively reproduced. Moreover, the “invisible bottleneck” phenomenon and the “curved triangle idle area” phenomenon in the turning walking area can be seen in the simulation. At the same time, when the pedestrian flow passes through the four areas of the L-shaped corridor successively, the velocity distribution is consistent with the experimental data of the pedestrian, showing an increasing-decreasing-increasing “wavy” change characteristic. The simulation model is also used to simulate the local density change of pedestrians due to the turning behavior, which verifies the unity of pedestrian velocity and local density change. The cognition of invisible bottleneck is helpful in rationally utilizing and designing the L-shaped corridor turning area.