Experiments are carried out on the
Φ2 m Shock Tunnel (FD-14A) at the China Aerodynamics Research and Development Center to study the effect of the transverse groove with/without discharge hole on the hypersonic blunt flat-plate boundary layer transition, and the preliminary computational and theoretical research are carried out. The inflow Mach number of the test is 6, the unit Reynolds number is 3.3 × 10
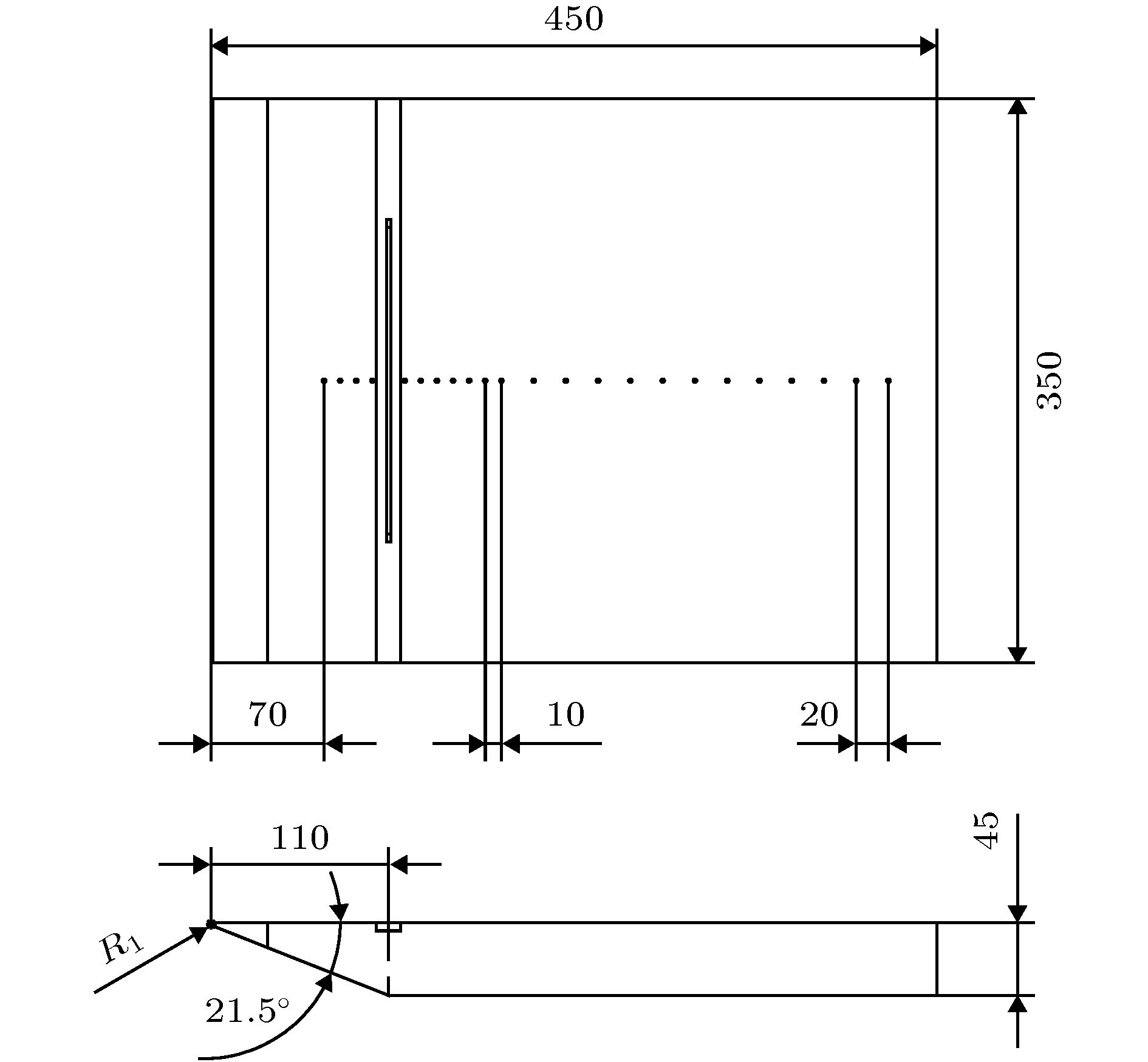
7/m, the leading edge radius of the flat-plate is 1 mm, and the angle of attack is –4°. Three different sets of two-dimensional transverse grooves are arranged at 110 mm away from the leading edge of the flat-plate. The width and depth of the grooves are, respectively, 2.5 mm and 1 mm for groove 1, 3.75 mm and 1.5 mm for groove 2, and 5 mm and 2 mm for groove 3, at the same time, both ends of the groove 1 can open the discharge hole (the discharge hole has a size of 2.5 mm × 5.0 mm and a width the same as that of groove 1). The discharge hole is denoted as the groove 4, and the smooth flat-plate when the groove is not included is denoted as groove 5 or the flat. The
Φ2-mm-diameter cylindrical heat flux sensor is used to measure the heat flux distributions of the center line of the flat-plate under different conditions, and thus we can judge the transition of the boundary layer. The measurement results show that the smooth plate starts to transit at
x≈ 340 mm, and the transition is nearly completed at
x≈ 425 mm. The groove causes the transition position of the boundary layer of the plate to advance, and as the width and depth of the groove increase, the promoting effect on the transition is enhanced, and the transition position moves upstream. After the groove 1 is added to the discharge hole (groove 4), the heat flux distribution and the transition position are substantially the same as those of the smooth plate. After the boundary layer flow completely transits into turbulent flow, the difference in heat flux for each case is small, which indicates that the grooves of different specifications affect only the heat flux distribution in the transition process, but have little effect on the heat flux of the turbulent wall after the transition. The computational fluid dynamic results show that the discharge holes cause passive suction, and the test results show that the suction effect of the discharge holes at both ends of the groove counteracts the effect of the groove on the transition of the center line boundary layer, but it may be just a coincidence, and further research is needed. The linear stability theory (LST) and the optimal perturbation method are used to analyze the flow instability mechanism of the smooth blunt plate. The LST results show that there is no first mode instability nor second mode instability in the blunt plate flow. The modal instability mechanism cannot explain the observed transition in the test. The optimal disturbance calculation shows that the blunt plate flow suffers strong non-modal instability, which can qualitatively explain the observed transition phenomenon.