物理学交叉学科及有关科学技术领域
2019, 68 (16): 168504.
doi:10.7498/aps.68.20191262
摘要 +
忆阻器具有高密度、低功耗和阻值能够连续可调的特性, 被认为是模拟神经突触最具潜力的候选者. 而金属氧化物, 因其氧离子可迁移, 组分易于调控, 与传统CMOS兼容等优点, 是发展高性能忆阻器件的理想材料. 本文首先介绍了氧化物基忆阻器件阻变行为及其运行机制, 包括数字型和模拟型忆阻器. 主要综述了基于模拟型忆阻器实现的突触器件认知功能模拟, 包括非线性传输特性、时域突触可塑性、经验式学习和联合式学习等. 然后进一步介绍了忆阻型突触器件在模式识别、声音定位、柔性可穿戴和光电神经突触方面的潜在应用. 最后总结展望氧化物基忆阻神经突触在相关领域的可能发展方向.
2019, 68 (16): 168101.
doi:10.7498/aps.68.20190422
摘要 +
制备了单个颗粒(domain)组成的纳米金刚石薄膜, 薄膜中单个颗粒由尺寸超过100 nm的金刚石晶粒与非晶碳复合而成. 对薄膜进行氧化处理后, 其硅空位色心的光致发光强度增强了22.7倍. 扫描电镜及拉曼光谱测试结果表明, 不同时间氧化后的样品中存在由尺寸超过100 nm的晶粒组成的花瓣状金刚石聚集体, 这些金刚石在较长氧化时间下仍能保持稳定. 氧化后的薄膜内非晶碳大大减少, 金刚石含量增大, 纳米金刚石晶粒充分暴露引起了薄膜发光强度大幅增强, 其发光半峰宽为5.6—6.0 nm. 继续增加氧化时间, 薄膜的光致发光会因为部分细小纳米金刚石晶粒的损失而略微降低, 但是稳定的大尺寸金刚石晶粒的存在使得薄膜的发光强度依然维持在氧化前的8.3倍以上.
2019, 68 (16): 168501.
doi:10.7498/aps.68.20190405
摘要 +
静态随机存储器作为现代数字电路系统中常见且重要的高速存储模块, 对于提升电子系统性能具有重要作用. 到目前为止, 关于静态随机存储器单元总剂量辐射效应的数据依然有待补充完善. 本文采用130 nm绝缘体上硅工艺, 设计制备了一种基于L型栅体接触场效应晶体管器件的6晶体管静态随机存储器单元. 该L型栅体接触器件遵循静态随机存储器单元中心对称的版图特点, 使得存储单元面积相比于采用同器件尺寸的T型栅体接触器件的静态随机存储器单元减小约22%. 文中对比研究了L型栅体接触器件与其他场效应晶体管之间的电学性能差异, 以及基于不同场效应晶体管静态随机存储器单元的漏电流和读状态下静态噪声容限随辐射总剂量增加的变化规律. 测试结果表明, L型栅体接触器件与T型栅体接触器件的器件性能接近, 但前者具有面积更小的优势; 同时基于L型栅体接触场效应晶体管的静态随机存储器单元的基本电学性能以及抗总剂量辐射效应均优于传统基于浮体场效应晶体管的静态随机存储器单元, 因而具有稳定可靠的实用价值.
2019, 68 (16): 168502.
doi:10.7498/aps.68.20190510
摘要 +
传统磁力显微镜(MFM)的磁畴扫描是利用激光束反射探测探针和样品之间的静磁力. 因此, 对于MFM, 直接探测样品在交流磁场作用下的动态磁力仍然是一个挑战. 交变力磁力显微镜(A-MFM)使用Co-GdOx超顺磁探针可以实现在交流磁场(频率ωm)作用下探测动态磁力. 采集ωm和2ωm信号能准确地表示出样品的静态磁场(外加交流磁场对样品磁化状态没有影响)和动态磁场(外加交流磁场改变了样品磁化状态)的区域. 通过修改传统的tapping-lift扫描模式为一次tapping多次lift的扫描模式, A-MFM实现了三维空间的磁场探测. 本文证明了样品的静态和动态磁场随探针和样品之间距离z的变化, 满足Hz(z) =Hz(0)·exp(–kz). A-MFM可以研究材料的动态磁化过程, 也可以评价材料的磁均匀性(微观结构均匀性).
2019, 68 (16): 168701.
doi:10.7498/aps.68.20190552
摘要 +
太赫兹时域光谱技术在安检、无损检测、生物医学等领域有广泛的应用, 而其在雷达目标特性领域的应用一直存在诸多争议. 针对目前太赫兹时域光谱雷达散射截面定量测量的难题, 本文基于太赫兹时域光谱技术搭建了太赫兹时域光谱目标散射测量系统, 利用该系统测量了金属球、金属圆盘、金属圆柱等典型定标体在0.2—1.6 THz频段内的极窄时域脉冲回波, 数据处理后得到了各定标体的雷达散射截面, 与理论数据对比验证了系统测量结果的精度. 在此基础上, 测量了太赫兹频段电大尺寸复杂目标的雷达散射截面, 并将表面积分方程法与多层快速多极子算法相结合对目标的雷达散射截面进行了数值计算, 测量值与理论值达到了较好的一致性. 研究结果为太赫兹时域光谱技术在太赫兹目标特性领域的应用奠定了基础.
专题:纪念黄昆先生诞辰百年
2019, 68 (16): 168503.
doi:10.7498/aps.68.20191044
摘要 +
在可见光范围内, 半导体发光二极管(LED)发展很不平衡, 黄光LED光效(光功率效率)长期远低于其他颜色光效. 本文基于GaN/Si体系, 从材料生长、芯片制造、器件物理和专用装备等方面进行了系统研究, 解决了外延膜龟裂、位错过多、量子阱应力过大、InGaN黄光阱材料相分离、空穴浓度不足、阱材料生长温度过低、衬底吸光、电极挡光等问题, 率先实现了高光效黄光LED关键性突破. 所研制的黄光LED器件, 在20 A/cm2驱动下波长565 nm黄光LED光效达26.7%, 对应164 lm/W; 在1 A/cm2驱动下波长577 nm黄光LED光效达42.8%, 对应248 lm/W. 基于高光效黄光LED, 开发了无荧光粉、多基色LED照明新光源, 实现了纯LED照明光源在路灯、氛围灯等方面应用.
2019, 68 (16): 166801.
doi:10.7498/aps.68.20191074
摘要 +
半导体异质结在探索新奇物理和发展器件应用等方面一直发挥着不可替代的作用. 得益于其特有的能带性质, 相对较窄的带隙和足够大的自旋轨道耦合相互作用, Ⅳ-Ⅵ族化合物半导体异质结不仅在红外器件应用方面具有重要的研究价值, 而且在拓扑绝缘体和自旋电子学等前沿领域引起了广泛的关注. 尤为重要的是, 在以CdTe/PbTe为代表的Ⅳ-Ⅵ族化合物半导体异质结界面上发现了高浓度、高迁移率的二维电子气. 该电子气的形成归因于Ⅳ-Ⅵ族化合物半导体异质结独特的扭转界面. 进一步的研究表明, 该二维电子气体系不仅对红外辐射有明显响应, 而且它还表现出狄拉克费米子的性质. 本文系统综述了近年来Ⅳ-Ⅵ族化合物半导体异质结二维电子气研究取得的主要进展. 首先对Ⅳ-Ⅵ族化合物半导体异质结扭转界面二维电子气的形成机理进行了介绍; 然后讨论该二维电子气在低温强磁场下的输运性质, 并分析了它的拓扑性质以及在自旋器件方面的应用前景; 最后, 展示了基于该二维电子气研制的中红外光电探测器.
2019, 68 (16): 167101.
doi:10.7498/aps.68.20191239
摘要 +
半导体电子结构的有效调控一直是人们长期关注的科学问题, 也是主流半导体材料物性与器件设计的核心科学问题之一. 传统栅极技术只能在小范围内改变半导体材料的带隙, 作者从理论上通过人工设计半导体极性界面, 产生约10 MV/cm的內建电场, 从而实现对Ge、InN等主流半导体带隙在0—2 eV范围内的有效调控, 并显著增强Rashba自旋轨道耦合强度, 作者进一步利用构建的多带k.p模型证明增强的Rashba自旋轨道耦合可以将常规半导体驱动至拓扑相. 文章重点介绍极性半导体InN的极性界面能隙调控; 以及IV族非极性半导体Ge的极性界面能带调控. 半导体极性界面的制备与主流半导体工艺兼容, 展现了极性界面在主流半导体量子结构的物性调控与光电器件中潜在的应用前景.
2019, 68 (16): 167301.
doi:10.7498/aps.68.20191146
摘要 +
随着金属-氧化物-半导体场效应晶体管(Metal-Oxide-Semiconductor Field Effect Transistor, MOSFET)特征尺寸不断减小,应变技术、新沟道材料和新器件结构等技术被学术界及产业界认为是继续提升器件性能的有效方法。本文从应变技术、新沟道材料和新结构器件三个方面研究载流子在输运中的散射机制:(1)应变技术:双轴拉伸应变能够改变载流子在不同能级之间的分布以及沟道的表面粗糙度,从而影响库伦散射和表面粗糙度散射;(2)新沟道材料:在不同晶面的锗(Germanium, Ge)晶体管中,电子在高场条件下的散射存在差异,声子散射在Ge(100)晶体管中占主导,而表面粗糙度散射在Ge(110)、(111)晶体管中占主导。在SiGe晶体管中,合金散射主要作用于有效电场强度比较小的区域;(3)新结构器件:载流子超薄绝缘层上锗(Germanium-on-Insulator, GeOI)晶体管输运时,会同时受到上下界面的影响,库伦散射和表面粗糙度散射随着Ge层厚度降低而增加。Ge层厚度的降低会改变电子在不同能谷间的分布,进而影响电子的散射。
2019, 68 (16): 167502.
doi:10.7498/aps.68.20191114
摘要 +
稀磁半导体兼具半导体材料和磁性材料的双重特性, 是破解摩尔定律难题的方案之一. 我们团队通过提出自旋和电荷分别掺杂的机制, 研制发现了一类新型稀磁半导体材料, 为突破经典稀磁半导体材料自旋和电荷一体掺杂引起的材料制备瓶颈提供了有效解决方案. (Ba,K)(Zn,Mn)2As2(BZA)等新型稀磁半导体通过等价掺杂磁性离子引入自旋、异价非磁性离子掺杂引入电荷, 实现了230 K的居里温度, 刷新了可控型稀磁半导体的居里温度记录. 本文重点介绍1)几种代表性的自旋和电荷掺杂机制分离的新型稀磁半导体的发现与研制; 2)新型稀磁半导体的μ子自旋弛豫与高压物性结构的调控; 3)大尺寸单晶生长、基于单晶的安德烈夫异质结研制以及自旋极化率的测量. 通过新材料设计研制、综合物性研究、简单原型器件构建的“全链条”模式研究, 开拓了自旋电荷分别掺杂的稀磁半导体材料研究领域, 展现了这类新型稀磁半导体材料潜在的光明前景.
2019, 68 (16): 167802.
doi:10.7498/aps.68.20191043
摘要 +
宽禁带II族氧化物半导体材料体系, 包括氧化铍(BeO)、氧化镁(MgO)、氧化锌(ZnO)及合金, 拥有较大的激子结合能(ZnO 60 meV, MgO 80 meV), 较高的光学增益(ZnO 300 cm–1)以及较宽的可调带隙(ZnO 3.37 eV, MgO 7.8 eV, BeO 10.6 eV), 具有实现紫外及深紫外波段低阈值激光器的独特优势, 同时也是取代传统气体放电灯(汞灯、氘灯、准分子灯、氙灯)成为深紫外乃至真空紫外光源的重要候选材料之一. 虽然经过20余年的研究历程, ZnO基pn同质结近紫外电致发光方向取得了长足进步, 但是, 随着带隙的展宽, 伴随而来的受主(施主)离化能变高(百毫电子伏特量级), 使得室温等效热能(26 meV)无法实现对杂质能级上的空穴(电子)有效离化; 此外, 掺杂过程中存在的自补偿效应也进一步弱化了载流子的产率, 以上因素已经成为了阻碍宽禁带II 族氧化物半导体实现紫外激光器件及向更短波长扩展的瓶颈性问题, 同时也是其他宽禁带半导体材料共同面对的难题. 对材料电学及发光性能的调控往往取决于对关键缺陷态的识别与控制, 丰富的点缺陷及其组合类型, 使宽禁带II族氧化物半导体成为研究缺陷物理的重要平台. 针对特定点缺陷的识别及表征将有望发现并进一步构建能级较浅的缺陷态, 为电学性能调控提供基础. 本文从高质量外延生长、杂质与点缺陷、p型掺杂及紫外电致发光三个方面阐述II族氧化物半导体近期研究结果, 通过对相关研究工作的概览, 阐明该体系作为深紫外光源材料的独特优势的同时, 指明未来针对电学性能调控的关键在于对点缺陷的调控.
2019, 68 (16): 168102.
doi:10.7498/aps.68.20191036
摘要 +
石墨烯作为二维原子晶体家族的典型代表, 由于其优异的物理与化学特性而受到学术界与工业界的广泛关注. 石墨烯纳米带是宽度仅有几纳米到几十纳米的石墨烯. 纳米带不但继承了石墨烯大部分优异的性能, 而且具备可调控带隙、自旋极化边界态等石墨烯所不具有的新奇物理特性. 这些特性使石墨烯纳米带成为未来探索石墨烯电子学应用所需要重点研究的对象. 利用与石墨烯晶格结构相似的六方氮化硼(h-BN)作为绝缘介质衬底进行石墨烯及石墨烯纳米带制备, 不仅可以有效地保持它们优异的本征性质, 还可以开发出与主流半导体工艺相兼容的电子器件工艺与应用. 本文回顾了近几年h-BN表面石墨烯及石墨烯纳米带研究的发展历程, 详细阐述了最近的材料制备和物性研究的进展, 并对高质量h-BN衬底制备的最新进展进行介绍, 以期为未来实现高质量h-BN表面石墨烯纳米带的规模化制备并最终实现电子器件应用奠定基础. 最后本文对h-BN表面石墨烯及石墨烯纳米带的未来研究方向进行了展望.
原子和分子物理学
2019, 68 (16): 163201.
doi:10.7498/aps.68.20191002
摘要 +
偏振光探测在遥感成像、环境监测、医疗检测和军事设备等领域都具有很好的应用价值, 目前已经有一系列偏振探测和成像产品. 随着信息器件进一步小型化、集成化, 基于新型低维材料的偏振光探测器可以直接利用材料本征的各向异性对偏振光进行感知, 在未来偏振光探测领域有很好的应用前景. 很多二维/一维半导体材料, 例如: 黑磷, ReS2, GaTe, GeSe, GeAs及ZrS3等, 都具有较强的本征面内各向异性, 可以用于高性能偏振光探测器. 基于此类低维半导体材料设计的不同结构类型的偏振光探测器已经覆盖了紫外、可见以及红外等多个波段. 本文总结了近年来相关领域的研究进展和我们课题组的一些工作.
2019, 68 (16): 163101.
doi:10.7498/aps.68.20190481
摘要 +
采用多组态鞍点变分方法计算了类硼S离子K壳层激发共振态1s2s22p2, 1s2s2p3, 1s2p4 2, 4L(L= S, P, D) 的非相对论能量和波函数, 利用截断变分方法饱和波函数空间, 改进体系的非相对论能量. 利用微扰理论计算了相对论修正和质量极化效应, 利用屏蔽的类氢公式计算了QED (quantum electrodynamics) 效应和高阶相对论修正. 进一步, 考虑闭通道和开通道相互作用, 计算了由俄歇共振效应引起的能级移动, 从而得到了共振态的精确相对论能级. 利用优化的波函数, 计算了类硼S离子K壳层激发共振态的电偶极辐射跃迁的线强度、振子强度、跃迁率和跃迁波长. 计算的振子强度和辐射跃迁率均给出了长度规范、速度规范、加速度规范的结果. 三种规范结果的一致性表明了本文计算的波函数是足够精确的. 利用鞍点复数转动方法计算了类硼S离子K壳层激发共振态的俄歇跃迁率、俄歇分支率和俄歇电子能量. 本文的计算结果与其他文献数据符合较好.
2019, 68 (16): 163601.
doi:10.7498/aps.68.20190544
摘要 +
MgO是具有强极性的离子化合物, 电场诱导MgO吸附H2是一种有效的储氢方法, 但外加的电场很强, 如何降低所需电场的强度是需要解决的关键问题. 本文在密度泛函理论水平上研究了电场中H2在(MgO)4团簇上的吸附性质. 结果表明(MgO)4能承受强电场并保持立方结构, 可用于电场储氢. 电荷分析表明(MgO)4在电场中被极化, 其偶极矩增大为场强0.005 a.u. 和0.010 a.u.时的1.67和3.33 Debye. H2能稳定吸附在单个Mg/O原子上. H2在Mg上为侧位吸附, 而在O上为端位吸附. 外加电场可提高其吸附强度. 仅需0.010 a. u.的外电场, 就可使H2在Mg/O上的吸附能由无电场时–0.118/–0.060 eV提高到–0.225/–0.150 eV. 所需电场强度小于较大尺寸的 (MgO)9团簇, 表明降低团簇尺寸是减少所需电场强度的一种可能方式. 利用QTAIM方法研究了H2与(MgO)4间的弱相互作用, 表明电场使团簇及氢分子极化, 从而增强了其间的静电作用. 当团簇尺寸降低时, 更多的原子位于表面, 且具有较低的配位数, 更容易被极化, 因此储氢所需的电场强度更低. 电场中(MgO)4中最多能吸附16个H2, 相应的质量密度为16.7 wt%, 表明(MgO)4是一种可能的电场储氢材料.
凝聚物质:结构、力学和热学性质
2019, 68 (16): 166301.
doi:10.7498/aps.68.20191073
摘要 +
1950年黄昆先生与A. Rhys(里斯, 黄昆先生夫人, 中文名李爱扶)发表了F-中心的光吸收与非辐射跃迁理论的论文, 这一论文被公认为是处理电子-声子互作用在固体缺陷光吸收的先驱开创性量子理论工作, 其中首先由黄昆先生所推导和明确的一个用于表征电子-声子耦合强度的无量纲因子, 被广泛采用和推崇为黄-里斯因子(Huang-Rhys factor), 也被简称为S因子. 本文试图总结黄-里斯因子的物理内涵, 以及它在阐释几种固体有关光学性质中的关键作用, 包括在深缺陷中心发光以及带边浅杂质束缚激子发光中的支配作用. 研究发现, 在不同性质的固体材料中, 电子(激子)-声子耦合强度可以分为极弱耦合(黄-里斯因子远远小于1)、中等耦合(黄-里斯因子在1—5之间)以及强耦合(黄-里斯因子远远大于1)等几种情况. 限于篇幅及个人理解, 本文仅讨论GaN各种带边激子、二维单原子层半导体激子、无机卤族钙钛矿纳米晶片激子以及金刚石单晶中NV复合中心等极弱及中等强度耦合等几种情况, 以纪念黄昆先生诞辰百周年.
2019, 68 (16): 166101.
doi:10.7498/aps.68.20190594
摘要 +
采用分子动力学方法, 对含双空位及多空位缺陷碳纳米管进行静动力特性模拟研究. 首先讨论了双原子空位缺陷以及多原子空位缺陷对碳纳米管的准静态力学性质的影响, 然后讨论了缺陷以及轴向预应力对碳纳米豆荚内C60分子振荡动力学的影响. 研究表明, 相对于无缺陷碳纳米管, 含不同类型双原子空位缺陷碳纳米管的极限应力、极限应变和弹性模量都大幅下降; 当碳纳米管缺陷原子较多, 缺陷连接在一起形成类似裂纹之后, 使得碳纳米管轴向抗压性能大幅降低, 裂纹沿周向发展相比于裂纹沿轴向发展, 其抗压能力下降得更多, 这类似于含裂纹的壳体模型结构抗压性能的下降; 缺陷碳纳米豆荚中C60分子的振荡频率受到缺失的碳原子数的影响, 单原子空位缺陷使得C60分子的振荡频率增大, 但随着空位数的增多, C60分子的振荡频率会逐渐减小; 当缺陷碳纳米豆荚存在轴向预应力时, C60分子的振荡不仅受到缺陷影响, 同时还受到轴向预应力的影响, 这使得C60分子振荡变得更为复杂.
2019, 68 (16): 166401.
doi:10.7498/aps.68.20190603
摘要 +
采用定量相场模型模拟了定向凝固过程中浓度相关的扩散系数对枝晶生长的影响. 模型中, 通过在液相溶质扩散方程中耦合浓度相关的扩散系数实现了浓度依赖的扩散过程. 一系列模拟结果证实了浓度相关的扩散过程对枝晶定向生长具有显著的影响. 结果表明: 溶质扩散系数对溶质浓度耦合强度的增加会增强枝晶间的溶质扩散对尖端排出的溶质原子横向扩散的抑制作用, 造成枝晶尖端固-液界面处的溶质富集程度增加, 从而增加尖端过冷度; 液相中扩散系数的改变对枝晶的尖端半径影响较小, 模拟结果与理论模型计算结果较好吻合; 液相中溶质扩散系数对溶质浓度依赖性的增加会使侧向分枝的振幅逐渐减小; 在对枝晶列的研究中发现, 与溶质浓度相关的扩散系数会增加枝晶列的一次间距, 降低稳态枝晶的尖端位置. 因此, 在浓质分配系数严重偏离1的体系中, 对现有模型的定量实验检验应考虑浓度相关的扩散对尖端过冷度的影响.
2019, 68 (16): 166402.
doi:10.7498/aps.68.20190228
摘要 +
本文采用基于嵌入原子势的分子动力学方法模拟研究了不同尺寸Ti纳米粒子在熔化与凝结过程中的原子堆积结构变化. 温度变化过程中对Ti纳米粒子中原子平均能量、对分布函数、键对和比热容的计算结果表明, 粒子尺寸和温度变化方式对粒子的结构转变具有重要影响. 小尺寸Ti粒子更易于形成二十面体构型. 随着Ti纳米粒子粒径的增大, 室温下粒子趋于保持初始密排六方的堆积结构. 升温过程中, 大粒径的纳米粒子内出现HCP向BCC的部分结构转变, 导致HCP和BCC结构共存现象. 大粒径粒子的熔化与体相材料相似, 具有一个熔化温度. 熔融粒子降温时, 纳米粒子内部原子发生熔融态→BCC→HCP堆积结构的转变, 且凝结温度较熔化温度滞后. 该原子尺度的模拟提供了可用经典理论估算Ti粒子熔化所需能量的临界尺寸.
凝聚物质:电子结构、电学、磁学和光学性质
2019, 68 (16): 167803.
doi:10.7498/aps.68.20191004
摘要 +
集成硅光电子学的目的之一就是为大众市场创造应用广泛、成本低廉的光子互连工具. 随着摩尔定律逼近理论极限, 集成芯片的金属互连越来越跟不上芯片体积微型化、频率高速化和功耗分配精益化的需求. 本文基于硅基发光器件的发展历程, 详细论证了金属-氧化物-半导体结构硅发光器件在未来集成电路中的合理应用, 提出了全硅光电集成电路在理论和工艺上的可行性. 这种电路突破了传统芯片电互连码之间串扰的瓶颈, 改善之后的互连速度理论可达光速, 有望成为新一代集成芯片的主流.
编辑推荐
2019, 68 (16): 167401.
doi:10.7498/aps.68.20190445
摘要 +
基于金兹堡-朗道模型, 本文研究了双带超导体硼化镁中的奇频配对态, 并证明了带间耦合可以诱导“半-涡旋”结构以及四度旋转对称与二度旋转对称的涡旋格子相变. 零外场条件下, 带间耦合可以诱导出新物质态和奇特的自发畴结构; 具体表现为, 环绕着畴壁, 该自发磁场的极性螺旋进动, 对应着局域旋转对称自发破缺, 从而允许存在时间反演破缺束缚态. 与此同时, 磁性畴壁散射引起的自旋相反的电子的费米波矢失配则允许自旋单态与自旋三重态的共存, 而一个偶宇称的三重态必将是频域奇称的配对态. 文中给出了双带硼化镁超导体普适的相图.
2019, 68 (16): 167501.
doi:10.7498/aps.68.20190706
摘要 +
基于反铁磁材料的自旋逻辑器件被认为具有更低的能量损耗、更快的速度和更高的稳定性, 这使得反铁磁材料的超快自旋动力学成为当前自旋电子学研究的热点. 由于反铁磁体具有强的交换耦合和高的共振频率, 将在GHz甚至THz波段得到广泛应用. 本文综述了利用太赫兹(THz)脉冲的磁场分量与反铁磁自旋序之间的相互作用进行探测与操控. 利用THz脉冲时域光谱, 系统研究了反铁磁性稀土正铁氧体(RFeO3)中自旋共振的非热激发及其弛豫动力学. 总结了RFeO3的准铁磁和准反铁磁自旋模式的共振频率, 以及由R3+-Fe3+离子间的相互作用所确定的自旋重取向温区. 不仅可以利用具有时间延迟的THz双脉冲实现DyFeO3中自旋极化的相干控制, 利用材料的各向异性以单个THz脉冲也可以实现YFeO3中的自旋波相干调控. 在ErxY1-xFeO3单晶样品中, 找到了自旋与真空磁子的关联交换耦合的实验证据, 证明了存在以物质-物质相互作用形式的迪克协作耦合. 最后, 讨论了THz波在TmFeO3晶体传播过程中诱导的磁极化子.
2019, 68 (16): 167801.
doi:10.7498/aps.68.20190459
摘要 +
三元化合物铝镓砷(AlGaAs)是一种可用于全光固体超快诊断技术的重要材料.基于低温外延技术的AlGaAs材料不仅具有低温生长砷化镓(low-temperature grown GaAs, LT-GaAs)超短载流子寿命的特点, 并且可以调整材料的禁带宽度, 为超快诊断系统的设计增加了极大的灵活性. 泵浦-探测实验结果表明, 低温外延生长可以有效加速AlGaAs材料的非平衡载流子复合, 非平衡载流子弛豫时间小于300 fs, 而非平衡载流子的复合时间低至2.08 ps. 由于经过特殊的钝化工艺处理, 极大地降低了表面复合对载流子衰退过程的影响, 而低温外延生长引入的As原子团簇, 形成了深能级缺陷, 是加速载流子复合的主要因素. 基于单复合中心的间接复合理论, 建立LT-AlGaAs载流子演化模型, 获得与复合速率相关的关键物理参量: 载流子俘获面积σe= 6.6×10—14cm2,σh= 4.7×10—15cm2, 计算结果与实验相符. 该方法可用于半导体材料载流子演化特性定量分析, 有助于推进超快响应半导体材料的优化改进.
总论
2019, 68 (16): 160201.
doi:10.7498/aps.68.20190379
摘要 +
本文数值研究了自旋
$ S=1/2,1,2 $
的各向异性量子XXZD模型的Luttinger液体参数K. 首先, 利用
$ U(1) $
对称的无限矩阵乘积态算法(iMPS)得到在Luttinger液体相中的基态波函数. 通过二分量子涨落F和有限纠缠标度指数
$ \kappa $
的关系可以提取出Luttinger液体参数K. 对于自旋
$ S=1/2, D=0 $
的量子XXZD模型, 本文利用
$ U(1) $
对称的iMPS的算法得到的数值结果与精确解符合得很好. 在参数
$ D\leqslant -2 $
的区域, 自旋
$ S=1 $
的XXZD模型的哈密顿量可以被映射到一个自旋
$ S=1/2 $
的有效XXZ模型, 本文计算了在这个区域内的Luttinger液体参数K与精确解基本是一致的, 相对误差小于
$ 1\% $
. 此外, 在参数
$ \varDelta=-0.5, D=0 $
处, 本文数值计算的Luttinger液体参数与密度矩阵重整化群(DMRG)的结果也是一致的. 这些研究结果表明: 当系统具有
$ U(1) $
对称性时, 利用
$ U(1) $
对称的iMPS的方法可以提取无能隙相中的Luttinger液体参数. 本文利用此方法还研究了自旋
$ S=1 $
的XXZD模型在其他参数下的Luttinger液体参数, 以及自旋
$ S=2 $
的XXZD模型的Luttinger液体参数.
编辑推荐
2019, 68 (16): 160701.
doi:10.7498/aps.68.20190868
摘要 +
本文针对微弱磁场精密测量问题, 在自主研制的铷-氙气室原子磁力仪系统上, 探讨了两种磁场测量的方式, 分别实现了对交流磁场与静磁场的测量, 并对它们的磁场测量能力进行了实验标定. 交流磁场测量原理是基于测量外磁场对87Rb原子极化的影响, 实验标定结果为在2100 Hz频率范围内磁场测量的灵敏度约为
$ 1.5\;{{{\rm{pT}}} / {\sqrt {{\rm{Hz}}} }} $
, 带宽约为2.8 kHz; 静磁场测量原理是基于测量铷-氙气室内超极化129Xe的拉莫进动频率, 实验上首先测得超极化129Xe的横向、纵向弛豫时间分别约为20.6和21.5 s, 然后通过标定给出静磁场测量精度约为9.4 pT, 测量范围超过50 μT. 相比无自旋交换弛豫原子磁力仪, 该磁力仪在同一体系内实现了交流磁场与静磁场的测量, 且交流磁场测量具有更大的带宽, 静磁场测量可在地磁场下正常工作, 将有望应用于地磁测量、基础物理等方面的研究.
封面文章
2019, 68 (16): 160702.
doi:10.7498/aps.68.20190709
摘要 +
X射线聚焦望远镜是X射线空间观测的重要设备, 针对X射线聚焦望远镜光学设计工作, 采用掠入射原理对X射线进行聚焦, 利用蒙特卡罗算法仿真镜片面型和粗糙度对角分辨率影响, 并确定了不同分辨率水平对镜片面型的不同需求; 对X射线聚焦望远镜有效面积进行分析, 并确定了膜层结构、层数与有效面积的关系, 最终完成了焦距5.25 m、嵌套层数45层, 有效面积为842和563 cm2@6 keV的X射线聚焦望远镜设计.
基本粒子物理学与场
2019, 68 (16): 161101.
doi:10.7498/aps.68.20190425
摘要 +
活性物质在自然界中广泛存在. 利用二维布朗动力学模拟方法, 设计了一种柔性边界棘轮, 并研究了其在活性粒子浴内的动力学行为. 发现棘轮在活性粒子浴内能够发生定向转动, 这是因为活性粒子在柔性边界周围的不均匀分布导致压力的不均匀分布, 进而对棘轮产生扭矩. 进一步研究了影响转动速率的因素, 发现平均转动角速度随活性粒子驱动力、活性粒子密度的增大而增大, 随粒子旋转扩散系数、支架数的增大而降低. 研究结果对于设计新的实验系统来研究此类非平衡物理现象具有一定的指导意义.
电磁学、光学、声学、传热学、经典力学和流体动力学
2019, 68 (16): 164201.
doi:10.7498/aps.68.20190243
摘要 +
本文针对气溶胶吸收光声光谱仪需用较高浓度二氧化氮(NO2)进行标定的需求, 开展了基于光纤耦合宽带LED光源的Herriott型多通池测量NO2的研究, 解决了NO2的简便、快速和高精度测量问题. 首先依据光线传输理论、仿真分析了Herriott型多通池, 并采用优化的仿真结果设计了有效光程为26.1 m的光学多通吸收池, 以增强吸收池内待测NO2气体的光吸收. 针对LED光源的发光面、发散角大, 常规准直的输出光难于在Herriott型多通池内来回传输的问题, 本研究中将LED光源的输出光耦合进入一根单模光纤, 然后用透镜准直后导入光学多通吸收池中, 实现基于光学多通吸收池的宽带LED吸收光谱测量NO2浓度, 最终实现了对NO2检测浓度极限1 μmol/mol的预期设计值, 对46 μmol/mol的NO2测量结果表明, 测量精度达到0.1%. 最后开展了此NO2测量系统与气溶胶吸收光声光谱仪同时测量不同浓度NO2的观测研究, 结果表明所测量NO2浓度与光声光谱信号呈现出很好的线性关系, 线性度优于99.9%. 基于宽带LED光源和Herriott型多通池的NO2测量系统, 具有价格低廉、结构简单和易用的特点, 可以满足NO2吸收法标定气溶胶吸收光声光谱仪的需求, 也可用于化工领域对NO2的快速分析测量.
2019, 68 (16): 164202.
doi:10.7498/aps.68.20190429
摘要 +
推导了双旋光双反射结构的反射光偏振态方程, 仿真了在环境影响下的反射光偏振态变化情况, 发现双旋光双反射结构的偏振无关反射自稳定性. 从温度和辐射两个方面实验验证了双旋光双反射结构的偏振无关反射自稳定性. 实验结果表明, 当温度在–45 ℃—85 ℃之间变化时, 双旋光双反射结构反射光的平均偏振保持度都能够达到99.77%; 当对光学元件进行400 Gy的辐照后, 平均偏振保持度也能够达到99.35%. 双旋光双反射结构能够在辐射和高低温环境的影响下依靠这种自稳定性保持较高的偏振无关反射能力, 有可能成为星基光学通信系统保偏反射元件的新选择.
2019, 68 (16): 164203.
doi:10.7498/aps.68.20190161
摘要 +
针对某些光照变化、噪声不稳定等多模态场景不适合离线训练背景模型来提取目标信息的问题, 在基于混合高斯的背景建模的基础上, 利用帧间差分与邻域相似性实现模型初始参数的选取; 提出将随机子采样与邻域空间传播理论相结合改进参数更新过程; 在时间维度上建立观测向量, 实现模型参数的优化, 加快模型收敛速度; 并将颜色信息和梯度相融合实现基于多特征的多通道背景模型的建立, 采用背景点的随机采样策略简化多通道模型建立的计算量, 最终实现复杂环境下的运动目标的检测. 实验表明, 算法在抑制鬼影、动态背景和遮挡等方面有良好的检测性能, 且执行效率能够满足实时计算的需求.
2019, 68 (16): 164204.
doi:10.7498/aps.68.20190744
摘要 +
半导体激光器是现代通讯领域的核心器件. 研究和开发具有高稳定性、高功率、高光束质量、窄线宽的单模半导体激光器是目前半导体激光器研究领域的一个重要的研究方向. 本文在窄脊型边发射半导体激光器的结构基础上, 提出并研制了一种在980 nm波段附近的利用有源多模干涉波导结构作为激光器的主要增益区, 利用增益耦合式分布反馈光栅对激光器的纵向模式进行调制的新型边发射半导体激光器芯片结构. 通过对比实验可以看出, 这种激光器相较于一般的分布反馈式半导体激光器, 其具有更高的斜率效率和输出功率; 而相较于一般的多模干涉波导激光器, 这种激光器具有更高的光束质量和更好的稳定性. 同时, 由于在芯片设计和制造过程中采用了表面刻蚀形成的高阶分布反馈光栅, 这种激光芯片的制造无需二次外延, 只需要微米量级精度的i线光刻即可实现, 是一种制备工艺较为简单、制造成本较低、利于商用量产的芯片结构.
2019, 68 (16): 164205.
doi:10.7498/aps.68.20190268
摘要 +
烟羽断层重建一般使用两台光谱仪采集数据, 属于典型的不完全角度重建. 为了提高重建结果的稳定性和接近度, 将压缩感知理论引入气体分布重建领域. 提出了一种新的计算机层析算法——低三阶导数全变分法, 用于重建电厂烟囱排放的SO2截面的二维分布. 使用低三阶导数模型模拟气体扩散, 认为气体浓度对位置的三阶导数是稀疏的. 将重建图像的全变分作为目标函数, 并通过数值最优化方法求得气体浓度分布的最优解. 数值模拟的结果表明, 与传统的低三阶导数法相比, 低三阶导数全变分法将接近度提高了80%以上. 外场实验表明, 重建图像的一致性相关因子达0.9023. 低三阶导数全变分法能有效消除测量误差对图像重建的影响, 提高重建图像的质量.
2019, 68 (16): 164206.
doi:10.7498/aps.68.20190452
摘要 +
采用脉冲位置调制(pulse position modulation, PPM)的水下激光通信系统模型, 根据弱大气湍流球面波闪烁指数与弱海洋湍流球面波闪烁指数相等的关系, 推导出海洋湍流参数和各向异性因子表示的结构参数, 利用该结构参数结合已有大气湍流中的平均光功率公式, 计算各向异性海洋湍流的平均光功率; 此外, 基于PPM通信系统误码率(bit error rate, BER)公式、gamma-gamma湍流信道和渐近Rytov理论, 数值模拟研究了在不同的各向异性海洋湍流下, 海洋湍流参数、平均雪崩光电二极管(avalanche photodiode, APD)增益、PPM调制阶数M、数据比特率对误码率的影响. 结果表明, 随着温度与盐度对功率谱变化贡献之比、温度方差耗散率和比特率的增加, 误码率增大; 当黏度系数增加时, 误码率减小; 但是随着平均APD增益的增加, 误码率先减小后增大; 当海洋湍流各向异性增大到一定程度时, 误码率并不随着湍流动能耗散率的增加而一直减小; 海洋湍流的各向异性因子越强, 误码率越小.
2019, 68 (16): 164701.
doi:10.7498/aps.68.20190323
摘要 +
本文采用并行直接求解方法计算了0.7和4.3两个Pr数的二维湍流热对流, 最高Ra = 1013. 高和极高Ra数的二维湍流热对流传热Nu数与反映羽流运动的大尺度环流路径随Ra数的变化具有很好的相关性, 并具有两个Ra数转折点. 第一转折点出现在大尺度环流由椭圆变为圆形, 其周长CLSC随Ra数变化突然减小, 第二转折点出现在大尺度环流周长CLSC最小值处, 随后羽流变为旋涡团状而周长CLSC随Ra数增高而增大. Pr数较小对应的转折Ra数较低. 传热Nu数的变化规律用Ra0.3补偿后发现, Nu的局部标度律在大尺度环流周长CLSC较小的情况下减小, 出现偏离GL理论预测倍数线的现象. 当Ra数大于第二转折点后, 极高Ra数二维湍流热对流Nu数随Ra数的变化与GL理论预测倍数线符合良好, 走向保持一致.
2019, 68 (16): 164702.
doi:10.7498/aps.68.20190436
摘要 +
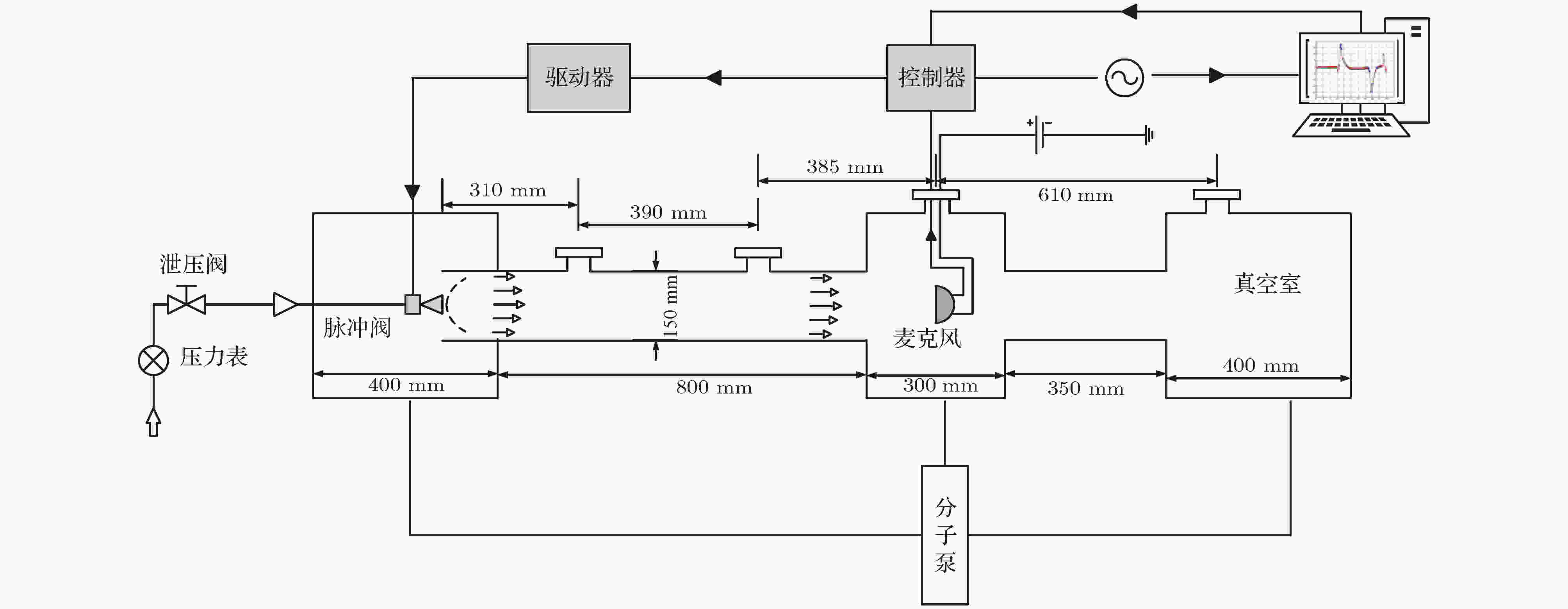
超声分子束的膨胀和输运过程是一个较为复杂的分子动力学问题, 相关的参数较难准确计算. 本文基于麦克风测量方法研究了多种气体(H2, D2, N2, Ar, He, CH4)超声分子束在自由膨胀过程中的平均速度及其沿出射方向在远域空间(喷射距离/喷嘴直径>310)的演变情况, 获得了较大范围内分子束平均速度分布随气体种类、温度、气压和膨胀距离的变化规律. 结果表明, H2, D2, He分子束的速度分别只占各自理论极限速度的54%, 60%和68%, 且在远域空间速度下降较快. 而CH4, N2和Ar分子束的速度与其各自的极限速度十分接近, 占比分别为85%, 92%和99%, 且在远域空间速度下降较缓.
2019, 68 (16): 164703.
doi:10.7498/aps.68.20190322
摘要 +
颗粒分离的物理机制目前没有统一解释. 本文采用三维离散元模型, 模拟了剪切槽内两种尺度的球形二元颗粒在高度方向上位置互相颠倒的现象. 关注大颗粒跃升过程中的运动学和动力学行为特征, 观测到大颗粒跃升过程分三个阶段: 弛豫阶段、起跳阶段和平衡阶段. 定量分析了摩擦系数对颗粒受力等具体影响. 结果显示弛豫时间随着摩擦系数的增大而减少, 颗粒最终的平衡高度随着摩擦系数的增大而增大. 定义了浮升因子, 发现浮升因子在大颗粒起跳点处陡降, 形成大颗粒跃升的“窗口时间”. 揭示大颗粒的起跳是受力脉动高频特性和浮升因子陡降两个因素共同作用的结果, 即颗粒的上升运动由受力和周围空间决定.
气体、等离子体和放电物理
2019, 68 (16): 165201.
doi:10.7498/aps.68.20190410
摘要 +
基于磁流体动力学, 本文通过数值模拟对不同磁场构型下轻质气柱界面Richtmyer-Meshkov不稳定性的演化过程进行了研究. 结果显示: 磁场对波系演化影响甚微, 但能抑制界面不稳定性发展, 且横向磁场抑制效果更好. 无磁场时, 界面形成涡串, SF6射流穿过下游界面; 有磁场时, 界面光滑无涡串. 其中, 横向磁场下界面更光滑, SF6射流不再穿过界面. 此外, 由于Richtmyer-Meshkov不稳定性的作用, 磁力线在气柱界面发生扭曲, 且上游界面处磁力线扭曲程度更大, 产生强洛伦兹力, 使涡量分层明显; 下游界面处, 纵向磁场产生的洛伦兹力较横向磁场更小, 涡层之间相互干扰. 最后, 本文将动态模态分解用于界面不稳定性研究, 发现: 磁场作用下界面仍存在小涡, 且纵向磁场下扰动更多. 第一模态的稳定涡结构能反映主要流场信息, 第二到第四模态下的小涡频率依次增加, 且无磁场、纵向和横向磁场的同一模态下, 小涡频率依次减小. 因而磁场能抑制小涡频率, 且横向磁场抑制效果更好.
2019, 68 (16): 165202.
doi:10.7498/aps.68.20190522
摘要 +
闪电甚高频辐射源定位技术为闪电放电特征及其物理机制的研究提供了重要手段. 基于空间谱估计理论, 可将正交传播算子方法应用于闪电放电通道时空演变过程的成像. 该方法将阵列数据协方差矩阵进行线性分解形成正交传播算子, 然后以子空间的正交性构造空间谱, 通过空间谱搜索实现辐射源定位. 针对闪电宽带甚高频信号, 采用非相干子空间处理方法将带宽内的有效频点进行平均, 减小噪声干扰. 利用数值仿真分析了该方法的定位性能, 验证该方法定位弱辐射源的有效性, 并与时间反转技术进行了对比. 针对人工触发闪电过程的定位结果表明该方法可以较高的时空分辨率清晰地描绘出闪电通道的基本结构及放电通道的发展过程, 并且其对双源同窗事件的定位能力优于时间反转方法. 该方法对提高宽带甚高频阵列在闪电弱辐射源定位、闪电起始机制的研究中的应用价值具有重要意义.
地球物理学、天文学和天体物理学
2019, 68 (16): 169101.
doi:10.7498/aps.68.20182230
摘要 +
基于密度泛函理论的第一性原理方法, 在广义梯度近似下考虑Grimme色散修正, 预测并研究N型甲烷水合物结构和电子性质, 得到如下结论: 1) N型甲烷水合物的水笼子整体结构为截角八面体(4668), 由8个正六边形和6个正方形构成, 其中六边形的平均边长和正方形的平均边长约为2.723Å, 对称群为
$IM\bar 3M$
, 具有简单和严格的周期性稳定结构; 2) N型甲烷水合物晶格参数为7.700Å, 密度为0.903 g/cm3, 大于I型、II型及H型水合物密度; 3) 计算并得到了N型甲烷水合物XRD衍射图, 其与I型甲烷水合物结构较为接近, 前者水笼子大, 甲烷分子与水笼子相互作用力为范德瓦耳斯力; 4) N型甲烷水合物密度为形成能为–0.247 eV, 易于形成, 电子态密度及分波态密度也均表明了甲烷与N型水笼子相互作用微弱, 靠分子力作用; 5) N型甲烷水合物为绝缘体材料, 能隙大于5 eV.




