专题:钙钛矿光电器件与物理
2019, 68 (15): 158506.
doi:10.7498/aps.68.20190675
摘要 +
当直接半导体中存在强的自旋轨道耦合作用, 且材料结构不具备中心反演对称性时, Rashba效应将会出现, 从而使自旋简并的能带分裂为具有相反自旋态的两个子能带. 这两个子能带会偏离布里渊区的对称中心位置, 致使半导体呈现出间接带隙的特征. 金属卤化物钙钛矿兼具强的自旋轨道耦合和结构中心反演不对称性, 在Rashba效应研究中展现出巨大的潜力. 本文围绕钙钛矿中Rashba效应的理论研究与实验证明, Rashba效应对载流子复合的影响以及目前Rashba效应研究中出现的争论, 系统地进行回顾与梳理; 针对钙钛矿中Rashba效应的研究现状, 提出了几个目前亟待解决的问题, 并展望了该领域未来的研究方向.
编辑推荐
2019, 68 (15): 157101.
doi:10.7498/aps.68.20190596
摘要 +
近年来, 有机-无机杂化卤化物钙钛矿材料(ABX3)由于具有优异的光电性质, 受到了材料、能源等领域的广泛关注. 但是, 卤化物钙钛矿存在两个明显阻碍其商业化应用的问题: 热稳定性差和含有有毒的铅(Pb)元素. 相比于有机-无机杂化卤化物钙钛矿, 全无机卤化物钙钛矿通常拥有更好的热稳定性. 同时, 采用一些无毒的元素部分替代B位的Pb, 可以在保持优异光电特性的同时减小材料的毒性. 本文结合无序合金结构搜索方法和第一性原理计算, 系统研究了Ba掺杂CsPbX3(X= Cl, Br, I)钙钛矿体系的热稳定性和光电特性. 计算结果显示, 只有在高Ba浓度时, 可以在室温下形成无序固溶体. 由于Ba和Pb的离子半径和电负性等物理化学性质存在显著差异, 随着Ba掺杂浓度的增加, 带隙和载流子有效质量都呈现上升趋势, 且带隙具有很宽的调节范围. 因此, 我们预测高Ba掺杂浓度的CsPbX3(X= Cl, Br, I)钙钛矿体系在短波段(如紫外或近紫外光)发光二极管或辐射探测器等领域具有潜在的应用价值.
2019, 68 (15): 157102.
doi:10.7498/aps.68.20190324
摘要 +
铅卤钙钛矿可实现溶液法制备且具有诸多优异的光电特性, 在高效太阳能电池、发光二极管、激光、光探测器等光电子领域具有广阔的应用前景. 但是铅卤钙钛矿在光辐照下存在不稳定问题, 严重影响其相关光电器件的寿命和性能稳定性. 因此, 铅卤钙钛矿在持续光照下的不稳定性现象及其机理正受到越来越多的关注. 本文综述了铅卤钙钛矿在持续光照下的四类主要不稳定现象, 即光修复现象、光解现象、光致相分离现象以及光致相变现象, 并介绍目前已提出的相关机理, 分别从缺陷态、离子迁移、热力学原理、化学键等角度来解释其光照不稳定性. 最后, 本文简要讨论了钙钛矿中光稳定性研究的复杂性及未来需要解决的问题.
2019, 68 (15): 158401.
doi:10.7498/aps.68.20190569
摘要 +
钙钛矿太阳能电池具有高光电转换效率和低成本制备的特点, 是极具希望实现大规模应用的下一代光伏技术. 然而, 对该类器件的光电转换过程的认知仍然不够清晰, 相关研究难以直接观测器件内部的空间电势及其对光生电荷载流子的影响. 开尔文探针力显微镜技术能够直接探测出器件空间电势的分布, 进而直接反映器件工作的状态, 成为理解钙钛矿太阳能电池的光电转换机理的有效途径. 本文主要介绍了钙钛矿太阳能电池内部空间电势分布与光电转换机制的研究进展, 集中讨论了通过开尔文探针力显微镜技术直接探测空间电势的光致变化和电致变化来揭示电荷载流子产生、分离、输运、复合等光电转换关键机制, 并对其在未来研究中存在的问题和挑战做了进一步的展望.
2019, 68 (15): 158503.
doi:10.7498/aps.68.20190745
摘要 +
基于金属卤化物钙钛矿材料制备的发光二极管(LED)发展迅速, 短短五年内, 近红外、红光和绿光钙钛矿发光器件的外量子效率均超过了20%, 在显示与照明领域展示出很好的应用前景. 然而, 蓝光钙钛矿LED的性能相对较差, 制约了钙钛矿LED在全色显示领域的应用. 目前, 实现钙钛矿蓝光主要有两种方式, 一种是基于卤素掺杂的组分工程, 另一种是基于量子限域效应的维度调控. 本文主要介绍了基于这两种方法的蓝光钙钛矿LED的发展历程, 讨论了蓝光钙钛矿LED面临的主要问题, 并对如何提升蓝光钙钛矿LED性能进行展望.
2019, 68 (15): 158504.
doi:10.7498/aps.68.20190647
摘要 +
钙钛矿发光二极管具有发光效率高、色纯、发光波长在可见光区间连续可调等优点, 近来成为研究前沿热点. 作为人眼最为敏感的波段, 绿光发射的钙钛矿发光二极管对于白光照明和平板显示具有重要意义, 得到了科研人员的广泛关注. 本文主要介绍绿光钙钛矿发光二极管的发展历史、钙钛矿材料和发光二极管器件的基本结构以及提升绿光钙钛矿发光二极管效率的主要方法. 最后本文对未来绿光钙钛矿发光二极管可能的发展方向进行了简要的预测, 以期对未来该领域的研究提供一些思路.
2019, 68 (15): 158505.
doi:10.7498/aps.68.20190307
摘要 +
近年来, 金属卤化钙钛矿凭借其优异的光电特性以及可低成本溶液加工的优势得到了学界的广泛关注, 成为了光电子领域的研究热点, 其中, 钙钛矿发光二极管是该领域的一大重要研究方向. 由于钙钛矿材料具有荧光量子效率高、带隙连续可调、发光半峰宽窄等优点, 钙钛矿发光二极管在短短5年时间内, 实现了外量子效率从不足1%到超过20%的重大突破, 成为了发展速度最快的发光技术. 在这5年的发展历程中, 学界主要集中于解决如何实现钙钛矿成膜和结晶过程的控制、如何提高钙钛矿薄膜的荧光量子效率, 以及如何改善钙钛矿发光二极管的稳定性等问题. 而在众多解决方案中, 有机添加剂的使用被认为是一种简单且有效的策略. 本文通过文献综述, 回顾了有机添加剂在钙钛矿发光二极管领域的整体发展和应用情况, 并着重讨论了小分子与聚合物添加剂在钙钛矿中的具体作用, 最后分析了当前钙钛矿发光二极管面临的问题, 并对其未来发展进行了展望.
2019, 68 (15): 158801.
doi:10.7498/aps.68.20190853
摘要 +
近年来, 卤化物钙钛矿太阳能电池由于其诸多技术优势引起了普遍的关注, 其效率在几年内达到了认证的24.2%, 接近目前已经民用化的晶体硅太阳能电池. 卤化物钙钛矿在外加电场作用下除了具有电荷传输能力外, 还表现出离子迁移现象, 是一种兼具半导体和离子导体特性的材料. 离子迁移不仅直接改变了钙钛矿晶体的局部化学配比, 而且会对材料的电学性质乃至相应器件的工作机理产生极大影响. 本文总结了离子迁移的形成机制、基本特征及其对器件工作过程的影响(如可翻转的光伏现象、电流迟滞现象等), 介绍了一些关于抑制离子迁移的最新研究进展. 目前关于钙钛矿材料中的离子迁移现象的认识仍不全面, 深入理解卤化物钙钛矿材料中的离子迁移现象对推动钙钛矿太阳能电池的发展和应用十分重要.
2019, 68 (15): 158802.
doi:10.7498/aps.68.20190306
摘要 +
有机-无机钙钛矿材料是一种新兴的可溶液加工的薄膜太阳能电池材料. 通过向钙钛矿中引入低维结构能够显著提高其材料稳定性和器件稳定性. 首先, 探究了一种双阳离子2, 2’-联咪唑(BIM)形成的铅基二维钙钛矿; 然后, 通过单晶衍射手段发现了一种新型的扭曲二维结构; 最后, 通过一步旋涂方法将这种扭曲二维结构引入到钙钛矿薄膜中, 所得到的太阳能电池器件效率达14%, 并且具有较好的稳定性. 本文提供了一种新的钙钛矿薄膜的钝化体系, 并且直接运用于太阳能电池器件的制备, 为提高钙钛矿太阳能电池的稳定性提供了新的发展思路.
2019, 68 (15): 158803.
doi:10.7498/aps.68.20190468
摘要 +
近年来有机-无机杂化钙钛矿材料因其吸收系数高、成本低廉、制备工艺简单等优点吸引了大批科研人员进行研究, 目前在实验室制备的电池能量转换效率已经超过23%. 钙钛矿太阳能电池一般采用溶液法逐层制备, 在此过程中由于退火温度、结晶速率等因素的影响, 钙钛矿内部以及界面会产生大量的缺陷, 这些缺陷会增加载流子复合概率, 降低载流子寿命, 严重影响钙钛矿太阳能电池的性能. 因此研究和理解钙钛矿的缺陷对制备高效钙钛矿太阳能电池至关重要. 本文讨论了在正式结构中, 钙钛矿太阳能电池缺陷的产生以及缺陷对钙钛矿太阳能电池的影响, 分析了不同材料钝化电子传输层/钙钛矿层界面以及钙钛矿层/空穴传输层界面缺陷的机理, 对比了不同钝化材料对钙钛矿太阳能电池光伏性能的影响, 总结了界面钝化材料在钙钛矿太阳能电池中的作用. 最后指出了钙钛矿太阳能电池钝化缺陷的研究趋势和发展方向.
2019, 68 (15): 158804.
doi:10.7498/aps.68.20190343
摘要 +
有机-无机杂化钙钛矿太阳能电池的光电转换效率已逾 24%, 效率的飞速提升加之可低成本溶液法制备的市场优势, 使人们越来越期待钙钛矿太阳能电池的商业化. 目前钙钛矿太阳能电池商业化所面临最大的障碍是材料乃至器件的长期不稳定性, 这使其无法在使用寿命上与已商品化的硅基等太阳能电池匹敌. 本文从化学不稳定性和相不稳定性两个层面剖析了有机-无机杂化钙钛矿材料本征不稳定性的问题, 并从组分设计及制备工艺等角度给出了提高钙钛矿太阳能电池器件稳定性的相关建议.
2019, 68 (15): 158805.
doi:10.7498/aps.68.20190303
摘要 +
有机-无机杂化钙钛矿中的有机阳离子组分具有在光照和加热条件下本征的化学不稳定性, 而全无机钙钛矿有望从根本上解决组分稳定性问题. 但是, 全无机钙钛矿在湿度条件下, 极易相变为非光学活性的δ相. 本文以CsPbI2Br全无机钙钛矿为对象, 研究不同碳链长度的有机铵盐表面处理对于钙钛矿湿稳定性和器件光电性能的影响. 实验结果表明, 有机铵盐碳链的增长显著改善钙钛矿相稳定性. 其中, 当用碘化丁铵处理时, CsPbI2Br全无机钙钛矿表现出最佳的湿稳定性. 随着碘化丁铵的处理浓度的增加, 钙钛矿的湿稳定性进一步改善. 当用适宜浓度的碘化丁铵处理CsPbI2Br薄膜时, 钙钛矿层表层的丁铵阳离子对电荷传输不会有明显阻碍, 可以获得优良的器件效率. 总之, 适宜的有机阳离子层既能提高全无机钙钛矿的湿稳定性, 又能改善其光伏性能.
2019, 68 (15): 158806.
doi:10.7498/aps.68.20190355
摘要 +
太阳能光伏技术, 能实现太阳能与电能的高效转换, 是实现人类文明可持续发展的关键绿色能源技术. 其中, 有机无机杂化钙钛矿太阳能电池具有优异的光电特性、低廉的制备成本、高效的转换效率, 已成为该领域的研究前沿. 虽然有机无机杂化钙钛矿太阳能电池的光电转换效率已约高达24%, 但其体系中的有机物组分易受环境中的光、热、潮等因素影响而分解, 致使器件稳定性存在严重的缺陷, 极大地限制了钙钛矿太阳能电池的产业化进程. 因此, 如何制备高效稳定的钙钛矿太阳能电池, 是目前该领域的研究热点与难点, 而发展具有更高环境稳定性的全无机钙钛矿太阳能电池具有重要意义. 本文回顾了近年来全无机钙钛矿太阳能电池领域的研究成果, 重点审视了钙钛矿薄膜的湿法制备工艺, 并探讨了器件在光热稳定性方面的改善, 为进一步推动钙钛矿太阳能电池的实用化进程提供可行性参考.
2019, 68 (15): 158807.
doi:10.7498/aps.68.20190302
摘要 +
作为近年来光伏领域最具竞争力的材料之一, 有机-无机杂化钙钛矿受到了广泛的关注. 然而, 由于薄膜制备手段的限制, 工业化大面积生产钙钛矿太阳能电池仍处于起步阶段. 喷墨打印技术是由家庭和办公室印刷发展而来的一种重要的工业制造技术, 广泛应用于各种印刷电子行业. 与其他沉积方法相比, 它具有成本低、材料利用率高和图案化精度高等优势. 作为一种直接书写技术, 喷墨打印已经显示出了巨大的工业化潜力, 并有望在钙钛矿太阳能电池产业化中获得应用. 本文回顾了喷墨打印钙钛矿太阳能电池的发展进程, 对喷墨打印技术应用到钙钛矿太阳能电池的各个功能层 (电极、空穴传输层、电子传输层、钙钛矿活性层) 的情况进行了总结, 并分析了喷墨打印钙钛矿太阳能电池的现状. 最后, 讨论了现阶段喷墨打印钙钛矿太阳能电池所面临的挑战, 并对未来喷墨打印技术在钙钛矿材料的商业化应用方面进行了展望.
总论
2019, 68 (15): 150301.
doi:10.7498/aps.68.20190385
摘要 +
考虑双模纠缠相干光场, 将其中一束光场注入腔中与一个二能级原子发生共振相互作用, 根据腔量子电动力学理论推导出原子系统的演化态. 针对原子系统初始状态到目标演化态的动力学过程, 利用量子速率极限时间概念来表征原子系统量子态的最大演化速率. 通过调节双模纠缠相干光场的相干参数来操控原子系统量子态动力学过程中所能达到的最大演化速率. 结果发现: 与原子发生相互作用光场的相干参数在一定条件下可以对系统量子态的最大演化速率产生明显的影响; 并且当该光场参数不能很好地来操控量子态的最大演化速率时, 双模纠缠相干光场间的量子关联可以实现未参加相互作用光场参数对原子系统量子态最大演化速率的远程调控.
2019, 68 (15): 150501.
doi:10.7498/aps.68.20190191
摘要 +
在谣言传播过程中加入真实信息的传播者, 考虑了人们对谣言的遗忘因素, 建立了SITR (susceptible-infective-true-removed)谣言传播模型. 利用下一代矩阵得到了谣言传播的阈值K0, 证明了K0< 1时无谣言传播者无真实信息传播者平衡点的稳定性, 给出了边界平衡点(即有谣言传播者但无真实信息传播者, 及无谣言传播者但有真实信息传播者平衡点)存在的条件, 以及它们的稳定性, 发现了两个边界平衡点出现双稳的区域, 获得了不同条件下正平衡点的存在性, 及其局部稳定性. 最后, 通过数值模拟验证了理论结果, 模拟分析了真实信息传播者的初始值对谣言传播者的峰值及谣言的持续时间等的影响.
核物理学
封面文章
2019, 68 (15): 152501.
doi:10.7498/aps.68.20181717
摘要 +
中子诱发裂变反应率是表征和检验中子在材料中的输运、裂变放能等过程的重要物理量. 贫化铀球壳裂变反应率径向分布数据可为铀核数据宏观检验及研究裂变放能与贫化铀球壳厚度的关系提供数据支持. 本文设计了内径为13.1 cm, 外径分别为18.10, 19.40, 23.35, 25.40, 28.45 cm的五种不同厚度的贫化铀球壳组合装置; 利用位于球壳中心的氘氚中子源轰击贫化铀球壳装置, 中子产额约为3 × 1010—4 × 1010s–1; 在“赤道”平面与入射氘束成45°方向测量裂变反应率随径向分布的情况. 为了克服裂变室和俘获探测器等自身对模型和中子场的扰动, 本文选择与装置材料相同的贫化铀材料作为活化探测器, 以活化探测器中的裂变碎片143Ce发射的γ射线作为测量对象, 通过HPGe探测器测量的γ射线数, 基于143Ce裂变产额数据反推裂变反应率. 通过实验获得了贫化铀球壳内的裂变率及其径向分布规律, 裂变反应率和相对标准不确定度分别位于5.28 × 10–29—7.58 × 10–28之间和6%—11%之间. 基于蒙特卡罗程序和ENDF/BVI.8数据库完成了模拟计算, 并与实验结果进行了对比分析, 两者在不确定度范围内一致.
电磁学、光学、声学、传热学、经典力学和流体动力学
2019, 68 (15): 154101.
doi:10.7498/aps.68.20190283
摘要 +
人工局域表面等离激元结构具有许多特殊的光学性质, 对于新一代光学元件的设计具有重要的意义. 本文设计了一种在硅盘中周期性嵌入金属条的结构, 从而使得物体在任意方向的光散射均被抑制, 实现了全方向隐身的效果. 通过理论分析与数值模拟, 发现这种空心的人工局域表面等离激元结构在一定频率下会出现强散射抑制现象, 这是由结构的散射波与背景波之间干涉相消产生的效果, 且由于结构是一种周期性环状结构, 因此可以在散射抑制的频率点下实现全方向的隐身效果. 这为分析人工局域表面等离激元结构的物理隐身和光学响应提供了一条新的途径. 此外, 本文还分析了结构在不同参数条件下对散射谱移动规律的影响. 本文的结果适用于微波到太赫兹波区域, 可以应用于各种先进的光学器件, 如雷达、隐身涂层、传感器和探测器等.
2019, 68 (15): 154102.
doi:10.7498/aps.68.20190264
摘要 +
扩展互作用速调管是一种在毫米波、亚毫米波频段具有广泛应用前景的电真空器件. 本文基于运动学理论、感应电流定理和电荷守恒定律, 推导一间隙到五间隙谐振腔的电子负载电导和电子负载电纳的表达式, 分析了谐振腔间隙宽度、间隙数和间隙周期等参数对电子注与微波之间能量交换的影响和谐振腔谐振频率的影响. 根据理论分析结果, 采用三维电磁仿真软件设计了一款工作于G波段的扩展互作用速调管, 仿真结果显示, 当电子注电压为24 kV、电流为0.15 A、输入功率为200 mW、轴向引导磁感应强度为0.8 T时, 在中心频率217.94 GHz处, 输出功率为225.5 W, 电子效率为6.26%, 增益为30.5 dB, 3 dB带宽约为470 MHz.
2019, 68 (15): 154201.
doi:10.7498/aps.68.20190246
摘要 +
冲击点火方案具备低点火能量阈值、高增益以及更好的流体力学稳定性等优势, 已成为实现惯性约束聚变点火的核心方案之一. 在冲击点火方案中, 高质量的冲击脉冲是实现成功点火的必要条件. 本文基于光纤环相位调制时间透镜系统, 提出一种利用时域非对称相位调制结合频域线性色散补偿的方案产生对脉宽和峰值功率对比度高精度可控的冲击脉冲, 并构建了理论模型, 通过数值模拟详细分析了系统关键参数对冲击脉冲特性的影响. 模拟结果显示, 通过对斩波函数、相位调制函数、调制深度、调制频率以及啁啾补偿量等参数的组合优化设计, 可以实现对冲击脉冲的脉冲宽度、脉冲上升沿以及冲击脉冲峰值功率对比度等关键性能指标高精度主动调控. 这种对冲击脉冲峰值功率对比度与冲击脉冲宽度独立主动可调的新型设计思路, 不仅有利于加深对激光脉冲波形操控原理的理解, 而且对实验上如何获取高质量的冲击脉冲具有重要参考意义.
2019, 68 (15): 154202.
doi:10.7498/aps.68.20190297
摘要 +
报道了一种具有全光纤结构的双波长掺铒光纤激光器, 该激光器的核心器件为一款新型的多模-单模-多模光纤干涉滤波器. 该滤波器通过一段偏振保持光纤引入偏振依赖相位差, 因而其干涉滤波效果具有良好的偏振依赖特性. 入射抽运功率为50 mW时, 系统输出激光波长为1544.82 与1545.61 nm, 波长间隔0.8 nm, 双波长激光边模抑制比均大于45 dB, 输出峰值功率差小于1 dB, 功率波动在0.7 dB以内. 通过调整腔内的偏振控制器, 可实现双波长间隔的连续可调谐输出, 波长间隔的调谐范围为0—3 nm. 输出信号的偏振态测试结果显示, 系统保持精准的单偏振输出, 并且在不同的调谐条件下, 双波长激光表现出不同的偏振特性, 当双波长激光的偏振状态相互正交时, 系统的偏振消光比达到35 dB, 整体调谐过程表现出良好的偏振稳定度.
2019, 68 (15): 154203.
doi:10.7498/aps.68.20190109
摘要 +
研究设计了基于光通信C波段旋电材料的矩形波导, 利用有效折射率法对波导有效折射率及横向电场分布进行求解, 得到矩形波导中
$ {\rm{E}}_{mn}^x$
导模的色散方程. 研究了在外磁场作用下表面磁等离子体激元的非互易传播特性. 还研究了结构参数和材料折射率对非互易色散关系、时延特性的影响. 结果表明: 其色散曲线随波导宽度的递增逐渐趋向平面波导; 群速度vg与波导宽度、传播常数、工作波长相关; 矩形波导芯区宽度在140—233.5 nm范围内的波导工艺容差较大;vg与矩形波导y方向包层材料折射率成正相关, 当材料为金属银时慢光效应最明显, 传输速度最小可以达到2.8 × 10–3c.
2019, 68 (15): 154701.
doi:10.7498/aps.68.20190097
摘要 +
液滴撞击壁面是一种常见的现象, 减少撞击过程中液滴在壁面的驻留时间在很多应用中非常重要. 本文在对液滴撞击加热壁面的动力学过程的研究中, 发现了一种能够大幅减少液滴驻留时间的弹起模式, 即雾化弹起模式. 与液滴撞击壁面过程中的回缩弹起模式相比, 雾化弹起模式的液滴驻留时间能减少约40%. 与其他试图减少液滴驻留时间的手段相比, 本文中驻留时间的减少仅需加热壁面, 因此该方法容易实施而且非常可靠. 最后, 本文对雾化弹起模式下液滴驻留时间减少的机理进行了讨论, 提出了一个针对膜态沸腾区域雾化弹起模式发生条件的简化理论模型, 并得出了膜态沸腾区域液滴从雾化弹起模式到回缩弹起模式过渡边界的幂次关系, 该幂次关系与实验数据吻合良好. 此外, 该理论模型也能解释过渡沸腾区域两种弹起模式的过渡边界的变化规律.
气体、等离子体和放电物理
2019, 68 (15): 155201.
doi:10.7498/aps.68.20190610
摘要 +
近临界密度是激光等离子体相互作用中能量吸收和高能电子产生的重要等离子体参数区间. 利用激光加速产生的质子束作为电磁场探针, 研究了超强激光与近临界密度等离子体相互作用产生的等离子体结构及其时间演化. 实验发现, 初始均匀分布的质子束穿过近临界密度等离子体后分裂为两个斑. 两个质子束斑的间距随着作用时间先增大后减小. 并且两个束斑呈不对称分布. 分析认为, 幅度约为109V/m的不对称分布瞬变电场是产生质子束偏折和分裂的主要原因. 粒子模拟的结果也验证了这一解释. 该研究对激光尾场电子加速、离子加速、惯性约束聚变快点火方案研究等有一定的参考价值.
凝聚物质:结构、力学和热学性质
2019, 68 (15): 156101.
doi:10.7498/aps.68.20190604
摘要 +
液滴撞击液膜是自然界中广泛存在的一种有趣的物理现象, 如雨滴撞击水坑中的雨泡, 啤酒穿过而不破坏杯中泡沫等, 科学家对此现象进行了一些研究, 但对其相互作用机理仍然认识不足. 本文利用高速摄像机记录液滴撞击肥皂膜的瞬态过程, 研究了不同韦伯数(We∈ (10.8, 350))下液滴与液膜的相互作用过程、穿越模式及运动特性. 研究结果表明, 随着We的增加, 液滴从反弹过渡到穿越(临界We= 10.8), 穿越后, 根据液膜与液滴的作用形式, 又可细分为无袋型包裹、射泡、有袋型包裹和融合等四种不同穿越模式. 穿越后的液滴可形成“液滴-气垫-液膜”型复合液滴(We∈ (120, 240))和表皮为微米厚溶液层的单相液滴(We∈ (240, 350)). 根据气垫层厚度不同, 无袋型复合型液滴的表观表面张力为最外层液膜之表面张力, 而有袋型复合液滴则为3个气液界面的表面张力之和. 复合型液滴外层包膜可能破裂、剥落并产生射泡现象, 该现象发生在一定的We数区间内(We∈ (60, 120)), 且该区间随着液滴直径的增加而增大.We数越大, 液滴穿越液膜过程中的速度损失越小, 液滴位移曲线越靠近理论曲线.
编辑推荐
2019, 68 (15): 156501.
doi:10.7498/aps.68.20190670
摘要 +
单片层氧化石墨烯由于其优异的物理化学性能, 在离子和分子筛选、水脱盐和净化、气体分离、生物传感、质子导体、锂电池和超级电容等领域有巨大的潜在应用. 然而普遍采用的Hummers法等化学、物理方法制备的氧化石墨烯是一种亚稳态材料. 其最终形态的物理化学性能的转变与调控至关重要, 亟需系统研究. 本文采用恒温处理方法对氧化石墨烯亚稳态的转变进行调控, 利用X射线光电子吸收谱、傅里叶红外吸收谱、扫描电子显微镜等方法检测氧化石墨烯含氧基团的含量、类型和形貌与温度的变化关系, 并利用Zeta电位、紫外吸收谱、拉力测试分析温度对氧化石墨烯在转变过程中的溶液悬浮稳定性、光子能带、拉伸强度等性能的影响. 所得定量测试结果发现, 氧化石墨烯亚稳态的转变过程中存在环氧减少、羟基增加, 以及整体含氧量下降的现象, 而在此过程中氧化石墨烯的单片层形貌并无明显变化. 但是这种结构的转变使得悬浮液黏稠度和亲水性大幅度增强, 能带减小和拉伸强度增强效应明显. 而当转变过程足够长时, 氧化石墨烯的亲水性转而下降, 并出现沉淀现象, 表明羟基之间进一步发生了脱水转变. 另外, 本文还分析了恒温处理的时间、悬浮液的浓度对这种转变过程的影响. 相关研究结果有利于理解亚稳态氧化石墨烯悬浮液随温度变化的性能转变, 对氧化石墨烯具体应用有一定参考价值.
2019, 68 (15): 156801.
doi:10.7498/aps.68.20182189
摘要 +
由维里定理导出的适用于均匀系统的平衡态压力张量表达式可以分成两部分: 动压力张量和位形压力张量. 人们进而对平衡的非均匀系统进行物理分析得到了局部平均压力张量表达式. 本文用更为简洁的方法推导出这一表达式. 给出以原子直径为长度单位的局部平均尺寸L*> 8条件下均匀流体系统平均位形压力中的三部分贡献项(体贡献项、面贡献项和线贡献项)与L*的理论关系式(含有待定参数); 以氩原子气体为例, 在温度180 K、原子数密度0.8下, 对原子间采用林纳德-琼斯势进行了分子动力学模拟, 给出了0.4 ≤L*≤ 17条件下三项贡献及总位形压力的模拟曲线, 确定了L*> 8条件下理论关系式中的待定系数, 并得到在L*> 2时, 随着L*的增大, 体贡献项从正压单调下降并趋于负的总位形压力, 面贡献项和线贡献项都单调上升并趋于零, 但线贡献项趋向零最快. 从物理上解释了小尺寸L*下各项行为的复杂特点. 得出L*足够大, 才可以忽略面贡献项和线贡献项, 而在纳米尺度下, 忽略面贡献项和线贡献项, 也就是忽略边界效应会给计算带来明显的误差. 最后通过分子动力学模拟得出位形压力随着温度的升高而升高. 这些结论对于压力张量的分子动力学模拟计算时选项的最优化是有意义的.
凝聚物质:电子结构、电学、磁学和光学性质
2019, 68 (15): 157201.
doi:10.7498/aps.68.20190213
摘要 +
采用基于密度泛函理论的第一性原理方法计算了锂离子电池正极材料Immm-Li2FeO2的声子谱、电子结构性质和Li扩散系数并与Li2MO2(M= Co, Ni, Cu)材料进行对比. 计算结果显示,Immm-Li2FeO2材料具有结构稳定性, 计算结果呈铁磁性, 能带结构具有半金属的特征. Fe离子外层d电子呈低自旋态, 自旋极化P= 8.01%. 利用分波态密度分析了自旋向上和自旋向下的电子能带结构. 此外, 采用微动弹性带方法计算了各个方向上Li扩散的势垒, 结果表明Li离子比较容易先进行c轴方向的迁移, 迁移势垒为0.1 eV; 然后再沿ab轴方向迁移, 迁移势垒为0.21 eV, 而沿a轴方向迁移的势垒为0.39 eV. 这些势垒值比其他的Li2MO2(M= Co, Ni, Cu)材料中的势垒值小, 也比其他Fe基Li离子电池正极材料中的势垒值更低, 意味着Li2FeO2中的Li离子将有更高的扩散系数, 这对Li2FeO2作为正极材料具有重要的意义.
2019, 68 (15): 157501.
doi:10.7498/aps.68.20190207
摘要 +
通过第一原理计算理论预测了CoMnZnZ(Z= Si, Ge, Sn, Pb)系列Heusler合金的弹性常数、电子结构和磁性, 并根据弹性常数计算得到弹性模量等参量, 计算了该系列化合物声速和德拜温度. 计算采用全势线性缀加平面波方法, 交换相关函数采用基于Perdew-Burke-Ernzerhof的广义梯度近似泛函. 弹性模量结果表明晶体呈现韧性特征; 承受剪切的性能弱于承受单轴压缩的性能; 结构组成具有较低的各向异性性能. 电子结构的计算显示CoMnZnZ(Z= Si, Ge, Sn)三个化合物属于半金属铁磁体, 但是CoMnZnPb化合物并不显示半金属特性. CoMnZnZ(Z= Si, Ge, Sn)三个化合物的磁矩通过Slater-Pauling法则进行计算得到的量值与第一原理计算得到的完全一致, 遵从总的价电子数减去28的 Slater-Pauling法则, 三个化合物磁矩为整数且自旋极化率为100%. 利用轨道杂化理论解释了此系列化合物半金属性的根源.
2019, 68 (15): 157701.
doi:10.7498/aps.68.20182273
摘要 +
在改进的有效介质理论的基础上采用C++/Qt混合编程, 设计并开发出一套复合材料物理性能模拟计算软件—Composite Studio. 该软件通过格林函数对本构方程进行求解, 计算体积分数、颗粒长径比、取向分布、宏观位向对复合材料有效性能的影响. 目前软件开发了弹性模量和介电常数两个模块, 提供了友好的人机界面, 能够构建多个显微结构参数的大量组合, 对结果进行作图分析. 该软件可以作为一种通用的计算软件, 用作高性能复合材料的材料设计.
物理学交叉学科及有关科学技术领域
2019, 68 (15): 158101.
doi:10.7498/aps.68.20190350
摘要 +
不同于延性介质, 脆性介质的失效破坏严重制约着材料的强度. 本文采用一种定量描述脆性介质力学性质的格点-弹簧模型, 研究了金刚石-碳化硅超硬复合材料的冲击强度及其细观损伤机理, 有助于避免灾变破坏、提高冲击强度. 在模型中, 通过构建不同体积分数比的金刚石和碳化硅两相复合材料, 模拟获得了经受冲击波压缩形变后的宏观波剖面, 显示出随着金刚石颗粒含量增加, 冲击强度逐渐增大, 而后减小; 对应于这种变化, 损伤演化分析揭示出存在三种细观损伤模式, 当金刚石颗粒含量在10%—50%范围内增加时, 长距离扩展滑移带占主导; 当金刚石颗粒含量为70%时, 滑移带已由长距离扩展演化为短细滑移带, 损伤主要来自于碳化硅基体, 多数金刚石颗粒未发生损伤; 当金刚石颗粒含量超过70%的临界值后, 短细滑移带也将被强烈限制, 应力集中致使金刚石颗粒被严重损伤, 冲击强度下降. 研究结果为优化设计金刚石-碳化硅超硬复合材料以及制备新型抗冲击材料提供了物理认知.
编辑推荐
2019, 68 (15): 158201.
doi:10.7498/aps.68.20190431
摘要 +
二氧化锡(SnO2)材料因具有储量丰富、理论容量高、嵌脱锂电位安全等一系列优点, 在锂离子电池负极材料研究中受到广泛关注. 然而, SnO2纳米材料在锂化反应过程中的机理, 尤其是第一步转化反应是否可逆尚存在争议. 本文利用常规水热法成功制备了平均粒径为4.4 nm的SnO2纳米颗粒, 并在透射电子显微镜中构建了微型锂离子电池原型器件, 对SnO2纳米颗粒在充放电过程中的微观形貌和物相演变进行原位表征. 实验结果表明, SnO2纳米颗粒在嵌锂过程中率先生成了纳米尺寸的中间相Sn, 随后发生了合金化反应转变为Li22Sn5相. 脱锂反应后, Li22Sn5相转变为SnO2. 分析认为, 纳米晶界阻碍了Sn颗粒的聚集长大, 使得Sn和Li2O能够充分接触, 进而使脱锂反应能够完全进行, 生成SnO2. 研究结果对于如何提高SnO2基电极材料可逆比容量和循环性能具有一定的指导意义.
2019, 68 (15): 158501.
doi:10.7498/aps.68.20190646
摘要 +
InGaZnO薄膜晶体管(InGaZnO thin film transistor, IGZO TFT)与Cu互连组合的驱动背板, 在生产线机台上的抗静电放电(electrostatic discharge, ESD)耐压能力比传统a-Si TFT背板低将近一个数量级电压, 数据线和扫描线层间Mo/Cu互连抗击穿电压只有传统a-Si TFT背板层间Mo/Al/Mo互连的60%左右. 层间Cu互连的ESD破坏成为影响IGZO TFT超高清面板正常显示的一个重要因素. 本文建立了扫描线层Cu金属扩散进入SiNx/SiO2绝缘层和数据线层Cu金属在爬坡拐角处扩散进入SiO2绝缘层, 诱发层间Cu互连ESD破坏的机理模型. 提出了Cu互连周边ESD保护电路架构三种基本结构的选型条件, 以及保证层间Cu互连抗ESD击穿能力的ESD保护电路设计方法. 利用本文提出的方法, 有效降低了IGZO TFT背板的层间Cu互连ESD破坏风险.
2019, 68 (15): 158502.
doi:10.7498/aps.68.20190413
摘要 +
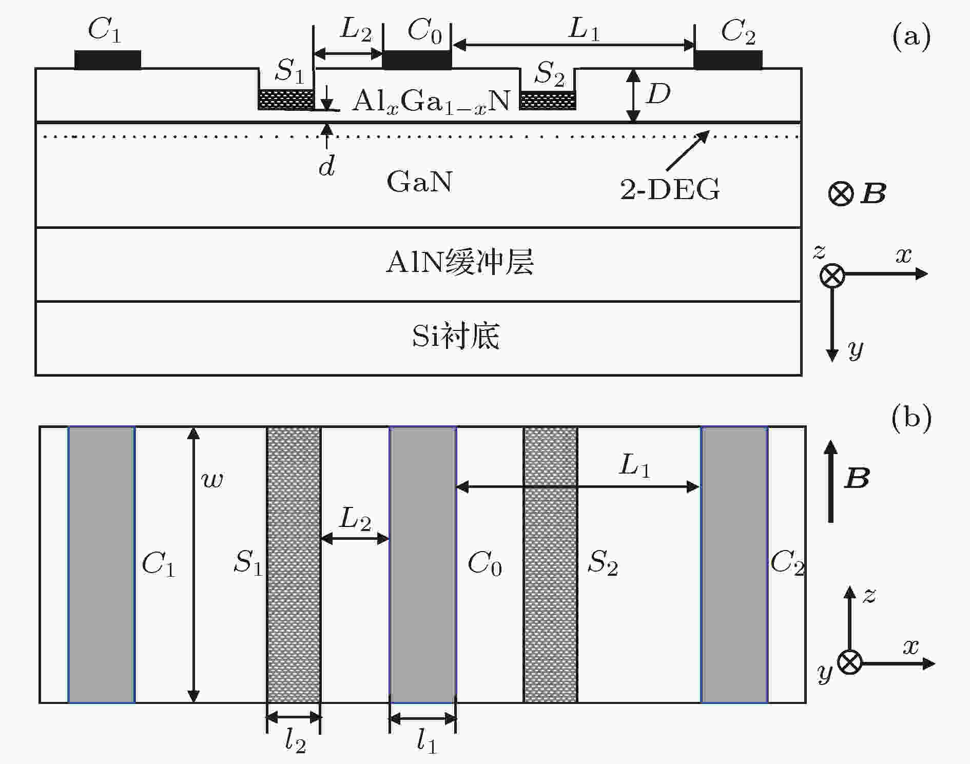
目前市场主流的窄禁带材料霍尔磁场传感器主要工作在室温或低温环境, 而新型的宽禁带GaN材料霍尔传感器虽然适用于高温, 但器件结构主要是水平型, 受制于异质结界面过高的纵向电场约束, 能探测平行器件表面磁场的垂直型结构至今未见报道, 因此技术上无法实现单一芯片三维磁场探测. 针对该难题, 本文提出基于宽禁带AlGaN/GaN异质结材料, 采用选区浅刻蚀二维电子气沟道势垒层形成局部凹槽结构的方案, 从而实现垂直型结构霍尔传感器, 并且可有效地提高磁场探测灵敏度. 首先对照真实器件测试数据对所提器件材料参数和物理模型进行校准, 然后利用计算机辅助设计技术(TCAD)对器件电极间距比值、台面宽度、感测电极长度等核心结构参数进行优化, 同时对器件特性进行深入分析讨论. 仿真结果表明所设计的霍尔传感器具有高的磁场探测敏感度(器件宽度为2 μm时为113.7 V/(A·T))和低的温度漂移系数(约600 ppm/K), 器件能稳定工作在大于500 K的高温环境. 本文工作针对宽禁带材料垂直型霍尔传感器进行设计研究, 为下一步实现在单一芯片同时制造垂直型和水平型器件, 从而最终获得更高集成度和探测敏感度、能高温应用的三维磁场探测技术奠定了理论基础.
地球物理学、天文学和天体物理学
2019, 68 (15): 159401.
doi:10.7498/aps.68.20190433
摘要 +
地球磁层空间的相对论电子通过内部充放电效应, 能够导致在轨航天器彻底失效. 由于对这种空间粒子的特性和物理机制仍不清楚, 磁层空间相对论电子一直是空间环境探测和空间科学研究的重要对象. 开展相关磁层空间环境特性的研究和粒子辐射环境建模等, 需要同时使用来自不同卫星、不同探测器的观测数据. 消除不同探测器之间的系统偏差, 实现不同来源数据的融合, 是开展相关研究的必要前提. 本文对我国最新的地球同步轨道卫星—风云四号A星(FY-4A)和同类轨道的美国GOES-13卫星相对论电子(> 2 MeV)观测数据, 开展在轨交叉定标及数据融合研究. 本文严格筛选出地磁宁静期(Kp< 2)的观测数据, 以保证研究对象是被地磁场稳定捕获的辐射带粒子. 根据辐射带粒子的物理特性, 即3个绝热不变量的基础之上, 以Liouville定理为依据, 在漂移壳Lm坐标下比较两颗卫星观测到的电子通量, 得到两颗卫星相对论电子观测之间的系统偏差. 依据该结果, 进行数据融合处理, 结果表明系统偏差得以很好地消除. 通过本项研究工作, 得到了国际上重要的两个地球同步轨道相对论电子观测系统之间的偏差, 并根据该研究成果, 成功实现两个探测系统观测数据之间的融合, 为后续的理论和应用研究工作打下了坚实的基础, 也为地球同步轨道其他能道高能电子观测数据的在轨交叉定标和数据融合提供了参考方法.




