2024 Vol. 73, No. 21
column
- REVIEW
- GENERAL
- ELECTROMAGNETISM, OPTICS, ACOUSTICS, HEAT TRANSFER, CLASSICAL MECHANICS, AND FLUID DYNAMICS
- PHYSICS OF GASES, PLASMAS, AND ELECTRIC DISCHARGES
- CONDENSED MATTER: STRUCTURAL, MECHANICAL, AND THERMAL PROPERTIES
- COVER ARTICLE
- CONDENSED MATTER: ELECTRONIC STRUCTURE, ELECTRICAL, MAGNETIC, AND OPTICAL PROPERTIES
- INTERDISCIPLINARY PHYSICS AND RELATED AREAS OF SCIENCE AND TECHNOLOGY
- ERRATA
Display Method:
2024, 73(21): 210701.
doi: 10.7498/aps.73.20240957
Abstract:
Photoelectron spectroscopy serves as a prevalent characterization technique in the field of materials science. Especially, angle-resolved photoelectron spectroscopy (ARPES) provides a direct method for determining the energy-momentum dispersion relationship and Fermi surface structure of electrons in a material system, therefore ARPES has become a potent tool for investigating many-body interactions and correlated quantum materials. With the emergence of technologies such as time-resolved ARPES and nano-ARPES, the field of photoelectron spectroscopy continues to advance. Meanwhile, the development of synchrotron radiation facilities has led to an increase of high-throughput and high-dimensional experimental data. This highlights the urgency for developing more efficient and accurate data processing methods, as well as extracting deeper physical information. In light of these developments, machine learning will play an increasingly significant role in various fields, including but not limited to ARPES. This paper reviews the applications of machine learning in photoelectron spectroscopy, mainly including the following three aspects. 1) Data Denoising Machine learning can be utilized for denoising photoelectron spectroscopy data. The denoising process via machine learning algorithms can be divided into two methods. Neither of the two methods need manual data annotation. The first method is to use noise generation algorithms to simulate experimental noise, so as to obtain effective low signal-to-noise ratio data pair to high signal-to-noise ratio data pair. And the second method is to extract noise and clean spectral data. 2) Electronic Structure and Chemical Composition Analysis Machine learning can be used for analyzing electronic structure and chemical composition. (Angle-resolved) photoelectron spectroscopy contains abundant information about material structure. Information such as energy band structure, self-energy, binding energy, and other condensed matter data can be rapidly acquired through machine learning schemes. 3) Prediction of Photoelectron Spectroscopy The electronic structure information obtained by combining first-principles calculation can also predict the photoelectron spectroscopy. The rapid acquisition of photoelectron spectroscopy data through machine learning algorithms also holds significance for material design. Photoelectron spectroscopy holds significant importance in the study of condensed matter physics. In the context of the development of synchrotron radiation, the construction of an automated data acquisition and analysis system can play a pivotal role in studying condensed matter physics. In addition, adding more physical constraints to the machine learning model will improve the interpretability and accuracy of the model. There exists a close relationship between photoelectron spectroscopy and first-principles calculations of electronic structure properties. The integration of these two through machine learning is anticipated to significantly contribute to the study of electronic structure properties. Furthermore, as machine learning algorithms continue to evolve, the application of more advanced machine learning algorithms in photoelectron spectroscopy research is expected. Building automated data acquisition and analysis systems, designing comprehensive workflows based on machine learning and first-principles methods, and integrating new machine learning techniques will help accelerate the progress of photoelectron spectroscopy experiments and facilitate the analysis of electronic structure properties and microscopic physical mechanisms, thereby advancing the frontier research in quantum materials and condensed matter physics.
2024, 73(21): 218701.
doi: 10.7498/aps.73.20241093
Abstract:
The dynamic interactions between active molecules and the cell membrane play a crucial role in various fundamental biological processes. The photovoltage transient technique developed in recent years has provided an in situ, real-time, and non-invasive approach to studying dynamic processes at the membrane interface. In this technique, the photoelectric response of silicon wafers is used to generate charges and record voltage transient pulses in the charging and discharging process of phospholipid membranes. These pulses directly reflect the instantaneous structure and properties of the membrane. By analyzing the temporal evolution of voltage pulses, the dynamic changes in membrane structure induced by molecular actions can be elucidated. In particular, this technique provides valuable insights into the timing of transitions between different functional states. In this paper, the working principle, equipment setup, and data processing methods used in photovoltage transient analysis are comprehensively reviewed. Furthermore, the use of supported phospholipid bilayers as model cell membranes highlights recent progress of this technique in investigating the mechanisms underlying membrane interactions of active molecules such as surfactants, polymers, peptides, and nanoparticles. Finally, its advantages and limitations are evaluated, and its development prospects are discussed. The photovoltage transient technique is initially used to analyze the charging and discharging curves, as well as the hydration process, of single- and multi-layered membranes composed of 1,2-dioleoyl-sn-glycero-3-phosphocholine (DOPC) phospholipids. Previously, X-ray diffraction (XRD) and quartz crystal microbalance with dissipation (QCM-D) technology were commonly utilized for the real-time monitoring of the swelling process in phospholipid membranes, providing the information about changes in mass and thickness of Z-direction layers. In contrast, the photovoltage transient technique presents additional insights into the kinetics of the swelling process and timing of transitions between different stages. The present study demonstrates the effectiveness of photovoltage transient technique in real-time monitoring of membrane interface processes, specifically, it quantitatively measures the characteristic τ value of DOPC phospholipid membrane, thereby enabling further development of quantitative analysis method for this technique. Then, the photovoltage transient technique, in conjunction with giant unilamellar vesicle (GUV) leakage assays, atomic force microscopy (AFM) and QCM-D, is employed to monitor the structural perturbation of surfactants (TTAB) and polymers (Brij35 and PVPk30) on the membranes. Specifically, Brij35 primarily undergoes an adsorption-accumulation-penetration process; whereas PVPk30 exhibits a dynamic equilibrium between molecular adsorption-desorption and/or membrane permeation-healing competing mechanisms. This disparity in membrane action processes elucidates the discrepancy observed in their cytotoxicity during live cell experiments. The ability of photovoltage transient technology to investigate the entire membrane as a research subject along with its high sensitivity enables it to capture fluctuations in data points that reflect the coexistence of competitive mechanisms. Furthermore, photovoltage monitoring reveals the occurrence of peptide-induced membrane permeabilization. The distinct mechanism of action on the membrane between melittin (as a representative antimicrobial peptide) and TAT (a typical cell penetrating peptide) is elucidated. Finally, the conductive carbon dots (CDs) induced phenomena of membrane overcharging and overdischarging, are likely to be attributed to charge transfer between the silicon substrate and the embedded conductive CDs.
2024, 73(21): 218702.
doi: 10.7498/aps.73.20240977
Abstract:
Biological systems are complex systems that are regulated on multiple scales, with dynamics ranging from random molecular fluctuations to spatiotemporal wave dynamics and periodic oscillations. To understand the underlying mechanisms and link the dynamics on a molecular scale to those on a tissue scale and an organ scale, the research approaches to integrating computer modeling and simulation, nonlinear dynamics, and experimental and clinical data have been widely used. In this article, we review how these approaches have been used to investigate the multiscale cardiac excitation dynamics, particularly the genesis of cardiac arrhythmias that can lead to sudden death. The specific topics covered in this review are as follows: i) mechanisms of formation of intracellular calcium sparks and waves on a subcellular scale, which can be described by the stochastic transitions between the two stable states of a bistable system and the second order phase transition, respectively; ii) mechanisms of triggered activities on a cellular scale resulting from transmembrane voltage and intracellular calcium cycling and their coupling, some of which can be well described by the bifurcation theories of the nonlinear dynamical system; iii) mechanisms for the genesis of arrhythmias on a tissue scale induced by the triggered activities, which can be regarded as dynamical instability-induced pattern formation in heterogeneous excitable media; and iv) manifestations of the excitation dynamics and transitions in the whole heart (on an organ scale) in electrocardiogram to bridge the spatiotemporal wave dynamics to clinical observations. These results indicate that nonlinear dynamics, pattern formation, and statistical physics are the fundamental components in establishing a theoretical framework for understanding cardiac arrhythmias.
Biological systems are complex systems that are regulated on multiple scales, with dynamics ranging from random molecular fluctuations to spatiotemporal wave dynamics and periodic oscillations. To understand the underlying mechanisms and link the dynamics on a molecular scale to those on a tissue scale and an organ scale, the research approaches to integrating computer modeling and simulation, nonlinear dynamics, and experimental and clinical data have been widely used. In this article, we review how these approaches have been used to investigate the multiscale cardiac excitation dynamics, particularly the genesis of cardiac arrhythmias that can lead to sudden death. The specific topics covered in this review are as follows: i) mechanisms of formation of intracellular calcium sparks and waves on a subcellular scale, which can be described by the stochastic transitions between the two stable states of a bistable system and the second order phase transition, respectively; ii) mechanisms of triggered activities on a cellular scale resulting from transmembrane voltage and intracellular calcium cycling and their coupling, some of which can be well described by the bifurcation theories of the nonlinear dynamical system; iii) mechanisms for the genesis of arrhythmias on a tissue scale induced by the triggered activities, which can be regarded as dynamical instability-induced pattern formation in heterogeneous excitable media; and iv) manifestations of the excitation dynamics and transitions in the whole heart (on an organ scale) in electrocardiogram to bridge the spatiotemporal wave dynamics to clinical observations. These results indicate that nonlinear dynamics, pattern formation, and statistical physics are the fundamental components in establishing a theoretical framework for understanding cardiac arrhythmias.
2024, 73(21): 210201.
doi: 10.7498/aps.73.20241112
Abstract:
Due to the limitation of existing experimental techniques, it is difficult to observe the evolution of microstructure in the sintering process in real time, resulting in a lack of in-depth understanding of the sintering mechanism of two-phase composite fuels. Therefore, it is greatly important to carry out theoretical simulation studies in the sintering process of composite fuels. In this work, a phase-field model of the two-phase sintering process of ceramic composite fuel is established, and the sintering process of UN-U3Si2 composite fuel is simulated by using this method. The simulation results show that during the formation of sintering neck, the surface deformation of the grains with higher surface energy is significant. The size of the final equilibrium dihedral angle formed by the two-phase double grains depends on the ratio of the grain boundary energy to the surface energy of the two phases. The phenomenon of large grains swallowing small grains does not occur between the two unequal double grains. Subsequently, the pore shrinkage and the properties of the trident grain boundary among the two-phase three grains are investigated in the sintering process. It is found that the angle of the trident grain boundary formed by the two-phase three grains deviates from 120°. The high-energy barrier at the grain boundary hinders the diffusion of the pore vacancies along the grain boundary, resulting in a slow shrinkage rate of the pore vacancies at the trident grain boundary. In addition, the simulation results of the microstructure evolution of two-phase polycrystalline sintered tissue with different volume fraction ratios show that the grain boundary diffusion plays a major role in the two-phase sintering process. The grain growth of the phase with a higher volume fraction is dominant, and there exists a hindrance to the migration of grain boundaries between two-phase grains. The phenomenon of grain migration exists between grains of the same phase.
Due to the limitation of existing experimental techniques, it is difficult to observe the evolution of microstructure in the sintering process in real time, resulting in a lack of in-depth understanding of the sintering mechanism of two-phase composite fuels. Therefore, it is greatly important to carry out theoretical simulation studies in the sintering process of composite fuels. In this work, a phase-field model of the two-phase sintering process of ceramic composite fuel is established, and the sintering process of UN-U3Si2 composite fuel is simulated by using this method. The simulation results show that during the formation of sintering neck, the surface deformation of the grains with higher surface energy is significant. The size of the final equilibrium dihedral angle formed by the two-phase double grains depends on the ratio of the grain boundary energy to the surface energy of the two phases. The phenomenon of large grains swallowing small grains does not occur between the two unequal double grains. Subsequently, the pore shrinkage and the properties of the trident grain boundary among the two-phase three grains are investigated in the sintering process. It is found that the angle of the trident grain boundary formed by the two-phase three grains deviates from 120°. The high-energy barrier at the grain boundary hinders the diffusion of the pore vacancies along the grain boundary, resulting in a slow shrinkage rate of the pore vacancies at the trident grain boundary. In addition, the simulation results of the microstructure evolution of two-phase polycrystalline sintered tissue with different volume fraction ratios show that the grain boundary diffusion plays a major role in the two-phase sintering process. The grain growth of the phase with a higher volume fraction is dominant, and there exists a hindrance to the migration of grain boundaries between two-phase grains. The phenomenon of grain migration exists between grains of the same phase.
2024, 73(21): 210301.
doi: 10.7498/aps.73.20241150
Abstract:
Recently, researchers have proven that an infinite number of Charlies and a pair of Alice and Bob can share standard tripartite nonlocality and genuinely nonsignal nonlocality by violating the Mermin and NS inequalities within tripartite systems. This discovery undoubtedly provides new perspectives and potential in quantum information science. However, it should be noted that the above-mentioned conclusion is derived on the highly idealized assumption that the quantum system is perfect and free from external disturbances. In reality, the realization of this ideal state is a challenging proposition. As a fundamental aspect of quantum mechanics, the phenomenon of quantum entanglement is susceptible to the influence of external factors, such as noise, during its practical implementation. Additionally, the process of quantum measurement can introduce potential errors, which may potentially diminish or even negate the observed quantum nonlocality. In light of the above situation, we investigate whether it is possible to share the corresponding quantum nonlocality, despite the inevitable occurrence of noise and error. This paper aims to study and discuss the persistency of nonlocality in noisy three-qubit systems. Firstly, the sufficient conditions are provided for Alice and Bob to share standard tripartite nonlocality with any number of Charlies, even when measurements are noisy and the initial three-qubit system is in a maximally entangled state with noise. This finding indicates that certain standard tripartite nonlocality can persist under non-ideal conditions as long as certain conditions are met. Moreover, this article elucidates the necessary conditions for multiple independent Charlies to share genuinely nonsignal nonlocality with a pair of Alice and Bob in a non-ideal state. This implies that despite the presence of noise and errors, this type of genuinely nonsignal nonlocality can still be securely shared among multiple parties as long as specific conditions are met. This research provides a new theoretical basis for the security and feasibility of quantum communication. The comprehensive analysis presented in this paper offers insights into the behavior of triple quantum nonlocality under noiseless conditions.
Recently, researchers have proven that an infinite number of Charlies and a pair of Alice and Bob can share standard tripartite nonlocality and genuinely nonsignal nonlocality by violating the Mermin and NS inequalities within tripartite systems. This discovery undoubtedly provides new perspectives and potential in quantum information science. However, it should be noted that the above-mentioned conclusion is derived on the highly idealized assumption that the quantum system is perfect and free from external disturbances. In reality, the realization of this ideal state is a challenging proposition. As a fundamental aspect of quantum mechanics, the phenomenon of quantum entanglement is susceptible to the influence of external factors, such as noise, during its practical implementation. Additionally, the process of quantum measurement can introduce potential errors, which may potentially diminish or even negate the observed quantum nonlocality. In light of the above situation, we investigate whether it is possible to share the corresponding quantum nonlocality, despite the inevitable occurrence of noise and error. This paper aims to study and discuss the persistency of nonlocality in noisy three-qubit systems. Firstly, the sufficient conditions are provided for Alice and Bob to share standard tripartite nonlocality with any number of Charlies, even when measurements are noisy and the initial three-qubit system is in a maximally entangled state with noise. This finding indicates that certain standard tripartite nonlocality can persist under non-ideal conditions as long as certain conditions are met. Moreover, this article elucidates the necessary conditions for multiple independent Charlies to share genuinely nonsignal nonlocality with a pair of Alice and Bob in a non-ideal state. This implies that despite the presence of noise and errors, this type of genuinely nonsignal nonlocality can still be securely shared among multiple parties as long as specific conditions are met. This research provides a new theoretical basis for the security and feasibility of quantum communication. The comprehensive analysis presented in this paper offers insights into the behavior of triple quantum nonlocality under noiseless conditions.
2024, 73(21): 210302.
doi: 10.7498/aps.73.20240804
Abstract:
Measurement basis choice is an essential step in the underwater continuous variable quantum key distribution system based on homodyne detection. However, in practice, finite bandwidth of analog-to-digital converter on the receiver’s side is limited, which can result in defects in the measurement basis choice. That is, the receiver cannot accurately modulate the corresponding phase angle on the phase modulator for measurement basis choice to implement homodyne detection. The imperfect measurement basis choice will introduce extra excess noise, which affects the security of underwater continuous variable quantum key distribution scheme. To solve this problem, we propose an underwater continuous variable quantum key distribution scheme based on imperfect measurement basis choice, and analyze the influence of imperfect measurement basis choice on the performance of underwater continuous variable quantum key distribution system in detail. The research results indicate that the extra excess noise introduced by imperfect measurement basis choice can reduce the secret key rate and maximum transmission distance of the underwater Gaussian modulated quantum key distribution, thus reducing the security of the system. In order to achieve reliable underwater continuous variable quantum key distribution, we quantitatively analyze the extra excess noise introduced by choosing the imperfect measurement basis and obtain its security limit. Besides, we also consider the influence of different seawater depths on the security limit of the proposed scheme, effectively solving the security risks caused by the imperfect measurement basis choice. Furthermore, for the proposed scheme, we consider not only its asymptotic security case but also its composable security case, and the performance curves obtained in the latter are tighter than that achieved in the former. The proposed scheme aims to promote the practical process of underwater continuous variable quantum key distribution system and provide theoretical guidance for accurately evaluating the water channel parameters in underwater communication of global quantum communication networks.
Measurement basis choice is an essential step in the underwater continuous variable quantum key distribution system based on homodyne detection. However, in practice, finite bandwidth of analog-to-digital converter on the receiver’s side is limited, which can result in defects in the measurement basis choice. That is, the receiver cannot accurately modulate the corresponding phase angle on the phase modulator for measurement basis choice to implement homodyne detection. The imperfect measurement basis choice will introduce extra excess noise, which affects the security of underwater continuous variable quantum key distribution scheme. To solve this problem, we propose an underwater continuous variable quantum key distribution scheme based on imperfect measurement basis choice, and analyze the influence of imperfect measurement basis choice on the performance of underwater continuous variable quantum key distribution system in detail. The research results indicate that the extra excess noise introduced by imperfect measurement basis choice can reduce the secret key rate and maximum transmission distance of the underwater Gaussian modulated quantum key distribution, thus reducing the security of the system. In order to achieve reliable underwater continuous variable quantum key distribution, we quantitatively analyze the extra excess noise introduced by choosing the imperfect measurement basis and obtain its security limit. Besides, we also consider the influence of different seawater depths on the security limit of the proposed scheme, effectively solving the security risks caused by the imperfect measurement basis choice. Furthermore, for the proposed scheme, we consider not only its asymptotic security case but also its composable security case, and the performance curves obtained in the latter are tighter than that achieved in the former. The proposed scheme aims to promote the practical process of underwater continuous variable quantum key distribution system and provide theoretical guidance for accurately evaluating the water channel parameters in underwater communication of global quantum communication networks.
2024, 73(21): 210501.
doi: 10.7498/aps.73.20241028
Abstract:
Discrete chaotic system, as a pseudo-random signal source, plays a very important role in realizing secure communication. However, many low-dimensional chaotic systems are prone to chaos degradation. Therefore, many scholars have studied the construction of high-dimensional chaotic systems. However, many existing algorithms for constructing high-dimensional chaotic systems have relatively high time complexity and relatively complex structures. To solve this problem, this paper explores an n-dimensional discrete hyperchaotic system with a simple structure. Firstly, the n-dimensional discrete hyperchaotic system is constructed by using sine function and power function and simple operations. Then, it is theoretically analyzed based on Jacobian matrix method that the system can have the positive Lyapunov exponents. Next, the algorithm time complexity, sample entropy, correlation dimension and other indexes are compared with those of the existing methods. The experimental results show that our system has a simple structure, high complexity and good algorithm time complexity. Therewith, a six-dimensional chaotic system is chosen as an example, and the phase diagram, bifurcation diagram, Lyapunov expnonents, complexity and other characteristics of the system are analyzed. The results show that the proposed system has good chaotic characteristics. Moreover, to show the application of the proposed system, we apply it to audio encryption. According to this system, we combine it with the XOR operation and true random numbers to explore a novel method of one-cipher audio encryption. Through experimental simulation, compared with some existing audio encryption algorithms, this algorithm can satisfy various statistical tests and resist various common attacks. It is also validated that the proposed system can be effectively applied to the field of audio encryption.
Discrete chaotic system, as a pseudo-random signal source, plays a very important role in realizing secure communication. However, many low-dimensional chaotic systems are prone to chaos degradation. Therefore, many scholars have studied the construction of high-dimensional chaotic systems. However, many existing algorithms for constructing high-dimensional chaotic systems have relatively high time complexity and relatively complex structures. To solve this problem, this paper explores an n-dimensional discrete hyperchaotic system with a simple structure. Firstly, the n-dimensional discrete hyperchaotic system is constructed by using sine function and power function and simple operations. Then, it is theoretically analyzed based on Jacobian matrix method that the system can have the positive Lyapunov exponents. Next, the algorithm time complexity, sample entropy, correlation dimension and other indexes are compared with those of the existing methods. The experimental results show that our system has a simple structure, high complexity and good algorithm time complexity. Therewith, a six-dimensional chaotic system is chosen as an example, and the phase diagram, bifurcation diagram, Lyapunov expnonents, complexity and other characteristics of the system are analyzed. The results show that the proposed system has good chaotic characteristics. Moreover, to show the application of the proposed system, we apply it to audio encryption. According to this system, we combine it with the XOR operation and true random numbers to explore a novel method of one-cipher audio encryption. Through experimental simulation, compared with some existing audio encryption algorithms, this algorithm can satisfy various statistical tests and resist various common attacks. It is also validated that the proposed system can be effectively applied to the field of audio encryption.
2024, 73(21): 210502.
doi: 10.7498/aps.73.20241007
Abstract:
The influences of group behavior on pedestrian evacuation under zero-visibility conditions are analyzed in depth by combining controlled experiments with modeling and simulation in this work. Initially, by experiments on pedestrian evacuation under zero-visibility conditions, typical evacuation behaviors are identified such as group behavior, auditory guidance behavior, and wall-following behavior. The pedestrians rely on auditory information to guide their companions in the process of forming groups. Pedestrian group behavior can be divided into three modes, the walking speeds of grouped pedestrians greatly depending on their spatial positions. By comparing and analyzing the walking speeds and evacuation times of pedestrians under different grouping modes, it is found that group behavior under zero-visibility condition reduces evacuation efficiency, while walking along the walls can improve evacuation efficiency. Subsequently, considering the movement characteristics of pedestrians in different group behavior modes, the influence mechanisms of auditory guidance and wall-following behavior on the evacuation process, a pedestrian evacuation model based on cellular automata under zero-visibility conditions is developed. Finally, the proposed model is validated by using experimental results, and simulations are conducted to analyze the influences of group behavior on the evacuation process under zero-visibility conditions. By comparing and analyzing the pedestrian movement trajectories and evacuation times during both the simulation and experiment, it is verified that the model can effectively reproduce the group evacuation processes of pedestrians under zero-visibility conditions. When auditory guidance errors are considered, pedestrians exhibit wandering behaviors in their movement trajectories. In the evacuation process, the greater the distance that pedestrians can perceive each other for grouping, the higher the probability of group formation is. As a result, groups are formed earlier, which will reduce the evacuation efficiency. This indicates that under zero-visibility conditions, group behavior exerts a negative influence on the evacuation process. This research lays a scientific foundation for formulating pedestrian evacuation strategies and schemes in similar scenarios.
The influences of group behavior on pedestrian evacuation under zero-visibility conditions are analyzed in depth by combining controlled experiments with modeling and simulation in this work. Initially, by experiments on pedestrian evacuation under zero-visibility conditions, typical evacuation behaviors are identified such as group behavior, auditory guidance behavior, and wall-following behavior. The pedestrians rely on auditory information to guide their companions in the process of forming groups. Pedestrian group behavior can be divided into three modes, the walking speeds of grouped pedestrians greatly depending on their spatial positions. By comparing and analyzing the walking speeds and evacuation times of pedestrians under different grouping modes, it is found that group behavior under zero-visibility condition reduces evacuation efficiency, while walking along the walls can improve evacuation efficiency. Subsequently, considering the movement characteristics of pedestrians in different group behavior modes, the influence mechanisms of auditory guidance and wall-following behavior on the evacuation process, a pedestrian evacuation model based on cellular automata under zero-visibility conditions is developed. Finally, the proposed model is validated by using experimental results, and simulations are conducted to analyze the influences of group behavior on the evacuation process under zero-visibility conditions. By comparing and analyzing the pedestrian movement trajectories and evacuation times during both the simulation and experiment, it is verified that the model can effectively reproduce the group evacuation processes of pedestrians under zero-visibility conditions. When auditory guidance errors are considered, pedestrians exhibit wandering behaviors in their movement trajectories. In the evacuation process, the greater the distance that pedestrians can perceive each other for grouping, the higher the probability of group formation is. As a result, groups are formed earlier, which will reduce the evacuation efficiency. This indicates that under zero-visibility conditions, group behavior exerts a negative influence on the evacuation process. This research lays a scientific foundation for formulating pedestrian evacuation strategies and schemes in similar scenarios.
2024, 73(21): 214201.
doi: 10.7498/aps.73.20241023
Abstract:
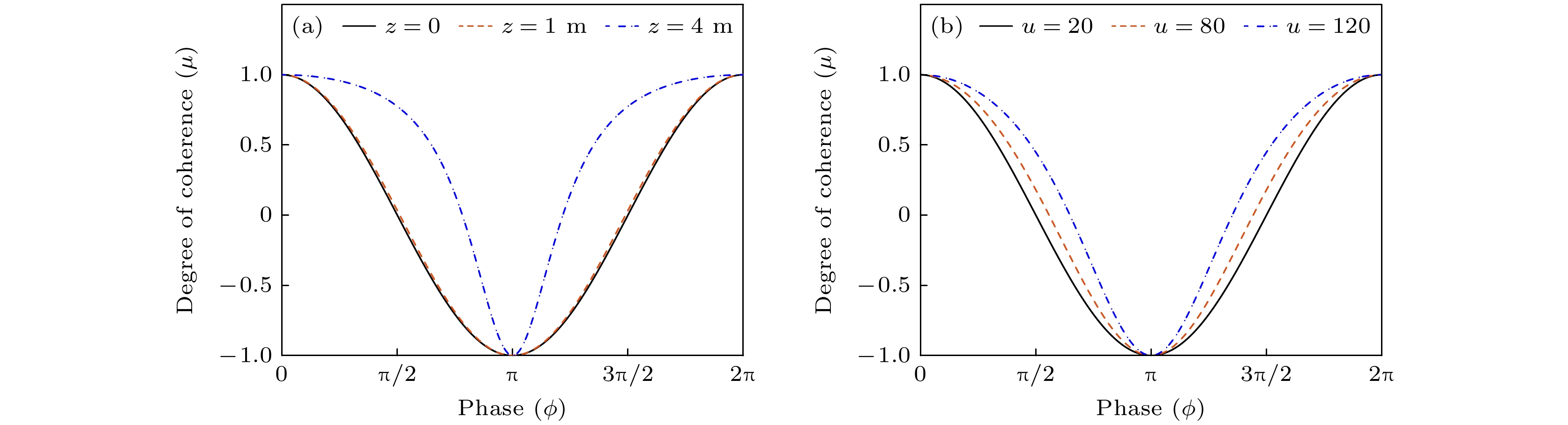
We introduce a class of specular and antispecular twisted Gaussian Schell-model beams, which are generated by inserting a twisted Gaussian Schell-model beam into a wavefront folding interferometer (WFI). The analytical expression for the cross-spectral density function of the beam propagating in free space is derived, and the statistical properties of the optical field are investigated in detail. The results show that the twisted effect is still maintained after the transformation, and the spectral density of the light field always rotates to 90 degrees around the axis during propagation. Furthermore, with appropriate optical field adjustment, the twist effect of the spectral degree of coherence (DOC) can be observed, but in opposite directions to the irradiance profile. We also find that the twisted phase not only controls the rotation of the field, but also effectively modulates the overall spot contour. For the far-field spectral density distribution, a larger twist effect will induce a smaller ellipticity of the beam spot. However, the intensity pattern in the central area is mainly determined by the phase difference of WFI. To be specific, the specular twisted field always has a sharp central peak during propagation, and in the antispecular case it has a central dip. Besides, the DOC distribution can be flexibly adjusted by the source coherence, the twisted phase and the phase difference of the WFI. The results of our work have important applications in the fields of free-space beam communication and particle trapping.
We introduce a class of specular and antispecular twisted Gaussian Schell-model beams, which are generated by inserting a twisted Gaussian Schell-model beam into a wavefront folding interferometer (WFI). The analytical expression for the cross-spectral density function of the beam propagating in free space is derived, and the statistical properties of the optical field are investigated in detail. The results show that the twisted effect is still maintained after the transformation, and the spectral density of the light field always rotates to 90 degrees around the axis during propagation. Furthermore, with appropriate optical field adjustment, the twist effect of the spectral degree of coherence (DOC) can be observed, but in opposite directions to the irradiance profile. We also find that the twisted phase not only controls the rotation of the field, but also effectively modulates the overall spot contour. For the far-field spectral density distribution, a larger twist effect will induce a smaller ellipticity of the beam spot. However, the intensity pattern in the central area is mainly determined by the phase difference of WFI. To be specific, the specular twisted field always has a sharp central peak during propagation, and in the antispecular case it has a central dip. Besides, the DOC distribution can be flexibly adjusted by the source coherence, the twisted phase and the phase difference of the WFI. The results of our work have important applications in the fields of free-space beam communication and particle trapping.
2024, 73(21): 214202.
doi: 10.7498/aps.73.20241026
Abstract:
Generalized parabolic beams have various optical morphologies. They can be used in different research fields, such as component design, aero-optics, and microwave wireless power transmission. Studying the near-field transmission characteristics of these beams is important for improving utilization efficiency. We develop a more accurate theoretical framework to precisely understand the propagation behaviors of complex light fields in the near-field range, especially to break through the limitations of conventional near-axis approximation. This framework fully reveals the propagation mechanism of parabolic beams and their energy transmission modes. Here, based on the principle of independent propagation and the virtual source method, a group of virtual sources are introduced to analyze generalized parabolic beams. These beams can be expanded into the superposition of infinite continuous integer Bessel beams. Then, by combining the Weber integral formula and the Fourier Bessel transform, we rigorously derive an integral expression for generalized parabolic beams during near-field propagation. This expression breaks through the limitation of the traditional paraxial approximation and contains all the key propagation parameters of the family of beams. Based on this integral expression, the intensity distribution and phase characteristics of the generalized parabolic beam along the optical axis are further calculated and analyzed to reveal its energy transfer mode and phase characteristics. By comparing the paraxial approximate solution with the nonparaxial corrected solution for generalized parabolic beams, the far-field propagation of generalized parabolic beams is found to be the same when the propagation distance is sufficiently long. Such simulation results indirectly confirm the correctness of the obtained theoretical solution. The simple paraxial approximation theory can be used conveniently to calculate the far-field propagation of generalized parabolic beams. However, large errors exist when paraxial theory is used to calculate the near-field distribution of generalized parabolic beams. Although calculating nonparaxial propagation is especially complex, the nonparaxial correction solution is necessary when generalized parabolic beams are used in near-field research. Such research results not only deepen the understanding of the propagation mechanism of generalized parabolic beams but also lay a theoretical foundation for studying the precise propagation behaviors of other complex light fields in near-field optics.
Generalized parabolic beams have various optical morphologies. They can be used in different research fields, such as component design, aero-optics, and microwave wireless power transmission. Studying the near-field transmission characteristics of these beams is important for improving utilization efficiency. We develop a more accurate theoretical framework to precisely understand the propagation behaviors of complex light fields in the near-field range, especially to break through the limitations of conventional near-axis approximation. This framework fully reveals the propagation mechanism of parabolic beams and their energy transmission modes. Here, based on the principle of independent propagation and the virtual source method, a group of virtual sources are introduced to analyze generalized parabolic beams. These beams can be expanded into the superposition of infinite continuous integer Bessel beams. Then, by combining the Weber integral formula and the Fourier Bessel transform, we rigorously derive an integral expression for generalized parabolic beams during near-field propagation. This expression breaks through the limitation of the traditional paraxial approximation and contains all the key propagation parameters of the family of beams. Based on this integral expression, the intensity distribution and phase characteristics of the generalized parabolic beam along the optical axis are further calculated and analyzed to reveal its energy transfer mode and phase characteristics. By comparing the paraxial approximate solution with the nonparaxial corrected solution for generalized parabolic beams, the far-field propagation of generalized parabolic beams is found to be the same when the propagation distance is sufficiently long. Such simulation results indirectly confirm the correctness of the obtained theoretical solution. The simple paraxial approximation theory can be used conveniently to calculate the far-field propagation of generalized parabolic beams. However, large errors exist when paraxial theory is used to calculate the near-field distribution of generalized parabolic beams. Although calculating nonparaxial propagation is especially complex, the nonparaxial correction solution is necessary when generalized parabolic beams are used in near-field research. Such research results not only deepen the understanding of the propagation mechanism of generalized parabolic beams but also lay a theoretical foundation for studying the precise propagation behaviors of other complex light fields in near-field optics.
Miniaturized photoacoustic/ultrasound endoscopic imaging probe for molecular imaging of deep tissues
2024, 73(21): 214203.
doi: 10.7498/aps.73.20241076
Abstract:
Colorectal cancer is one of the leading causes of cancer-related deaths worldwide. Traditional gastrointestinal endoscopes for colorectal cancer mainly rely on optical endoscope and ultrasound endoscope. Owing to significant light scattering in tissues the optical endoscope is limited to superficial tissue imaging, while the ultrasound endoscope, despite deeper penetration, provides limited molecular imaging capabilities. In this work, we build a miniaturized handheld photoacoustic/ultrasound dual-modality endoscopic probe to address these problems. It has a small size of 8 mm, and presents the dual advantages of high penetration depth and superior molecular imaging capability, marking a significant advancement over traditional methods. Results show that this probe achieves a high lateral resolution of 345 μm for photoacoustic imaging and 185 μm for ultrasound imaging at a depth of 12 mm within tissues. It also exhibits the ability to effectively image complex structural targets, as demonstrated by the imaging of a phantom with an embedded metal mesh. Furthermore, the probe adopts an innovative pump-probe method, which effectively mitigates interference from blood and other background tissues, thereby achieving high-specificity photoacoustic molecular imaging. This ability is first confirmed by imaging the distribution of methylene blue (MB) in a phantom, and then by observing the distribution of MB in the depth of tumor in mice. This handheld photoacoustic/ultrasound endoscopic probe has the advantages of small size, high penetration depth, high spatial resolution, and superior molecular imaging ability, and is expected to become an important diagnostic tool for colorectal cancer and other gastrointestinal cancer. This study can provide strong support for early diagnosis and treatment monitoring, potentially revolutionizing the detection and management of these diseases.
Colorectal cancer is one of the leading causes of cancer-related deaths worldwide. Traditional gastrointestinal endoscopes for colorectal cancer mainly rely on optical endoscope and ultrasound endoscope. Owing to significant light scattering in tissues the optical endoscope is limited to superficial tissue imaging, while the ultrasound endoscope, despite deeper penetration, provides limited molecular imaging capabilities. In this work, we build a miniaturized handheld photoacoustic/ultrasound dual-modality endoscopic probe to address these problems. It has a small size of 8 mm, and presents the dual advantages of high penetration depth and superior molecular imaging capability, marking a significant advancement over traditional methods. Results show that this probe achieves a high lateral resolution of 345 μm for photoacoustic imaging and 185 μm for ultrasound imaging at a depth of 12 mm within tissues. It also exhibits the ability to effectively image complex structural targets, as demonstrated by the imaging of a phantom with an embedded metal mesh. Furthermore, the probe adopts an innovative pump-probe method, which effectively mitigates interference from blood and other background tissues, thereby achieving high-specificity photoacoustic molecular imaging. This ability is first confirmed by imaging the distribution of methylene blue (MB) in a phantom, and then by observing the distribution of MB in the depth of tumor in mice. This handheld photoacoustic/ultrasound endoscopic probe has the advantages of small size, high penetration depth, high spatial resolution, and superior molecular imaging ability, and is expected to become an important diagnostic tool for colorectal cancer and other gastrointestinal cancer. This study can provide strong support for early diagnosis and treatment monitoring, potentially revolutionizing the detection and management of these diseases.
2024, 73(21): 214204.
doi: 10.7498/aps.73.20241017
Abstract:
White LEDs have the broad application prospect and market demand, while the red phosphor can greatly affect the color temperature and color rendering index of the modulated white light. In this work, a series of Li2Gd4–x Smx(MoO4)7 (x = 0.01–0.13) phosphors is prepared by the high-temperature solid phase method. The successful doping of Sm3+ into Li2Gd4(MoO4)7 is confirmed by X-ray diffractometry (XRD) and does not lead to any change in crystal structure. The samples are detected by scanning electron microscope (SEM) to have irregular blocky structures with particle size less than 20 μm. The existence of Li, Gd, Mo, O and Sm elements in the phosphor is confirmed by energy dispersive X-ray spectroscopy (EDS). The observation of X-ray photoelectron spectroscopy (XPS) shows that the activators are successfully doped into materials. Under 406 nm excitation, the emission peaks of the samples are located at 563, 598, 645 and 706 nm respectively, which are caused by the 4f-4f transition of Sm3+, and the strongest emission peak comes from 4G5/2→6H9/2 transition. It is found that optimal concentration of Sm3+ is 0.07. With the increase of Sm3+ concentration, the fluorescence lifetime decreases gradually. The temperature-dependent emission of phosphor is also studied. The emission intensity at 473 K is still 79% of that at 298 K, indicating that the sample has excellent heat resistance. The CIE chromaticity diagram shows the luminescence of the prepared phosphor is located in the orange-red region and the color purity is high (99%). Moreover, a white LED is fabricated using the optical doped phosphor, which has CIE coordinates of (0.3788, 0.3134) that are located in the circle of white light. Research shows that the Li2Gd4(MoO4)7:Sm3+ phosphor is a promising orange-red phosphor for white LEDs.
White LEDs have the broad application prospect and market demand, while the red phosphor can greatly affect the color temperature and color rendering index of the modulated white light. In this work, a series of Li2Gd4–x Smx(MoO4)7 (x = 0.01–0.13) phosphors is prepared by the high-temperature solid phase method. The successful doping of Sm3+ into Li2Gd4(MoO4)7 is confirmed by X-ray diffractometry (XRD) and does not lead to any change in crystal structure. The samples are detected by scanning electron microscope (SEM) to have irregular blocky structures with particle size less than 20 μm. The existence of Li, Gd, Mo, O and Sm elements in the phosphor is confirmed by energy dispersive X-ray spectroscopy (EDS). The observation of X-ray photoelectron spectroscopy (XPS) shows that the activators are successfully doped into materials. Under 406 nm excitation, the emission peaks of the samples are located at 563, 598, 645 and 706 nm respectively, which are caused by the 4f-4f transition of Sm3+, and the strongest emission peak comes from 4G5/2→6H9/2 transition. It is found that optimal concentration of Sm3+ is 0.07. With the increase of Sm3+ concentration, the fluorescence lifetime decreases gradually. The temperature-dependent emission of phosphor is also studied. The emission intensity at 473 K is still 79% of that at 298 K, indicating that the sample has excellent heat resistance. The CIE chromaticity diagram shows the luminescence of the prepared phosphor is located in the orange-red region and the color purity is high (99%). Moreover, a white LED is fabricated using the optical doped phosphor, which has CIE coordinates of (0.3788, 0.3134) that are located in the circle of white light. Research shows that the Li2Gd4(MoO4)7:Sm3+ phosphor is a promising orange-red phosphor for white LEDs.
2024, 73(21): 214301.
doi: 10.7498/aps.73.20241087
Abstract:
Topological insulators possess strong topological protection properties and can manipulate the wave propagation to combat disorder and defects. And now they have grown into a large research field in photonic and phononic crystals. However, the conventional topological band theory is used to describe a closed photonic/phononic crystal that is assumed to be a Hermitian system. In fact, actual physical systems often couple with external environment, and generate non-Hermitian Hamiltonians with complex eigenvalues. Recently, many novel topological properties have been induced by the interaction between non-Hermitian phase and topological phase. A prominent example is non-Hermitian skin effect that all eigenstates are localized to the boundary in open system, which is different from the conventional topological edge state. This unique physical phenomenon has inspired various applications, such as wave funneling, enhanced sensing, and topological lasing. In this work, we describe the non-Hermitian skin effect by using winding number domains. The sign of the winding number domain determines the rotation direction of the loops in the complex frequency plane, whose sign can be controlled by the nonreciprocal coupling direction. In this work, we design different topological skin interfaces between different domains with opposite winding numbers to manipulate the energy focusing on middle or two-end of non-Hermitian one-dimensional acoustic cavity chain. In experiment, we use an electroacoustic coupling method, in which a unidirectional coupler composed of microphones, speakers, phase shifters, and amplifiers is used to introduce positive and negative non-reciprocal couplings between the two acoustic cavities, and study the characteristics of these non-reciprocal couplings. Then, the non-reciprocal coupling cavities are extended into a chain structure, and the magnitudes and signs of the non-reciprocal couplings are flexibly controlled by using phase shifters and amplifiers. Through this method, we successfully construct the interfaces between different winding number domains, achieving a one-dimensional non-Hermitian skin effect at various interfaces. The experimental results indicate that the sound can be focused on the middle interface or two-end interfaces for different nonreciprocal coupling distributions, and the skin interface can also be switched from middle to two-end by exchanging the nonreciprocal coupling direction of the domains. Our research results provide greater flexibility for designing acoustic devices and also a new platform for exploring advanced topological acoustic systems for controlling sound propagation.
Topological insulators possess strong topological protection properties and can manipulate the wave propagation to combat disorder and defects. And now they have grown into a large research field in photonic and phononic crystals. However, the conventional topological band theory is used to describe a closed photonic/phononic crystal that is assumed to be a Hermitian system. In fact, actual physical systems often couple with external environment, and generate non-Hermitian Hamiltonians with complex eigenvalues. Recently, many novel topological properties have been induced by the interaction between non-Hermitian phase and topological phase. A prominent example is non-Hermitian skin effect that all eigenstates are localized to the boundary in open system, which is different from the conventional topological edge state. This unique physical phenomenon has inspired various applications, such as wave funneling, enhanced sensing, and topological lasing. In this work, we describe the non-Hermitian skin effect by using winding number domains. The sign of the winding number domain determines the rotation direction of the loops in the complex frequency plane, whose sign can be controlled by the nonreciprocal coupling direction. In this work, we design different topological skin interfaces between different domains with opposite winding numbers to manipulate the energy focusing on middle or two-end of non-Hermitian one-dimensional acoustic cavity chain. In experiment, we use an electroacoustic coupling method, in which a unidirectional coupler composed of microphones, speakers, phase shifters, and amplifiers is used to introduce positive and negative non-reciprocal couplings between the two acoustic cavities, and study the characteristics of these non-reciprocal couplings. Then, the non-reciprocal coupling cavities are extended into a chain structure, and the magnitudes and signs of the non-reciprocal couplings are flexibly controlled by using phase shifters and amplifiers. Through this method, we successfully construct the interfaces between different winding number domains, achieving a one-dimensional non-Hermitian skin effect at various interfaces. The experimental results indicate that the sound can be focused on the middle interface or two-end interfaces for different nonreciprocal coupling distributions, and the skin interface can also be switched from middle to two-end by exchanging the nonreciprocal coupling direction of the domains. Our research results provide greater flexibility for designing acoustic devices and also a new platform for exploring advanced topological acoustic systems for controlling sound propagation.
2024, 73(21): 214401.
doi: 10.7498/aps.73.20240863
Abstract:
Energy and environmental challenges caused by the excessive consumption of fossil fuels are major concerns worldwide, and the use of automotive air conditioning can increase total fuel consumption by 10% to 30%, thereby exacerbating these problems. To reduce the energy consumption for automotive air conditioning, a multilayer-film design based on radiative cooling and electrochromic modulation is proposed for regulating the temperature inside vehicles. The designed multilayer-film not only passively realizes temperature drop but also actively regulates the entry of solar radiation, which can help the vehicle air conditioning system to adjust the interior temperature autonomously. To verify its effectiveness, a film-applied empty box device is designed for radiometric temperature measurement. Experimental results indicate that the maximum interior temperature drop of the multilayer film increases by approximately 9.8 ℃ compared with that of single-layer films in the sunlight irradiation, and dynamic temperature regulation of about 4.6 ℃ can be achieved by adjusting the transmittance of the multilayer film. To study the environmental adaptability of the multilayer film, experiments are conducted on an outdoor film-applied device during the summer and winter in Shenyang, China (\begin{document}$\rm 41^\circ44'N, 123^\circ39'E$\end{document} ), the place which is characterized by a typical temperate continental climate. Results indicate that under high temperature conditions of 30–40 ℃ in summer, the maximum internal temperature drop of the multilayer film reaches 12.9 ℃; while under low temperature conditions of 0–15 ℃ in autumn and winter, the maximum internal temperature drop is only 1.9 ℃, preventing the interior temperature from being too low. In addition, the maximum interior temperature drop increases with the solar radiation intensity and ambient temperature increasing. Therefore, the proposed multilayer-film design, with its potential for temperature self-regulation, provides a promising solution for reducing energy consumption and improving passenger comfort.
Energy and environmental challenges caused by the excessive consumption of fossil fuels are major concerns worldwide, and the use of automotive air conditioning can increase total fuel consumption by 10% to 30%, thereby exacerbating these problems. To reduce the energy consumption for automotive air conditioning, a multilayer-film design based on radiative cooling and electrochromic modulation is proposed for regulating the temperature inside vehicles. The designed multilayer-film not only passively realizes temperature drop but also actively regulates the entry of solar radiation, which can help the vehicle air conditioning system to adjust the interior temperature autonomously. To verify its effectiveness, a film-applied empty box device is designed for radiometric temperature measurement. Experimental results indicate that the maximum interior temperature drop of the multilayer film increases by approximately 9.8 ℃ compared with that of single-layer films in the sunlight irradiation, and dynamic temperature regulation of about 4.6 ℃ can be achieved by adjusting the transmittance of the multilayer film. To study the environmental adaptability of the multilayer film, experiments are conducted on an outdoor film-applied device during the summer and winter in Shenyang, China (
2024, 73(21): 215201.
doi: 10.7498/aps.73.20240952
Abstract:
In this paper, the effect of the coil structure, as well as the gas pressure, on the spatial distribution of an inductively coupled argon plasma is numerically investigated based on our developed three-dimensional fluid model. The model is based on a modified ambipolar diffusion model, in which the electron density is solved under the quasi-neutral condition, the ion density and neutral particle density are obtained by solving continuity equations, and the ion flux is achieved by solving the full momentum balance equation. In addition, the inductive electric field is governed by the Maxwell equations, which are solved in the frequency domain. The results show that the electron density is nonuniform along the azimuthal direction due to the asymmetry of the coil structure, and the uniformity becomes better as gas pressure decreases. Besides, the plasma azimuthal uniformity can also be improved by reducing the opening of the coil. As the coil radius increases, the plasma density decreases, while the radial uniformity of the plasma improves, and the azimuthal uniformity deteriorates. In addition, the influence of the current amplitude ratio between the inner coil and outer coil on the plasma uniformity in dual-coil discharge is also investigated. It is found that the plasma radial uniformity becomes better by reducing the inter-to-outer coil current amplitude ratio. The results obtained in this work demonstrate that the plasma uniformity can be improved by optimizing the coil structure and adjusting the discharge parameters, which is of significant importance in etching and deposition processes.
In this paper, the effect of the coil structure, as well as the gas pressure, on the spatial distribution of an inductively coupled argon plasma is numerically investigated based on our developed three-dimensional fluid model. The model is based on a modified ambipolar diffusion model, in which the electron density is solved under the quasi-neutral condition, the ion density and neutral particle density are obtained by solving continuity equations, and the ion flux is achieved by solving the full momentum balance equation. In addition, the inductive electric field is governed by the Maxwell equations, which are solved in the frequency domain. The results show that the electron density is nonuniform along the azimuthal direction due to the asymmetry of the coil structure, and the uniformity becomes better as gas pressure decreases. Besides, the plasma azimuthal uniformity can also be improved by reducing the opening of the coil. As the coil radius increases, the plasma density decreases, while the radial uniformity of the plasma improves, and the azimuthal uniformity deteriorates. In addition, the influence of the current amplitude ratio between the inner coil and outer coil on the plasma uniformity in dual-coil discharge is also investigated. It is found that the plasma radial uniformity becomes better by reducing the inter-to-outer coil current amplitude ratio. The results obtained in this work demonstrate that the plasma uniformity can be improved by optimizing the coil structure and adjusting the discharge parameters, which is of significant importance in etching and deposition processes.
2024, 73(21): 215202.
doi: 10.7498/aps.73.20241117
Abstract:
The primary electro-mechanical model is developed for the acceleration kinetics of electromagnetic railguns. Pulsed plasma thrusters (PPTs), whose operation principle is similar to that of electromagnetic railguns, generate thrust via electromagnetic acceleration of plasma. Therefore, the electro-mechanical model serves as a valuable analytical tool to explore the mechanisms of energy conversion and thrust generation of PPTs. In fact, a PPT initiates discharge at its propellant surface and then ejects the discharged channel away to form accelerated plume. During the acceleration, the plasma channel assumes a curved shape, which is different from the flat sheet shape. The curved geometric shape of PPT discharge channel makes the flat current sheet model currently used in the electro-mechanical models inherently flawed. In this paper, a two-dimensional (2D) curved current sheet model is proposed to improve the PPT electro-mechanical model, by referring to the curved morphology of PPT discharge plasma channels. No matter what is the real geometry of the 2D current sheet, the Ampere force on discharge plasma channels and corresponding kinetics can be derived to obtain final kinetic energy of discharge plasma channels. As a result, the relation between the kinetic energy and the inductance of PPT discharge circuit is obtained and expressed as\begin{document}$ {E}_{{\mathrm{k}}}=\displaystyle\int _{0}^{{t}_{{\mathrm{e}}{\mathrm{n}}{\mathrm{d}}}}{i\left(t\right)}^{2}\frac{{\mathrm{d}}{L}_{{\mathrm{e}}{\mathrm{q}}}\left(t\right)}{{\mathrm{d}}t}{\mathrm{d}}t $\end{document} . To determine the inductance as a temporal function, an algorithm for the inductance is proposed in which time-segment fitting of PPT discharge waveforms is adopted. Moreover, based on the temporal function of the inductance, PPT discharge waveforms can be simulated by using the ODE45 solver of MATLAB with high fitting goodness. So far, a calculation scheme for the kinetic energy of PPT plumes and simulation code for PPT discharge waveforms have set up based on the improved electro-mechanical model. To verify the improved model and the corresponding calculation scheme, the PPT prototype is used to evaluate its energy conversion efficiency. The results show that the model enables elucidating the low PPT electro-mechanical efficiency, which is attributed to the partition limitation of PPT energy to electromagnetic acceleration process. Accordingly, a possible exploration routine for elevating PPT electro-mechanical efficiency is suggested.
The primary electro-mechanical model is developed for the acceleration kinetics of electromagnetic railguns. Pulsed plasma thrusters (PPTs), whose operation principle is similar to that of electromagnetic railguns, generate thrust via electromagnetic acceleration of plasma. Therefore, the electro-mechanical model serves as a valuable analytical tool to explore the mechanisms of energy conversion and thrust generation of PPTs. In fact, a PPT initiates discharge at its propellant surface and then ejects the discharged channel away to form accelerated plume. During the acceleration, the plasma channel assumes a curved shape, which is different from the flat sheet shape. The curved geometric shape of PPT discharge channel makes the flat current sheet model currently used in the electro-mechanical models inherently flawed. In this paper, a two-dimensional (2D) curved current sheet model is proposed to improve the PPT electro-mechanical model, by referring to the curved morphology of PPT discharge plasma channels. No matter what is the real geometry of the 2D current sheet, the Ampere force on discharge plasma channels and corresponding kinetics can be derived to obtain final kinetic energy of discharge plasma channels. As a result, the relation between the kinetic energy and the inductance of PPT discharge circuit is obtained and expressed as
2024, 73(21): 216101.
doi: 10.7498/aps.73.20241089
Abstract:
The main microstructures in metallic liquids (or supercooled liquids) play a decisive role in determining the final solidification pathway (crystallization or amorphization). However, what kind of microstructure plays a critical role is constantly explored and studied by scholars. Some of previous theoretical and experimental studies have suggested that icosahedron (ICO) clusters (or ICO short-range order) in metallic liquids possess lower energy than their corresponding crystals, and high abundance of ICO clusters can increase the nucleation barriers and promote amorphous transformation. Current research results indicate that the content of various clusters (especially ICO clusters) in many metallic liquids is relatively low. Therefore, it is significant to identify which microstructure plays a critical role in metallic liquids. In this work, the rapid solidification processes of tantalum (Ta) metallic liquid under various pressure conditions are investigated by using molecular dynamic (MD) simulation, and the microstructure evolutions in different solidification processes are quantitatively analyzed through the average atomic energy, pair distribution function, and largest standard cluster analysis (LaSCA). The results show that, compared with the cluster with low content of ICO, topologically close-packed (TCP) clusters are not only more abundant but also play a more decisive role in determining the solidification path of Ta metallic liquids. At a pressure P∈[0, 8.75] GPa, the TCP clusters in Ta metallic liquid not only exhibit low energy and a highly stable state, but also are highly interconnected with each other and resist decomposition, thereby promoting the amorphous transformation of the Ta metallic liquid. At pressure P∈[9.375, 50] GPa, the TCP clusters in Ta metallic liquid are in a metastable state, many TCP clusters with high energy state can easily transform into other clusters in the liquid-solid transition process. In this stage, nucleation and growth of the body-centered cubic (BCC) embryo occur mainly in areas where TCP clusters are stacked sparsely, eventually Ta metallic liquid forms a perfect BCC crystal .
2024, 73(21): 216102.
doi: 10.7498/aps.73.20240849
Abstract:
The coupling and competition between various degrees of freedom at the interface of transition metal oxide heterointerfaces greatly enrich their physical properties and expand their relevant application scope. It has been reported that dimensionality is an effective method to regulate the properties of oxide heterostructure. The structure of SCO film exhibits a planar-type-to-chain-type transformation with the change of thickness. In this work, the high-quality SCO/LCMO superlattices are deposited by a pulsed laser deposition system. And the interfacial exchange coupling effect is effectively manipulated by controlling the dimensionality of SCO layer. X-ray absorption spectrum (XAS) measurement shows that the charge transfer occurs at the heterointerface. When the SCO layer is thin, the interfacial superexchange coupling supported by charge transfer generates a weak magnetic moment to pin the ferromagnetic LCMO layer. As the SCO layer thickens, the charge transfer will decrease. Meanwhile, the long-range antiferromagnetic order in thicken SCO layer can interact with LCMO layer, resulting in the exchange bias effect. This experiment confirms the important role of dimensionality in modulating the properties in multifunctional oxide heterostructure.
The coupling and competition between various degrees of freedom at the interface of transition metal oxide heterointerfaces greatly enrich their physical properties and expand their relevant application scope. It has been reported that dimensionality is an effective method to regulate the properties of oxide heterostructure. The structure of SCO film exhibits a planar-type-to-chain-type transformation with the change of thickness. In this work, the high-quality SCO/LCMO superlattices are deposited by a pulsed laser deposition system. And the interfacial exchange coupling effect is effectively manipulated by controlling the dimensionality of SCO layer. X-ray absorption spectrum (XAS) measurement shows that the charge transfer occurs at the heterointerface. When the SCO layer is thin, the interfacial superexchange coupling supported by charge transfer generates a weak magnetic moment to pin the ferromagnetic LCMO layer. As the SCO layer thickens, the charge transfer will decrease. Meanwhile, the long-range antiferromagnetic order in thicken SCO layer can interact with LCMO layer, resulting in the exchange bias effect. This experiment confirms the important role of dimensionality in modulating the properties in multifunctional oxide heterostructure.
2024, 73(21): 216103.
doi: 10.7498/aps.73.20240896
Abstract:
The Ti-2.5Al-2Zr-1Fe used as hull structural material, is susceptible to hydrogen embrittlement induced by corrosion and hydrogen evolution in marine environments. Considering the long-term service of ships, the hydrogen embrittlement behavior under slow strain rate is crucial for evaluating the alloy’s service performance and ensuring long-term ship structural safety. In order to investigate the hydrogen embrittlement mechanism of Ti-2.5Al-2Zr-1Fe alloy under slow strain rate conditions, this study combines slow tension and constant displacement loading techniques to systematically evaluate the attenuation of mechanical properties and the dynamic changes in hydrogen embrittlement sensitivity of hydrogen-containing Ti-2.5Al-2Zr-1Fe alloy. Employing scanning electron microscopy (SEM), we thoroughly analyze the microstructural features of fracture surfaces. Meanwhile, the close correlation between the brittle zone at the fracture site and the macroscopic distribution of hydrogen atoms is elucidated by using secondary ion mass spectrometry (SIMS). Additionally, theoretical analysis based on diffusion equations reveals a notable increase in hydrogen diffusion distance within the Ti-2.5Al-2Zr-1Fe alloy as hydrogen charging time increases. Further, using the dislocation-hydrogen interaction model, we derive a critical strain rate threshold\begin{document}$ {\varepsilon _0} = {{\left( {30RT} \right)} {/ } {\left( {\rho DE} \right)}} $\end{document} for dislocation-mediated hydrogen transport in titanium alloys. When the externally applied strain rate ε falls below this threshold, dislocations efficiently capture and transport hydrogen atoms, enhancing hydrogen diffusion depth and significantly augmenting the alloy’s hydrogen embrittlement sensitivity, thereby accelerating material embrittlement. The Vickers-hardness (HV) test further elucidates the dual nature of hydrogen’s influence on titanium alloy properties: although moderate hydrogen content slightly enhances surface hardness, exceeding a specific threshold leads to a major negative influence on plasticity, far exceeding the benefits of surface hardening, resulting in a substantial decline in overall mechanical performance. To comprehensively decipher the hydrogen embrittlement mechanism of Ti-2.5Al-2Zr-1Fe alloy, transmission electron microscopy (TEM) is employed to analyze the phase composition in regions of high hydrogen concentration, crack tips, and their vicinities. The analysis results indicate that no direct precipitation of hydrides is observed; instead, hydrogen atoms preferentially accumulate in the β-phase, prompting microcrack propagation along β-phase boundaries. According to the aforementioned experimental data and microstructural analysis, we propose that the hydrogen embrittlement mechanism in Ti-2.5Al-2Zr-1Fe alloy is primarily governed by the HEDE mechanism. Furthermore, when the strain rate falls below ε0, it synergizes with the dislocation-mediated hydrogen transport mechanism, vastly expanding the influence scope of the HEDE mechanism and exacerbating the alloy’s hydrogen embrittlement sensitivity.
The Ti-2.5Al-2Zr-1Fe used as hull structural material, is susceptible to hydrogen embrittlement induced by corrosion and hydrogen evolution in marine environments. Considering the long-term service of ships, the hydrogen embrittlement behavior under slow strain rate is crucial for evaluating the alloy’s service performance and ensuring long-term ship structural safety. In order to investigate the hydrogen embrittlement mechanism of Ti-2.5Al-2Zr-1Fe alloy under slow strain rate conditions, this study combines slow tension and constant displacement loading techniques to systematically evaluate the attenuation of mechanical properties and the dynamic changes in hydrogen embrittlement sensitivity of hydrogen-containing Ti-2.5Al-2Zr-1Fe alloy. Employing scanning electron microscopy (SEM), we thoroughly analyze the microstructural features of fracture surfaces. Meanwhile, the close correlation between the brittle zone at the fracture site and the macroscopic distribution of hydrogen atoms is elucidated by using secondary ion mass spectrometry (SIMS). Additionally, theoretical analysis based on diffusion equations reveals a notable increase in hydrogen diffusion distance within the Ti-2.5Al-2Zr-1Fe alloy as hydrogen charging time increases. Further, using the dislocation-hydrogen interaction model, we derive a critical strain rate threshold
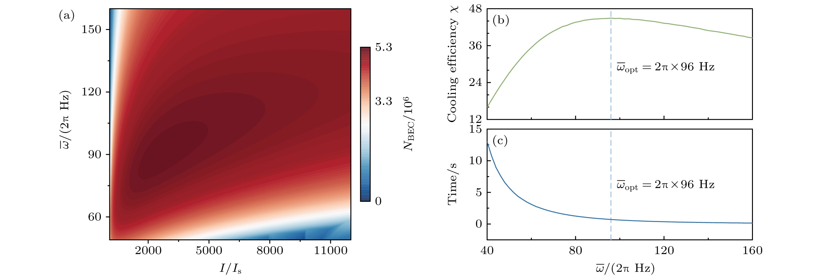
2024, 73(21): 216701.
doi: 10.7498/aps.73.20241299
Abstract:
In magnetic atomic gases, the dipolar relaxation process couples the system spin and kinetic degrees of freedom. When the average kinetic energy is significantly lower than the Zeeman splitting, the atoms predominantly occupy the lowest Zeeman state. As the Zeeman splitting approaches the average kinetic energy, some atoms transfer to adjacent Zeeman states through dipolar relaxation, converting kinetic energy into Zeeman energy. By utilizing optical pumping, atoms transferred to higher spin states can be repumped to the ground state, thereby achieving a continuous cooling cycle and effectively lowering the system’s temperature. As the energy removed in a single cooling cycle is much larger than the energy of scattered photons, this demagnetization cooling scheme significantly enhances cooling effciency and reduces atomic loss. In this work, we establish state-coupled equations that incorporate dipolar relaxation and optical pumping to analyze the demagnetization cooling process, modeling the evolution of atom number and temperature during the cooling of\begin{document}$^{164}{\text{Dy}}$\end{document} atoms. We develop a strategy to generate an optimal magnetic field waveform by maximizing the demagnetization rate. Based on this strategy, we investigate the influence of crucial experimental parameters on demagnetization cooling and determine their specific ranges for producing large atom number of BEC, including the optical dipole trap frequency, as well as the intensity and polarization purity of the optical pumping light. The results indicate that demagnetization cooling enables the direct preparation of a large number of dysprosium BEC with sub-second timescales, reducing the cooling time by an order of magnitude compared to conventional methods for dysprosium atoms. Furthermore, it could achieve a cooling effciency of \begin{document}$\chi \approx 44.92$\end{document} , an order of magnitude higher than that of traditional evaporative cooling.
In magnetic atomic gases, the dipolar relaxation process couples the system spin and kinetic degrees of freedom. When the average kinetic energy is significantly lower than the Zeeman splitting, the atoms predominantly occupy the lowest Zeeman state. As the Zeeman splitting approaches the average kinetic energy, some atoms transfer to adjacent Zeeman states through dipolar relaxation, converting kinetic energy into Zeeman energy. By utilizing optical pumping, atoms transferred to higher spin states can be repumped to the ground state, thereby achieving a continuous cooling cycle and effectively lowering the system’s temperature. As the energy removed in a single cooling cycle is much larger than the energy of scattered photons, this demagnetization cooling scheme significantly enhances cooling effciency and reduces atomic loss. In this work, we establish state-coupled equations that incorporate dipolar relaxation and optical pumping to analyze the demagnetization cooling process, modeling the evolution of atom number and temperature during the cooling of
2024, 73(21): 217101.
doi: 10.7498/aps.73.20241132
Abstract:
In this work, Gd20+2xHo20–xEr20–xCo20Ni10Al10 (x = 0, 5, 10) high-entropy metallic glasses (MGs) with a critical diameter of 2 mm are successfully designed and fabricated by substituting Gd, Ho and Er. The effects of type and content of rare-earth (RE) elements on the microstructure, thermodynamic behaviors, and magnetocaloric effect (MCE) are investigated systematically. The amorphous structures of the ribbons and as-cast rods are confirmed by X-ray diffraction (XRD) with Cu Kα radiation (2θ = 20°–80°). The atomic-scale ordered configurations are examined by using high-resolution transmission electron microscope (HRTEM). Thermal analysis is carried out on differential scanning calorimeter (DSC) with a heating rate of 20 K/min by using ribbons. The magnetic measurements are conducted by using magnetometer in a temperature range of 5–180 K. According to DSC traces, it is suggested that as Ho and Er are replaced by Gd, the thermal stability of MGs slightly decreases, for example, both glass transition temperature (Tg) and initial crystallization temperature (Tx) decrease gradually, meanwhile the liquidus temperature (Tl) increases, which results in a reduction of glass-forming ability criteria such as the reduced glass transition temperatures Trg (Trg = Tg/Tl), γ (γ = Tx/(Tg + Tl)), and γm (γm = (2Tx – Tg)/Tl), thermodynamically. The analyses based on XRD and HRTEM show that the degree of order in MGs decreases with Gd content increasing, which facilitates the glass formation. The magnetocaloric parameters such as Curie temperature (Tc), maximum magnetic entropy change (\begin{document}$ | {\Delta S_{\text{M}}^{{\text{pk}}}} | $\end{document} ) and relative cooling power (RCP) all increase gradually with the addition of Gd. The Gd40Ho10Er10CoNiAl exhibits the best refrigeration performance in all studied systems, where the peak value of \begin{document}$ |{\Delta S}_{{\mathrm{M}}}| $\end{document} is 8.31 J/(kg·K) and RCP is 740.82 J/kg. The results indicate that MCEs of MGs including RCP, Tc and \begin{document}$ | {\Delta S_{\text{M}}^{{\text{pk}}}} | $\end{document} , mainly depend on the de Gennes factor rather than the effective magnetic moment, while thermodynamic properties are more affected by the f-d hybridization effect. As the number of 4f electrons increases, the thermal stability increases with the degree f-d orbital hybridization increasing. In summary, the RE-based MG with high thermal stability and adjustable Tc can be achieved by the RE substitution via adjusting the number of 4f electrons.
In this work, Gd20+2xHo20–xEr20–xCo20Ni10Al10 (x = 0, 5, 10) high-entropy metallic glasses (MGs) with a critical diameter of 2 mm are successfully designed and fabricated by substituting Gd, Ho and Er. The effects of type and content of rare-earth (RE) elements on the microstructure, thermodynamic behaviors, and magnetocaloric effect (MCE) are investigated systematically. The amorphous structures of the ribbons and as-cast rods are confirmed by X-ray diffraction (XRD) with Cu Kα radiation (2θ = 20°–80°). The atomic-scale ordered configurations are examined by using high-resolution transmission electron microscope (HRTEM). Thermal analysis is carried out on differential scanning calorimeter (DSC) with a heating rate of 20 K/min by using ribbons. The magnetic measurements are conducted by using magnetometer in a temperature range of 5–180 K. According to DSC traces, it is suggested that as Ho and Er are replaced by Gd, the thermal stability of MGs slightly decreases, for example, both glass transition temperature (Tg) and initial crystallization temperature (Tx) decrease gradually, meanwhile the liquidus temperature (Tl) increases, which results in a reduction of glass-forming ability criteria such as the reduced glass transition temperatures Trg (Trg = Tg/Tl), γ (γ = Tx/(Tg + Tl)), and γm (γm = (2Tx – Tg)/Tl), thermodynamically. The analyses based on XRD and HRTEM show that the degree of order in MGs decreases with Gd content increasing, which facilitates the glass formation. The magnetocaloric parameters such as Curie temperature (Tc), maximum magnetic entropy change (
2024, 73(21): 217201.
doi: 10.7498/aps.73.20241044
Abstract:
Carrier mobility is a key parameter determining the response speed of charge carriers to electric fields in nanoelectronic devices. This study aims to investigate the charge carrier transport properties of monolayer IrSCl and IrSI. Using first-principles calculations based on density functional theory, we systematically investigate the electronic structure and transport properties of monolayer IrSCl and IrSI. The phonon dispersion calculations indicate that both IrSCl and IrSI exhibit no imaginary frequencies, confirming their structural stability. Furthermore, molecular dynamics simulations demonstrate that these materials maintain thermal stability at room temperature (300 K). The evaluation of the bandgap by using the Perdew-Burke-Ernzerhof (PBE) functional and the hybrid HSE06 functional shows that both IrSCl and IrSI are indirect bandgap semiconductors. The bandgap values for monolayer IrSCl are 0.37 eV and 1.58 eV under the PBE functional and the HSE06 functional, respectively, while those for monolayer IrSI are 0.23 eV and 1.36 eV under the PBE functional and the HSE06 functional, respectively. We further investigate the effects of biaxial tensile strain on the bandgap. The bandgap of IrSCl and IrSI decrease with the increase of strain, respectively reaching 0.05 eV and 0.01 eV under the PBE functional at a strain of 6%, indicating a strain-induced transition to metallic behavior. According to deformation potential theory and the Boltzmann transport equation, we calculate the carrier mobility for each of monolayer IrSCl and IrSI. The predicted maximum carrier mobility at room temperature is 407.77 cm2/(V·s) for monolayer IrSCl, and 202.64 cm2/(V·s) for monolayer IrSI. Additionally, the results from the Boltzmann transport equation show that the highest mobility is 299.15 cm2/(V·s) for IrSCl and 286.41 cm2/(V·s) for IrSI. These findings suggest that both IrSCl and IrSI possess favorable electronic and transport properties, thus they have become promising candidates for future applications in the field of two-dimensional nanoelectronic devices. Notably, the combination of a moderate bandgap and high carrier mobility at room temperature indicates their potential applications in the fields of transistors, sensors, and other electronic components. This study provides valuable insights into the material properties of IrSCl and IrSI, contributing to the design of novel two-dimensional materials for electronic applications.
Carrier mobility is a key parameter determining the response speed of charge carriers to electric fields in nanoelectronic devices. This study aims to investigate the charge carrier transport properties of monolayer IrSCl and IrSI. Using first-principles calculations based on density functional theory, we systematically investigate the electronic structure and transport properties of monolayer IrSCl and IrSI. The phonon dispersion calculations indicate that both IrSCl and IrSI exhibit no imaginary frequencies, confirming their structural stability. Furthermore, molecular dynamics simulations demonstrate that these materials maintain thermal stability at room temperature (300 K). The evaluation of the bandgap by using the Perdew-Burke-Ernzerhof (PBE) functional and the hybrid HSE06 functional shows that both IrSCl and IrSI are indirect bandgap semiconductors. The bandgap values for monolayer IrSCl are 0.37 eV and 1.58 eV under the PBE functional and the HSE06 functional, respectively, while those for monolayer IrSI are 0.23 eV and 1.36 eV under the PBE functional and the HSE06 functional, respectively. We further investigate the effects of biaxial tensile strain on the bandgap. The bandgap of IrSCl and IrSI decrease with the increase of strain, respectively reaching 0.05 eV and 0.01 eV under the PBE functional at a strain of 6%, indicating a strain-induced transition to metallic behavior. According to deformation potential theory and the Boltzmann transport equation, we calculate the carrier mobility for each of monolayer IrSCl and IrSI. The predicted maximum carrier mobility at room temperature is 407.77 cm2/(V·s) for monolayer IrSCl, and 202.64 cm2/(V·s) for monolayer IrSI. Additionally, the results from the Boltzmann transport equation show that the highest mobility is 299.15 cm2/(V·s) for IrSCl and 286.41 cm2/(V·s) for IrSI. These findings suggest that both IrSCl and IrSI possess favorable electronic and transport properties, thus they have become promising candidates for future applications in the field of two-dimensional nanoelectronic devices. Notably, the combination of a moderate bandgap and high carrier mobility at room temperature indicates their potential applications in the fields of transistors, sensors, and other electronic components. This study provides valuable insights into the material properties of IrSCl and IrSI, contributing to the design of novel two-dimensional materials for electronic applications.
2024, 73(21): 217202.
doi: 10.7498/aps.73.20240864
Abstract:
Half-band-gap turn-on characteristic is a unique photoelectric property of organic light-emitting diodes (OLEDs), and has advantage in the development of low driving voltage devices. But the physical mechanism that the electron injection layer (EIL) affects the half-band-gap turn-on characteristic has not been reported. In this work, the change from half-band-gap turn-on electroluminescence (EL) to sub-band-gap turn-on EL to normal turn-on EL is observed by regulating the electron mobility of EIL in Rubrene/C60 based devices. Three sets of devices are fabricated by using BCP (~10–3 cm2/(V·s), Dev. 1), Bphen (~10–4 cm2/(V·s), Dev. 2) and TPBi (~10–5 cm2/(V·s), Dev. 3) as EIL materials. By measuring the I-B-V curves of devices at room temperature, it is found that the turn-on voltages of devices obviously increase by an order of magnitude with electron mobility of EIL decreasing. Specifically, the turn-on voltage of Dev. 1, Dev. 2, and Dev. 3 exhibit the physical phenomena of half-band-gap turn-on (1.1 V), sub-band-gap turn-on (2.1 V) and normal turn-on (4.1 V) properties, respectively. The magneto-electroluminescence (MEL) results show that the half-band-gap turn-on characteristic of high EIL electron mobility (Dev. 1) is attributed to the triplet-triplet annihilation (TTA, T1,Rb + T1,Rb → S1,Rb + S0) process which can effectively reduce the turn-on voltage. However, the half-band-gap turn-on characteristic is not observed in the devices (Dev. 2 and Dev. 3) with low carrier mobility, which can be reasonably explained by a higher voltage that is applied to the EIL with low electron mobility in order to inject more electrons. The higher voltage offsets the reduced turn-on voltage of the TTA process, resulting in Dev. 2 and Dev. 3 with sub-band-gap turn-on and normal turn-on, respectively. In addition, although the TTA process is observed in all three devices, the TTA process is stronger and the EL is higher in Dev. 1 with high EIL electron mobility. This is because a large number of triplet Rubrene/C60 exciplex states (EX3) are formed at the Rubrene/C60 interface, enhancing the Dexter energy transfer (DET, EX3 → T1,Rb) process from EX3 to triplet exciton of Rubrene (T1,Rb). That is, Dev. 1 exhibits stronger TTA process and higher EL due to the presence of a large number of T1,Rb excitons formed by DET process than Dev. 2 and Dev. 3. Furthermore, by measuring the I-V curves of devices at low temperature, it is found that the reduced carrier mobility caused by lowering operational temperature increases the turn-on voltages of these three devices. The significantly different increases in the turn-on voltages of Dev. 1–3 at the same low temperature are due to the different influences of temperature on the electron mobility of EIL. The tradeoff between the decrease of carrier mobility and the extension of exciton lifetime makes the MEL curves present different temperature-dependent behaviors. This work further deepens the understanding of the influence of EIL electron mobility on the turn-on voltage and the related physical microscopic mechanism in Rubrene/C60 devices.
Half-band-gap turn-on characteristic is a unique photoelectric property of organic light-emitting diodes (OLEDs), and has advantage in the development of low driving voltage devices. But the physical mechanism that the electron injection layer (EIL) affects the half-band-gap turn-on characteristic has not been reported. In this work, the change from half-band-gap turn-on electroluminescence (EL) to sub-band-gap turn-on EL to normal turn-on EL is observed by regulating the electron mobility of EIL in Rubrene/C60 based devices. Three sets of devices are fabricated by using BCP (~10–3 cm2/(V·s), Dev. 1), Bphen (~10–4 cm2/(V·s), Dev. 2) and TPBi (~10–5 cm2/(V·s), Dev. 3) as EIL materials. By measuring the I-B-V curves of devices at room temperature, it is found that the turn-on voltages of devices obviously increase by an order of magnitude with electron mobility of EIL decreasing. Specifically, the turn-on voltage of Dev. 1, Dev. 2, and Dev. 3 exhibit the physical phenomena of half-band-gap turn-on (1.1 V), sub-band-gap turn-on (2.1 V) and normal turn-on (4.1 V) properties, respectively. The magneto-electroluminescence (MEL) results show that the half-band-gap turn-on characteristic of high EIL electron mobility (Dev. 1) is attributed to the triplet-triplet annihilation (TTA, T1,Rb + T1,Rb → S1,Rb + S0) process which can effectively reduce the turn-on voltage. However, the half-band-gap turn-on characteristic is not observed in the devices (Dev. 2 and Dev. 3) with low carrier mobility, which can be reasonably explained by a higher voltage that is applied to the EIL with low electron mobility in order to inject more electrons. The higher voltage offsets the reduced turn-on voltage of the TTA process, resulting in Dev. 2 and Dev. 3 with sub-band-gap turn-on and normal turn-on, respectively. In addition, although the TTA process is observed in all three devices, the TTA process is stronger and the EL is higher in Dev. 1 with high EIL electron mobility. This is because a large number of triplet Rubrene/C60 exciplex states (EX3) are formed at the Rubrene/C60 interface, enhancing the Dexter energy transfer (DET, EX3 → T1,Rb) process from EX3 to triplet exciton of Rubrene (T1,Rb). That is, Dev. 1 exhibits stronger TTA process and higher EL due to the presence of a large number of T1,Rb excitons formed by DET process than Dev. 2 and Dev. 3. Furthermore, by measuring the I-V curves of devices at low temperature, it is found that the reduced carrier mobility caused by lowering operational temperature increases the turn-on voltages of these three devices. The significantly different increases in the turn-on voltages of Dev. 1–3 at the same low temperature are due to the different influences of temperature on the electron mobility of EIL. The tradeoff between the decrease of carrier mobility and the extension of exciton lifetime makes the MEL curves present different temperature-dependent behaviors. This work further deepens the understanding of the influence of EIL electron mobility on the turn-on voltage and the related physical microscopic mechanism in Rubrene/C60 devices.
2024, 73(21): 217301.
doi: 10.7498/aps.73.20240996
Abstract:
The performances of beryllium-doped graphdiyne (GDY), which is used as an anode material for lithium-ion batteries at various doping sites, are investigated by first-principles methods based on density functional theory. Calculations of the formation energy and cohesive energy of GDY at different doping concentrations indicate that beryllium-doped GDY has excellent prospects for experimental synthesis. More importantly, the beryllium-doped GDY exhibits good electrical conductivity. The adsorption energy for a single lithium atom on beryllium-doped GDY is –4.22 eV, which is significantly higher than that for boron, nitrogen-doped GDY, and intrinsic GDY. As the number of stored lithium atoms increases, the adsorption energy remains greater than the cohesive energy of solid lithium, and the average open-circuit voltage stays between 0 and 1 V, ensuring the safety of the battery. Additionally, the lithium storage capacity is increased to 881 mAh/g, which is 1.14 times that of undoped GDY and 2.36 times that of graphite. Meanwhile, the diffusion performance of lithium on beryllium-doped GDY is also enhanced. For the CIII site doping system, by studying the ion transports at low, medium, and high lithium concentrations, we find that as the lithium concentration increases, the diffusion barriers are 0.38, 0.44, and 0.77 eV, respectively, making lithium ion movement more difficult, but still superior to those of other element-doped GDY. In summary, beryllium-doped GDY has great potential as an excellent anode material for lithium-ion batteries.
The performances of beryllium-doped graphdiyne (GDY), which is used as an anode material for lithium-ion batteries at various doping sites, are investigated by first-principles methods based on density functional theory. Calculations of the formation energy and cohesive energy of GDY at different doping concentrations indicate that beryllium-doped GDY has excellent prospects for experimental synthesis. More importantly, the beryllium-doped GDY exhibits good electrical conductivity. The adsorption energy for a single lithium atom on beryllium-doped GDY is –4.22 eV, which is significantly higher than that for boron, nitrogen-doped GDY, and intrinsic GDY. As the number of stored lithium atoms increases, the adsorption energy remains greater than the cohesive energy of solid lithium, and the average open-circuit voltage stays between 0 and 1 V, ensuring the safety of the battery. Additionally, the lithium storage capacity is increased to 881 mAh/g, which is 1.14 times that of undoped GDY and 2.36 times that of graphite. Meanwhile, the diffusion performance of lithium on beryllium-doped GDY is also enhanced. For the CIII site doping system, by studying the ion transports at low, medium, and high lithium concentrations, we find that as the lithium concentration increases, the diffusion barriers are 0.38, 0.44, and 0.77 eV, respectively, making lithium ion movement more difficult, but still superior to those of other element-doped GDY. In summary, beryllium-doped GDY has great potential as an excellent anode material for lithium-ion batteries.
2024, 73(21): 218901.
doi: 10.7498/aps.73.20241002
Abstract:
Cascading failure process in interdependent networks has always been an important field of network cascading analysis. Unlike the previous studies, we take people’s demand for minimizing travel costs into consideration in this article and propose a network dynamics model based on the cost constraint. On this basis, we pay attention to the characteristics of different layers in the interdependent network, and taking the real-world traffic network for example, we define different load propagation modes for different layers. Then, we carry out the simulation experiment on cascade failure in the artificial network. By changing the structure of the network and the parameters in the model, such as the capability value of the network side and the connectivity of the network, we are able to focus on the effects of traditional protection strategies during the simulation and obtain some interesting conclusions. It is generally believed that increasing the quantity of connections in the network or improving the quality of edges will enhance the network robustness effectively. However, our experimental results show that these methods may actually reduce network robustness in some cases. On the one hand, we find that the resurrection of some special edges in the network is the main reason for the capacity paradox, as these edges will destroy the stable structure of the original network. On the other hand, neither improving the internal connectivity of a single-layer network nor enhancing the coupling strength between interdependent networks will effectively improve network robustness. This is because as the number of edges increases, some critical edges may appear in the network, attracting a large amount of the network load and leading the network robustness to decrease. These conclusions remind us that blindly investing resources in network construction cannot achieve the best protection effect. Only by scientifically designing the network structures and allocating network resources reasonably can the network robustness be effectively improved.
Cascading failure process in interdependent networks has always been an important field of network cascading analysis. Unlike the previous studies, we take people’s demand for minimizing travel costs into consideration in this article and propose a network dynamics model based on the cost constraint. On this basis, we pay attention to the characteristics of different layers in the interdependent network, and taking the real-world traffic network for example, we define different load propagation modes for different layers. Then, we carry out the simulation experiment on cascade failure in the artificial network. By changing the structure of the network and the parameters in the model, such as the capability value of the network side and the connectivity of the network, we are able to focus on the effects of traditional protection strategies during the simulation and obtain some interesting conclusions. It is generally believed that increasing the quantity of connections in the network or improving the quality of edges will enhance the network robustness effectively. However, our experimental results show that these methods may actually reduce network robustness in some cases. On the one hand, we find that the resurrection of some special edges in the network is the main reason for the capacity paradox, as these edges will destroy the stable structure of the original network. On the other hand, neither improving the internal connectivity of a single-layer network nor enhancing the coupling strength between interdependent networks will effectively improve network robustness. This is because as the number of edges increases, some critical edges may appear in the network, attracting a large amount of the network load and leading the network robustness to decrease. These conclusions remind us that blindly investing resources in network construction cannot achieve the best protection effect. Only by scientifically designing the network structures and allocating network resources reasonably can the network robustness be effectively improved.








