2025 Vol. 74, No. 4
Display Method:
2025, 74(4): 047801.
doi: 10.7498/aps.74.20241292
Abstract:
With the rapid development of photovoltaic technology, crystalline silicon (c-Si) solar cells, as the mainstream photovoltaic devices, have received significant attention due to their excellent performances. In particular, silicon heterojunction (SHJ) solar cells, tunnel oxide passivated contact (TOPCon), and passivated emitter and rear cell (PERC) represent the cutting-edge technologies in c-Si solar cells. The surface passivation layer of crystalline silicon solar cells, as one of the key factors to improve cell performances, has been closely linked to the development of crystalline silicon solar cells. Due to the complex mechanism of passivation layer and the high requirements of experimental research, achieving high quality surface passivation is challenging. In this paper, the key issues and research progress of interface passivation technologies for SHJ, TOPCon, and PERC solar cells are comprehensively reviewed. Firstly, the research progress of key technological breakthrough in SHJ solar cell is reviewed systematically, and the influences of growth conditions and doping layer on the passivation performances of SHJ solar cell are discussed in detail. Secondly, the important strategies and research achievements for improving the passivation performances of TOPCon and PERC solar cells in the past five years are systematically described. Finally, the development trend of passivation layer technology is prospected. This review provides valuable insights for improving future technology and enhancing performance of c-Si solar cells.
With the rapid development of photovoltaic technology, crystalline silicon (c-Si) solar cells, as the mainstream photovoltaic devices, have received significant attention due to their excellent performances. In particular, silicon heterojunction (SHJ) solar cells, tunnel oxide passivated contact (TOPCon), and passivated emitter and rear cell (PERC) represent the cutting-edge technologies in c-Si solar cells. The surface passivation layer of crystalline silicon solar cells, as one of the key factors to improve cell performances, has been closely linked to the development of crystalline silicon solar cells. Due to the complex mechanism of passivation layer and the high requirements of experimental research, achieving high quality surface passivation is challenging. In this paper, the key issues and research progress of interface passivation technologies for SHJ, TOPCon, and PERC solar cells are comprehensively reviewed. Firstly, the research progress of key technological breakthrough in SHJ solar cell is reviewed systematically, and the influences of growth conditions and doping layer on the passivation performances of SHJ solar cell are discussed in detail. Secondly, the important strategies and research achievements for improving the passivation performances of TOPCon and PERC solar cells in the past five years are systematically described. Finally, the development trend of passivation layer technology is prospected. This review provides valuable insights for improving future technology and enhancing performance of c-Si solar cells.
2025, 74(4): 040301.
doi: 10.7498/aps.74.20241615
Abstract:
In this work, a one-dimensional interacting anyon model with a Stark potential in the finite size is studied. Using the fractional Jordan Wigner transformation, the anyons in the one-dimensional system are mapped onto bosons, which are described by the following Hamiltonian: \begin{document}$ \begin{aligned} \hat{H}^{\text{boson}}=-J\sum_{j=1}^{L-1}\left( \hat{b}_{j}^{\dagger}\hat{b}_{j+1}{\mathrm{e}}^{{\mathrm{i}}\theta \hat{n}_{j}}+{\mathrm{h.c.}}\right)+\frac{U}{2}\sum_{j=1}^{L}\hat{n}_{j}\left( \hat{n}_{j}-1\right)+\sum_{j=1}^{L}{h}_{j}\hat{n}_{j},\;\;\;\;\;\;\;\;\;\end{aligned}$\end{document} where θ is the statistical angle, and the on-site potential is \begin{document}$h_{j}=-\gamma\left(j-1\right) +\alpha\Big( \dfrac{j-1}{L-1}\Big)^{2}$\end{document} with γ representing the strength of the Stark linear potential and α denoting the strength of the nonlinear part. Using the exact diagonalization method, the spectral statistics, half-chain entanglement entropy and particle imbalance are numerically analyzed to investigate the onset of many-body localization (MBL) in this interacting anyon system, induced by increasing the linear potential strength. As the Stark linear potential strength increases, the spectral statistics transforms from a Gaussian ensemble into a Poisson ensemble. In the ergodic phase, except for θ = 0 and π, where the average value of the gap-ratio parameter \begin{document}$\left\langle r\right\rangle\approx 0.53$\end{document} , due to the destruction of time reversal symmetry, the Hamiltonian matrix becomes a complex Hermit matrix and \begin{document}$\left\langle r\right\rangle\approx 0.6$\end{document} . In the MBL phase, \begin{document}$\left\langle r\right\rangle\approx 0.39$\end{document} , which is independent of θ. However, in the intermediate γ regime, the value of \begin{document}$\left\langle r\right\rangle$\end{document} strongly depends on the choice of θ. The average of the half-chain entanglement entropy transforms from a volume law into an area law, which allows us to construct a θ-dependent MBL phase diagram. In the ergodic phase, the entanglement entropy S(t) of the half chain increases linearly with time. In the MBL phase, S(t) grows logarithmically with time, reaching a stable value that depends on the anyon statistical angle. The localization of particles in a quench dynamics can provide the evidence for the breakdown of ergodicity and is experimentally observable. It is observed that with the increase of γ, the even-odd particle imbalance changes from zero to non-zero values in the long-time limit. In the MBL phase, the long-time average value of the imbalance is dependent on the anyon statistical angle θ. From the Hamiltonian \begin{document}$\hat{H}^{\text{boson}}$\end{document} , it can be inferred that the statistical behavior of anyon system equally changes the hopping interactions in boson system, which is a many-body effect. By changing the statistical angle θ, the many-body interactions in the system are correspondingly changed. And the change of the many-body interaction strength affects the occurrence of the MBL transition, which is also the reason for MBL transition changing with the anyon statistical angle θ. Our results provide new insights into the study of MBL in anyon systems and whether such phenomena persist in the thermodynamic limit needs further discussing in the future.
2025, 74(4): 040302.
doi: 10.7498/aps.74.20241375
Abstract:
Quantum key distribution (QKD) has been extensively studied for practical applications. Advantage distillation (AD) represents a key technique to extract highly correlated bit pairs from weakly correlated ones, thus improving QKD protocol performance, particularly in large-error scenarios. However, its practical implementation remains under-explored. In this study, the AD is integrated into the three-intensity decoy-state BB84 protocol and its performance is demonstrated on a high-speed phase-encoding platform. The experimental system employs an asymmetric Mach-Zehnder interferometer (AMZI) fabricated on a silicon dioxide optical waveguide chip for phase encoding, which is benefited from its low coupling loss and minimum waveguide transmission loss. Phase-randomized weak coherent pulses, generated by a distributed feedback laser at 625 MHz, are modulated into decoy states of varying intensities. The signals are encoded via an AMZI and attenuated to single-photon levels before transmission. At the receiver, another AMZI demodulates the signals detected by avalanche photodiodes in gated mode. Experiments conducted at 50 km and 105 km demonstrate secure key rates of 104 kbits/s and 59 bits/s, respectively. The results at shorter distances closely match theoretical predictions, while slight deviations at 105 km are attributed to signal attenuation and noise. Despite these challenges, the results obtained at 105 km highlight the effectiveness of AD in enhancing secure key rates in the large-error scenario. This study confirms the potential of AD in extending secure communication range of QKD. By leveraging the high integration and scalability of silicon dioxide photonic chips, the proposed system lays a foundation for large-scale QKD deployment, paving the way for developing advanced protocols and real-world quantum networks.
Quantum key distribution (QKD) has been extensively studied for practical applications. Advantage distillation (AD) represents a key technique to extract highly correlated bit pairs from weakly correlated ones, thus improving QKD protocol performance, particularly in large-error scenarios. However, its practical implementation remains under-explored. In this study, the AD is integrated into the three-intensity decoy-state BB84 protocol and its performance is demonstrated on a high-speed phase-encoding platform. The experimental system employs an asymmetric Mach-Zehnder interferometer (AMZI) fabricated on a silicon dioxide optical waveguide chip for phase encoding, which is benefited from its low coupling loss and minimum waveguide transmission loss. Phase-randomized weak coherent pulses, generated by a distributed feedback laser at 625 MHz, are modulated into decoy states of varying intensities. The signals are encoded via an AMZI and attenuated to single-photon levels before transmission. At the receiver, another AMZI demodulates the signals detected by avalanche photodiodes in gated mode. Experiments conducted at 50 km and 105 km demonstrate secure key rates of 104 kbits/s and 59 bits/s, respectively. The results at shorter distances closely match theoretical predictions, while slight deviations at 105 km are attributed to signal attenuation and noise. Despite these challenges, the results obtained at 105 km highlight the effectiveness of AD in enhancing secure key rates in the large-error scenario. This study confirms the potential of AD in extending secure communication range of QKD. By leveraging the high integration and scalability of silicon dioxide photonic chips, the proposed system lays a foundation for large-scale QKD deployment, paving the way for developing advanced protocols and real-world quantum networks.
2025, 74(4): 040303.
doi: 10.7498/aps.74.20241514
Abstract:
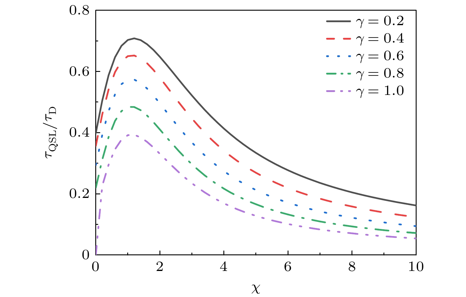
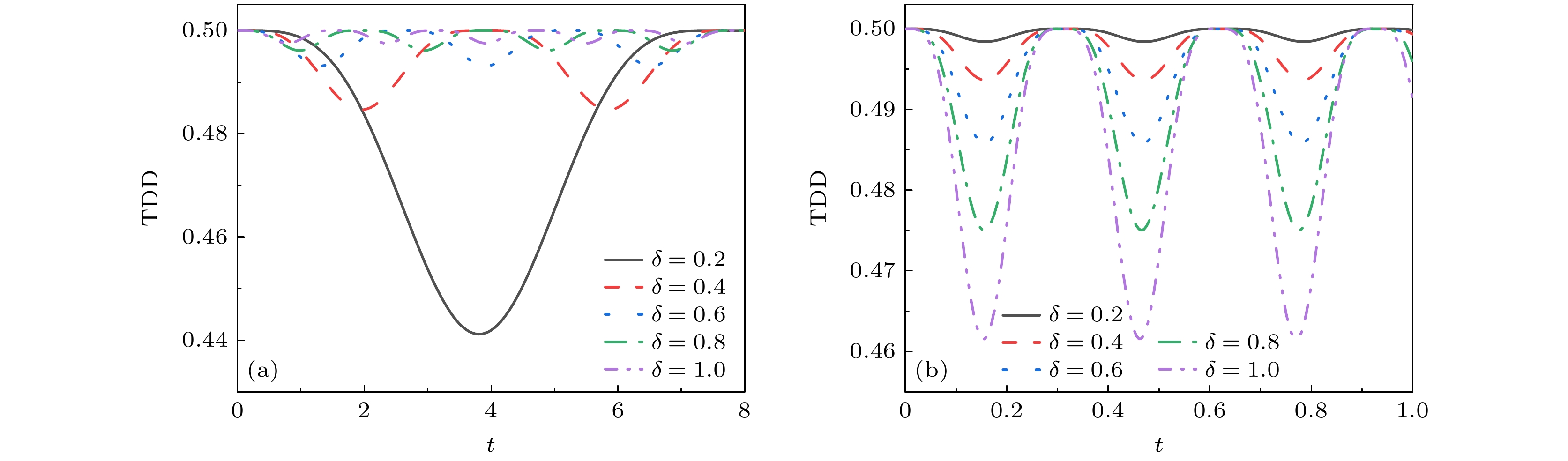
The exploration of the quantum nature of gravity has always been the focus of academic research. In this work, we consider a double “gravitational cat state” quantum system consisting of a pair of massive particles coupled with gravitational interaction confined in their respective double potential wells. Specifically, we model the double “gravitational cat state” system as a two-qubit system by assuming that the system is initially in the two-qubit Bell state, and investigate the effects of stable classical field and decayed field noise on the quantum speed limit time (QSLT) and trace distance discord (TDD) dynamics of the double “gravitational cat state”. The results show that the QSLT can be controlled by changing the parameters of the system and the environment, and the quantum state dynamic evolution of the system with massive particles can be accelerated. The quantum state evolution can be accelerated by increasing the gravitational coupling intensity between the two massive particles. The decay rate of the decaying field can also regulate the QSLT of the system to a certain extent, so as to accelerate the quantum state evolution. Under the influence of decaying field noise, it is worth noting that the intensity of gravitational coupling affects the frequency of quantum discord oscillations in this two-particle system. The QSLT shows an oscillating trend with time: rapidly increasing to a certain value in a short period of time, then beginning to decline, and then oscillating until it reaches a stable value. That is to say, the evolution of quantum states goes through an oscillatory cycle of first deceleration and then acceleration until the evolution rate becomes stable after a certain period of time. At the same time, there are similar oscillations in the dynamics of quantum discord. Moreover, by comparing these two, it is found that the QSLT decreases in the process of increasing the quantum discord in the system. When the discord oscillation has regularity, the QSLT tends to a certain value, and the quantum discord of the double “gravitational cat state” system has a certain relationship with the QSLT. In other words, the quantum discord will affect the rate of quantum state evolution to some extent, and the increase of quantum discord between systems will be more conducive to the evolution of quantum states.
The exploration of the quantum nature of gravity has always been the focus of academic research. In this work, we consider a double “gravitational cat state” quantum system consisting of a pair of massive particles coupled with gravitational interaction confined in their respective double potential wells. Specifically, we model the double “gravitational cat state” system as a two-qubit system by assuming that the system is initially in the two-qubit Bell state, and investigate the effects of stable classical field and decayed field noise on the quantum speed limit time (QSLT) and trace distance discord (TDD) dynamics of the double “gravitational cat state”. The results show that the QSLT can be controlled by changing the parameters of the system and the environment, and the quantum state dynamic evolution of the system with massive particles can be accelerated. The quantum state evolution can be accelerated by increasing the gravitational coupling intensity between the two massive particles. The decay rate of the decaying field can also regulate the QSLT of the system to a certain extent, so as to accelerate the quantum state evolution. Under the influence of decaying field noise, it is worth noting that the intensity of gravitational coupling affects the frequency of quantum discord oscillations in this two-particle system. The QSLT shows an oscillating trend with time: rapidly increasing to a certain value in a short period of time, then beginning to decline, and then oscillating until it reaches a stable value. That is to say, the evolution of quantum states goes through an oscillatory cycle of first deceleration and then acceleration until the evolution rate becomes stable after a certain period of time. At the same time, there are similar oscillations in the dynamics of quantum discord. Moreover, by comparing these two, it is found that the QSLT decreases in the process of increasing the quantum discord in the system. When the discord oscillation has regularity, the QSLT tends to a certain value, and the quantum discord of the double “gravitational cat state” system has a certain relationship with the QSLT. In other words, the quantum discord will affect the rate of quantum state evolution to some extent, and the increase of quantum discord between systems will be more conducive to the evolution of quantum states.
2025, 74(4): 040304.
doi: 10.7498/aps.74.20241552
Abstract:
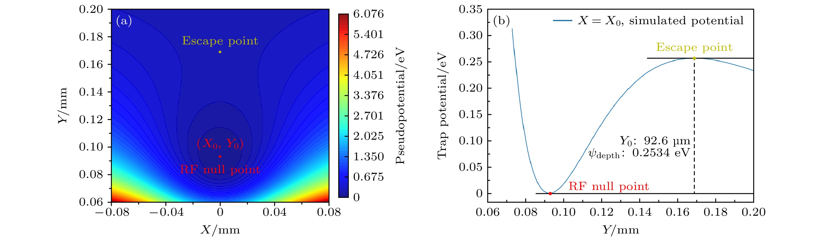
In an integrated ion trap with integrated optical modules, the problem of misalignment between the optical focus and the trapped ion saddle point is very likely to occur, which seriously hinders the practicality of the experimental method. To solve this problem, the multi-RF field method can be used to compensate for and move the ion saddle point position. However, in the actual experimental process, the application of the multi-RF method requires the knowledge of the amplitude of the RF voltage to be loaded corresponding to the actual spatial position of the saddle point. Therefore, a set of mathematical models is established to describe the relationship. The accuracy of the model determines the control accuracy of the spatial position of the saddle point, and the simplicity of the model determines the speed of the solution process. Therefore, in this work, a mathematical model of the relationship between the multi-RF electric field voltage and the saddle point position is proposed based on the numerically simulated electric field distribution and the polynomial fitting method. It can quickly and accurately give a mathematical description between the two without considering the physical mechanism or model. Numerical method is adopted to verify and discuss the correctness and scope of application of the model, and can quickly and accurately provide the amplitude of the RF voltage to be loaded in the experiment, causing the saddle point to move and coincide with the optical focus. This method greatly reduces the time delay caused by the solution and improves the feedback loop bandwidth during the movement of the saddle point position.
In an integrated ion trap with integrated optical modules, the problem of misalignment between the optical focus and the trapped ion saddle point is very likely to occur, which seriously hinders the practicality of the experimental method. To solve this problem, the multi-RF field method can be used to compensate for and move the ion saddle point position. However, in the actual experimental process, the application of the multi-RF method requires the knowledge of the amplitude of the RF voltage to be loaded corresponding to the actual spatial position of the saddle point. Therefore, a set of mathematical models is established to describe the relationship. The accuracy of the model determines the control accuracy of the spatial position of the saddle point, and the simplicity of the model determines the speed of the solution process. Therefore, in this work, a mathematical model of the relationship between the multi-RF electric field voltage and the saddle point position is proposed based on the numerically simulated electric field distribution and the polynomial fitting method. It can quickly and accurately give a mathematical description between the two without considering the physical mechanism or model. Numerical method is adopted to verify and discuss the correctness and scope of application of the model, and can quickly and accurately provide the amplitude of the RF voltage to be loaded in the experiment, causing the saddle point to move and coincide with the optical focus. This method greatly reduces the time delay caused by the solution and improves the feedback loop bandwidth during the movement of the saddle point position.
2025, 74(4): 040501.
doi: 10.7498/aps.74.20241512
Abstract:
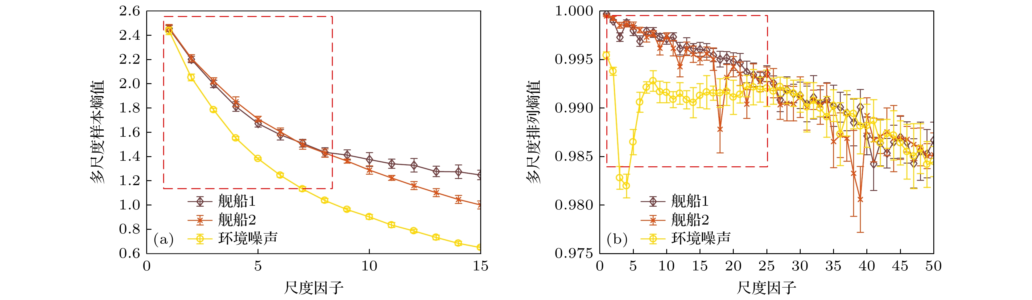
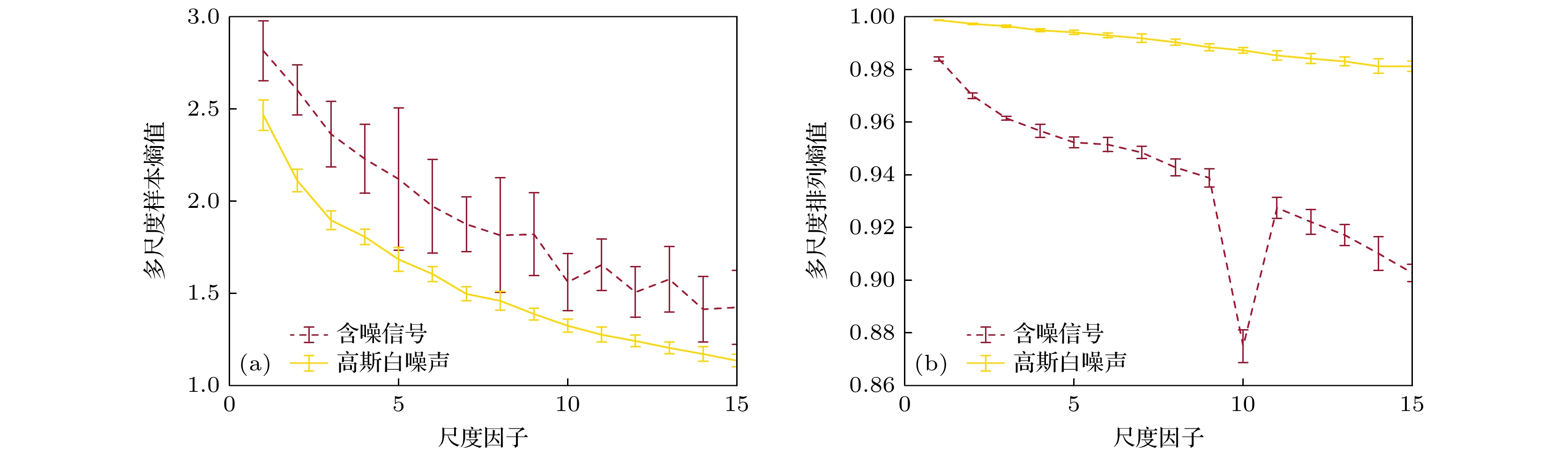
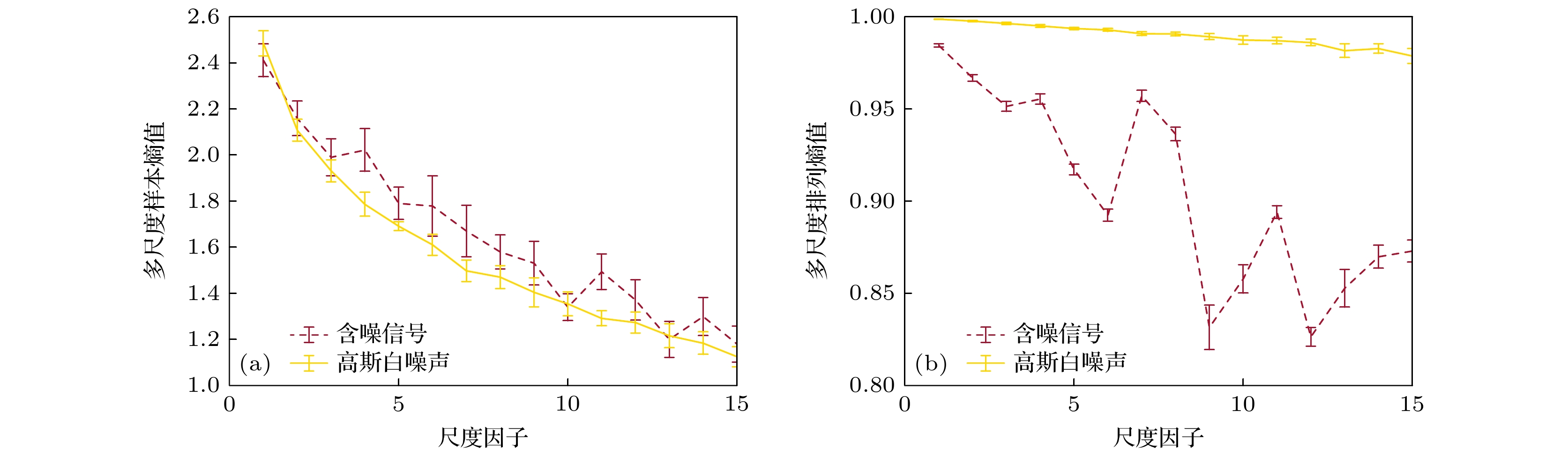
Phase space reconstruction plays a pivotal role in calculating features of nonlinear systems. By mapping one-dimensional time series onto a high-dimensional phase space using phase space reconstruction techniques, the dynamical characteristics of nonlinear systems can be revealed. However, existing nonlinear analysis methods are primarily based on phase space reconstruction of single-channel data and cannot directly utilize the rich information contained in multi-channel array data. The reconstructed data matrix shows the structural similarities with multi-channel array data. The relationship between phase space reconstruction and array data structure, as well as the gain in nonlinear features brought by array data, has not been sufficiently studied. In this paper, two classical nonlinear features: multiscale sample entropy and multiscale permutation entropy are adopted. The array multi-channel data are used to replace the phase space reconstruction step in algorithms so as to enhance the algorithmic performance. Initially, the relationship between phase space reconstruction parameters and actual array structures is analyzed, and conversion relationships are established. Then, multiple sets of simulated and real-world array data are used to evaluate the performances of the two entropy algorithms. The results show that substituting array data for phase space reconstruction effectively improves the performances of both entropy algorithms. Specifically, the multiscale sample entropy algorithm, when applied to array data, allows for distinguishing between noisy target signals from background noise at low signal-to-noise ratios. At the same time, the multiscale permutation entropy algorithm using array data reveals the complex structure of signals on different time scales more accurately.
Phase space reconstruction plays a pivotal role in calculating features of nonlinear systems. By mapping one-dimensional time series onto a high-dimensional phase space using phase space reconstruction techniques, the dynamical characteristics of nonlinear systems can be revealed. However, existing nonlinear analysis methods are primarily based on phase space reconstruction of single-channel data and cannot directly utilize the rich information contained in multi-channel array data. The reconstructed data matrix shows the structural similarities with multi-channel array data. The relationship between phase space reconstruction and array data structure, as well as the gain in nonlinear features brought by array data, has not been sufficiently studied. In this paper, two classical nonlinear features: multiscale sample entropy and multiscale permutation entropy are adopted. The array multi-channel data are used to replace the phase space reconstruction step in algorithms so as to enhance the algorithmic performance. Initially, the relationship between phase space reconstruction parameters and actual array structures is analyzed, and conversion relationships are established. Then, multiple sets of simulated and real-world array data are used to evaluate the performances of the two entropy algorithms. The results show that substituting array data for phase space reconstruction effectively improves the performances of both entropy algorithms. Specifically, the multiscale sample entropy algorithm, when applied to array data, allows for distinguishing between noisy target signals from background noise at low signal-to-noise ratios. At the same time, the multiscale permutation entropy algorithm using array data reveals the complex structure of signals on different time scales more accurately.
2025, 74(4): 040502.
doi: 10.7498/aps.74.20241271
Abstract:
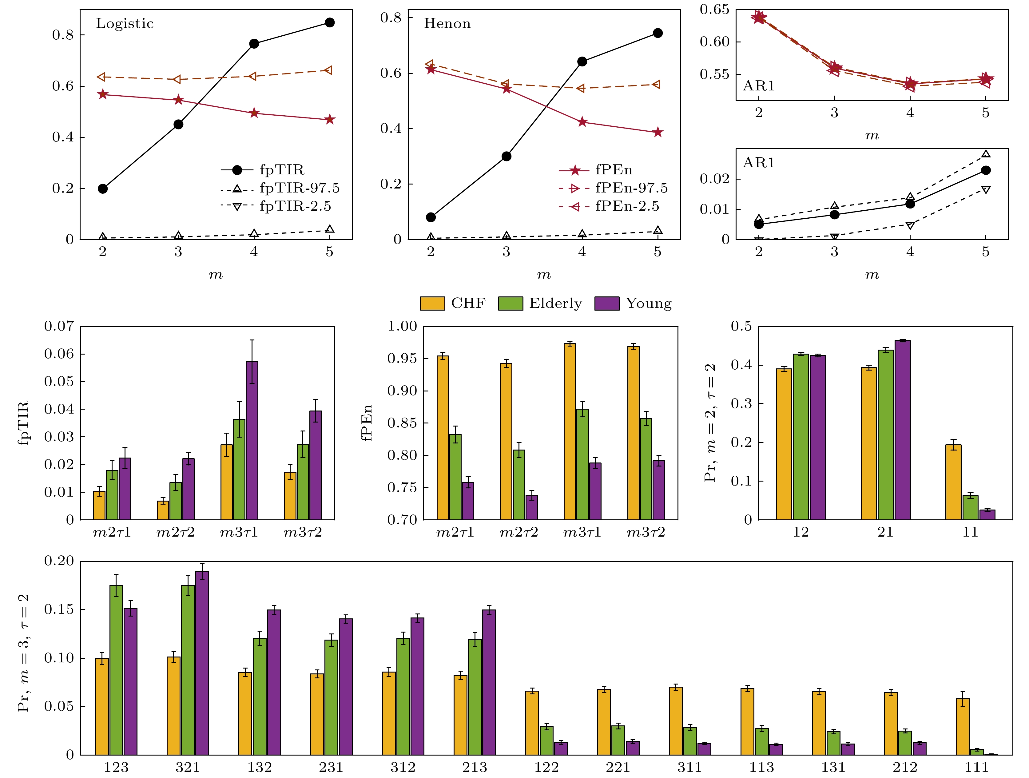
Permutation time irreversibility is an important method to quantify the nonequilibrium characteristics; however, ordinal pattern is a coarse-graining alternative of temporal structure and cannot accurately represent detailed structural information. In this paper, a fuzzy permutation time irreversibility (fpTIR) is proposed by measuring the difference between vector elements based on a negative exponential function. Amplitude permutation of vector is constructed and its membership degree is calculated, then the difference in probability distribution between the forward sequence and backward sequence is measured for fpTIR. For comparison, Shannon entropy is calculated as the average amount of information in the fuzzy permutation probability distribution, i.e. fuzzy permutation entropy (fPEn), to measure the complexity of the system. According to the surrogate theory, mode series are generated by logistic, Henon, and first-order autoregressive systems to verify the fpTIR, which is then used to analyze heart rates of congestive heart failure, healthy elderly and healthy young subjects from PhysioNet database. The results suggest that fpTIR effectively measures the nonequilibrium characteristic of system and improves the accuracy of heart rate analysis. Since fpTIR and fPEn are different in analyzing probability distributions, they have discrepancies in chaotic series and even opposite results in the heart rate signals, where the results of fpTIR are consistent with theory of complexity loss in aging and disease. In conclusion, the fpTIR not only accurately characterizes the structure of sequences and enhances the effect of the nonequilibrium analysis of complex systems, but also provides a new perspective and theoretical basis for exploring complex systems from the perspectives of nonequilibrium dynamics and entropy complexity.
Permutation time irreversibility is an important method to quantify the nonequilibrium characteristics; however, ordinal pattern is a coarse-graining alternative of temporal structure and cannot accurately represent detailed structural information. In this paper, a fuzzy permutation time irreversibility (fpTIR) is proposed by measuring the difference between vector elements based on a negative exponential function. Amplitude permutation of vector is constructed and its membership degree is calculated, then the difference in probability distribution between the forward sequence and backward sequence is measured for fpTIR. For comparison, Shannon entropy is calculated as the average amount of information in the fuzzy permutation probability distribution, i.e. fuzzy permutation entropy (fPEn), to measure the complexity of the system. According to the surrogate theory, mode series are generated by logistic, Henon, and first-order autoregressive systems to verify the fpTIR, which is then used to analyze heart rates of congestive heart failure, healthy elderly and healthy young subjects from PhysioNet database. The results suggest that fpTIR effectively measures the nonequilibrium characteristic of system and improves the accuracy of heart rate analysis. Since fpTIR and fPEn are different in analyzing probability distributions, they have discrepancies in chaotic series and even opposite results in the heart rate signals, where the results of fpTIR are consistent with theory of complexity loss in aging and disease. In conclusion, the fpTIR not only accurately characterizes the structure of sequences and enhances the effect of the nonequilibrium analysis of complex systems, but also provides a new perspective and theoretical basis for exploring complex systems from the perspectives of nonequilibrium dynamics and entropy complexity.
2025, 74(4): 043101.
doi: 10.7498/aps.74.20241589
Abstract:
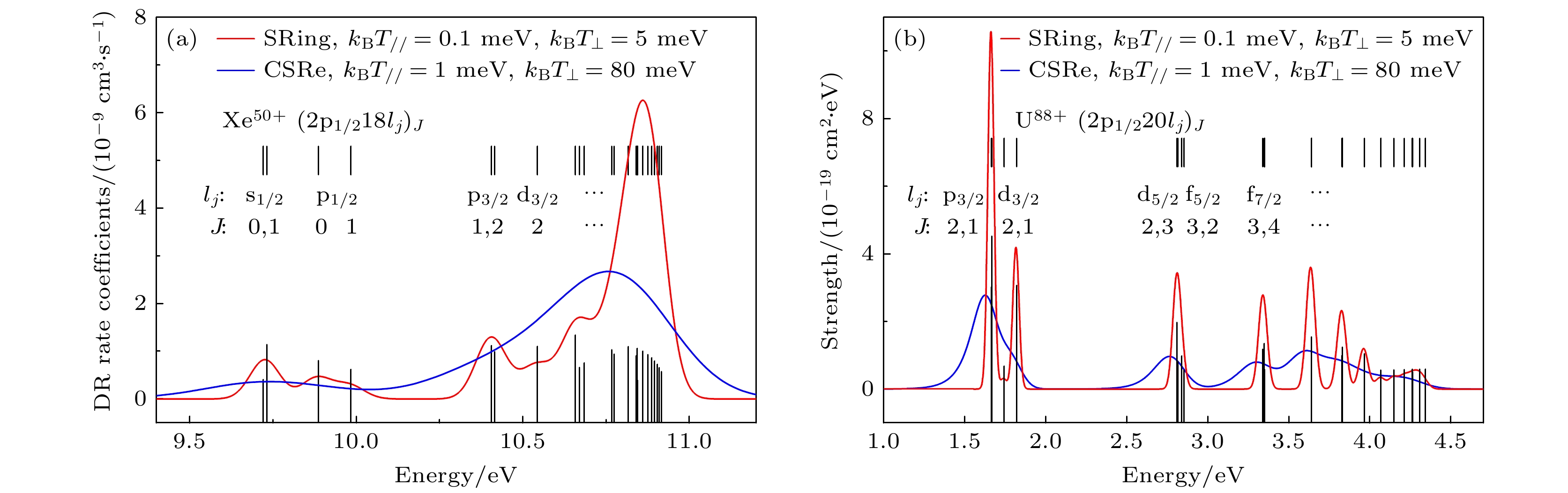
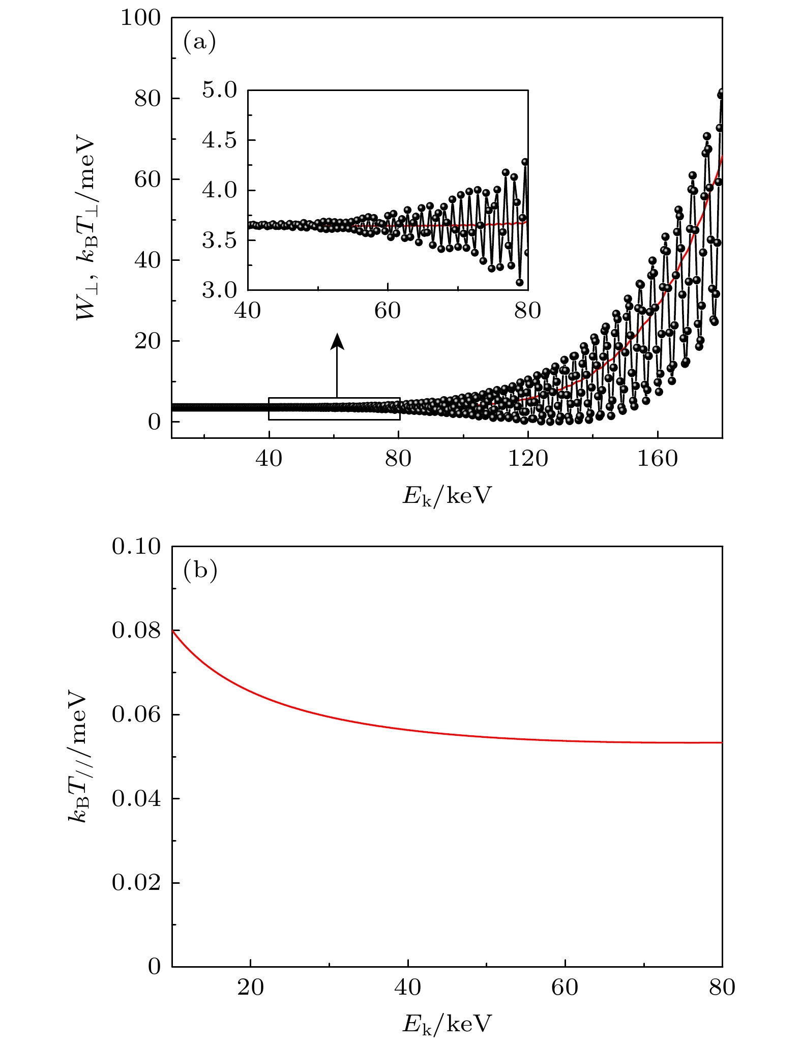
Dielectronic recombination (DR) experiments of highly charged ions not only provide essential atomic benchmark data for astrophysical and fusion plasma research but also serve as a stringent test for strong-field quantum electrodynamics (QED) effects, relativistic effects, and electron correlation effects. High-intensity heavy-ion accelerator facility (HIAF), currently under construction at Huizhou, China, will have a high-precision spectrometer ring (SRing) equipped with a 450 kV electron-cooler and an 80 kV ultracold electron-target. This advanced setup facilitates precise measurements of the DR process for highly charged ions in a broad range of center-of-mass energy, from meV to tens of keV. In this work, we carry out the molecular dynamics simulation of the electron beam temperature distribution of the ultracold electron-target at the SRing. The simulation results indicate that after treatment by the designed adiabatic magnetic field and acceleration field, the transverse and longitudinal electron beam temperature generated by the thermionic electron gun can be reduced from 100 meV to below 5 meV and 0.1 meV, respectively. Furthermore, we analyze the influence of this ultracold electron beam temperature on the resonance peak and energy resolution in DR experiment. The resolution gain at the SRing electron-target is particularly pronounced at small electron-ion collision energy, which provides unique experimental conditions for the DR experiments. Taking lithium-like\begin{document}$ {}_{~\,54}^{129}{{\mathrm{X}}{\mathrm{e}}}^{51+} $\end{document} and \begin{document}$ {}_{~\,92}^{238}{{\mathrm{U}}}^{89+} $\end{document} ions for example, we simulate the DR resonance spectra at the SRing and compare them with the simulated results from the experimental cooler storage ring CSRe. The results reveal that the SRing experiments can resolve fine DR resonance structures with ultra-high energy resolution compared with those from the CSRe. This work lays a solid foundation for precise DR spectroscopy of highly charged ions at the SRing to stringent test of strong field QED effect and extraction nuclear structure information.
Dielectronic recombination (DR) experiments of highly charged ions not only provide essential atomic benchmark data for astrophysical and fusion plasma research but also serve as a stringent test for strong-field quantum electrodynamics (QED) effects, relativistic effects, and electron correlation effects. High-intensity heavy-ion accelerator facility (HIAF), currently under construction at Huizhou, China, will have a high-precision spectrometer ring (SRing) equipped with a 450 kV electron-cooler and an 80 kV ultracold electron-target. This advanced setup facilitates precise measurements of the DR process for highly charged ions in a broad range of center-of-mass energy, from meV to tens of keV. In this work, we carry out the molecular dynamics simulation of the electron beam temperature distribution of the ultracold electron-target at the SRing. The simulation results indicate that after treatment by the designed adiabatic magnetic field and acceleration field, the transverse and longitudinal electron beam temperature generated by the thermionic electron gun can be reduced from 100 meV to below 5 meV and 0.1 meV, respectively. Furthermore, we analyze the influence of this ultracold electron beam temperature on the resonance peak and energy resolution in DR experiment. The resolution gain at the SRing electron-target is particularly pronounced at small electron-ion collision energy, which provides unique experimental conditions for the DR experiments. Taking lithium-like
2025, 74(4): 043201.
doi: 10.7498/aps.74.20241362
Abstract:
The interaction between an electric field and the energy levels of Rydberg states results in the Stark effect, which can be used for quantum detection by measuring the frequency shift in electromagnetically induced transparency (EIT) spectra. By using the functional relationship between the frequency shift and the electric field, it is possible to measure the electric field in question. However, the mismatch between the probe laser and the polarization direction of the coupled laser leads to errors in the measurement of the frequency shift, affecting the accurate measurement of the electric field. In this work, the Schrödinger equation is solved by perturbation method to derive the functional relationship between the energy offset and the electric field strength. Then, the functional relationship between the energy offset and the electric field strength is brought into the solution of the density matrix equation, and the influences of the polarization direction of the detected light and coupled light on the EIT-Stark mathematical model are analyzed. Then an internal electrode method is used to prevent shielding effects caused by alkali metal atoms adhering to the surface of the atomic vapor cell, thereby enabling the application of the electric field. The calibration of the Rydberg state polarisation rate is achieved by using a standard source and measuring the frequency shift of the EIT spectrum. Finally, the effects of polarisation mismatch on the measurement results of EIT spectrum and the electric field are verified by modulating the laser polarization direction. The experimental data show that when the polarization directions of the probe laser and coupled laser are parallel to each other, it is the most matched polarization direction for the lasers, the peak value of the EIT spectrum is the largest, and the maximum relative error of the electric field measurement is 1.67%. When the angle between the polarisation directions of the probe light and the coupled light laser is 45°, the laser polarisation mismatch is the most severe, the EIT spectral peak is the lowest and the maximum relative error of the electric field measurement is 10.24%.
The interaction between an electric field and the energy levels of Rydberg states results in the Stark effect, which can be used for quantum detection by measuring the frequency shift in electromagnetically induced transparency (EIT) spectra. By using the functional relationship between the frequency shift and the electric field, it is possible to measure the electric field in question. However, the mismatch between the probe laser and the polarization direction of the coupled laser leads to errors in the measurement of the frequency shift, affecting the accurate measurement of the electric field. In this work, the Schrödinger equation is solved by perturbation method to derive the functional relationship between the energy offset and the electric field strength. Then, the functional relationship between the energy offset and the electric field strength is brought into the solution of the density matrix equation, and the influences of the polarization direction of the detected light and coupled light on the EIT-Stark mathematical model are analyzed. Then an internal electrode method is used to prevent shielding effects caused by alkali metal atoms adhering to the surface of the atomic vapor cell, thereby enabling the application of the electric field. The calibration of the Rydberg state polarisation rate is achieved by using a standard source and measuring the frequency shift of the EIT spectrum. Finally, the effects of polarisation mismatch on the measurement results of EIT spectrum and the electric field are verified by modulating the laser polarization direction. The experimental data show that when the polarization directions of the probe laser and coupled laser are parallel to each other, it is the most matched polarization direction for the lasers, the peak value of the EIT spectrum is the largest, and the maximum relative error of the electric field measurement is 1.67%. When the angle between the polarisation directions of the probe light and the coupled light laser is 45°, the laser polarisation mismatch is the most severe, the EIT spectral peak is the lowest and the maximum relative error of the electric field measurement is 10.24%.
2025, 74(4): 044201.
doi: 10.7498/aps.74.20241582
Abstract:
Underwater optical imaging technology possesses broad application prospects in fields such as marine resource exploration, underwater ecological environment monitoring, and seabed topography detection. The technology employs the polarization characteristics of light, particularly those of the background and target, to achieve a clear image. However, the traditional methods rely on target-free regions to compute the backscattered light information, which is infrequently present in the actual scene captured by the camera. Then the full-space resolution of target information light and backscattered light information are required. At this time, the traditional methods may be difficult to adapt in practical application. In this work, an underwater polarization de-scattering method independent of target-free regions is proposed by combining active polarization imaging and transmittance de-scattering model. Initially, the total light intensity within the camera’s field of view is decomposed into its polarized and unpolarized components. By removing the backscattered light with polarized and unpolarized information from the total light intensity, a clear underwater target can be obtained. Based on the active polarization imaging model, the backscattered light with polarization information is calculated, in which the polarization angle of the backscattered light is considered to be zero in the full-space. Thus, the polarization degree of the target information light occupying the camera’s entire field of view can be derived. According to the polarization correlation, the polarization degree of the backscattered light can be characterized, and the intensity of the backscattered light with polarization information in the camera’s entire field of view can also be obtained. Then the unpolarized component is calculated using the minimum intensity image with Stokes vector transformation. Finally, the underwater scene is obtained by combining the transmittance de-scattering principle and introducing adjustment parameters. Experimental and real-world underwater imaging results demonstrate that the proposed method can effectively remove the majority of the backscattered light and improve the image contrast and entropy, regardless of whether there are target-free regions. Additionally, this method possesses a certain rate advantage, which can facilitate the real-time complex underwater imaging technology.
2025, 74(4): 044202.
doi: 10.7498/aps.74.20241535
Abstract:
Non-line-of-sight (NLOS) imaging is an emerging optical imaging technique used for detecting hidden targets outside the line of sight. Due to multiple diffuse reflections, the signal echoes are weak, and gated single-photon avalanche diode (SPAD) plays a pivotal role in signal detection under low signal-to-noise ratio (SNR) conditions. However, when gated SPAD is used for detecting a target signal, existing methods often depend on prior information to preset the gate width, which cannot fully mitigate non-target signal interference or signal loss. Additionally, these methods encountered some problems such as large data acquisition volumes and lengthy processing times. To address these challenges, an adaptive gating algorithm is proposed in this work based on the principle of maximizing the distance from the vertex of a triangle to its base. The algorithm possesses advantages of the linear variation in scan point positions and the echo information from specific feature points. It can automatically identify echo signals and compute their widths without additional prior information or manual intervention. This method reduces the amount of data collected, improves processing efficiency, and has other benefits. Moreover, a confocal NLOS imaging system based on gated SPAD is developed to validate the proposed algorithm. The work further quantitatively evaluates the enhancement of target signal detection and image quality achieved by gated SPAD, and compares its imaging performance with leading NLOS image reconstruction algorithms. Experimental results demonstrate that the adaptive gating algorithm can effectively identify echo signals, facilitate automatic adjustment of gating parameters, and significantly improve target imaging quality while reducing data acquisition volume and enhancing processing efficiency.
Non-line-of-sight (NLOS) imaging is an emerging optical imaging technique used for detecting hidden targets outside the line of sight. Due to multiple diffuse reflections, the signal echoes are weak, and gated single-photon avalanche diode (SPAD) plays a pivotal role in signal detection under low signal-to-noise ratio (SNR) conditions. However, when gated SPAD is used for detecting a target signal, existing methods often depend on prior information to preset the gate width, which cannot fully mitigate non-target signal interference or signal loss. Additionally, these methods encountered some problems such as large data acquisition volumes and lengthy processing times. To address these challenges, an adaptive gating algorithm is proposed in this work based on the principle of maximizing the distance from the vertex of a triangle to its base. The algorithm possesses advantages of the linear variation in scan point positions and the echo information from specific feature points. It can automatically identify echo signals and compute their widths without additional prior information or manual intervention. This method reduces the amount of data collected, improves processing efficiency, and has other benefits. Moreover, a confocal NLOS imaging system based on gated SPAD is developed to validate the proposed algorithm. The work further quantitatively evaluates the enhancement of target signal detection and image quality achieved by gated SPAD, and compares its imaging performance with leading NLOS image reconstruction algorithms. Experimental results demonstrate that the adaptive gating algorithm can effectively identify echo signals, facilitate automatic adjustment of gating parameters, and significantly improve target imaging quality while reducing data acquisition volume and enhancing processing efficiency.
2025, 74(4): 044203.
doi: 10.7498/aps.74.20241565
Abstract:
Magnet-free optical nonreciprocity has significant applications in quantum communication, quantum networks, and optical information processing. In this research, considering a degenerate two-level thermal atomic system with the Doppler effect of thermal atoms, the nonreciprocal amplification (NRA) of dual-path degenerate four-wave mixing (FWM) signals is achieved under the action of a co-propagating pumping field. On this basis, spatially multiplexed multiple FWM processes are formed by introducing another counter-propagating pumping field, thereby achieving the reciprocal amplification (RA) of the dual-channel FWM signals. Furthermore, by using multiple sets of spiral phase plates to load spiral phases on the signal light and the pumping light respectively, higher-order Laguerre-Gaussian vortex beams carrying different optical orbital angular momentum (OAM) are generated and participate in the FWM process, achieving the transfer of the OAM of the pumping light to the amplified FWM fields. Simultaneously, using the Mach-Zehnder interferometer, the conservation characteristics of the OAM of each FWM signal in the NRA-RA conversion are further analyzed. Furthermore, experimental results demonstrate that in the multiple FWM process induced by a pair of counter-propagating pump fields, the OAM of the amplified FWM signal in each channel varies with that of the pump field. However, the overall process maintains the OAM conservation. This study provides a feasible solution for expanding the channel capacity using OAM based on NRA-RA system, showing that the OAM has potential application prospects in achieving high-capacity optical communication and multi-channel signal processing.
Magnet-free optical nonreciprocity has significant applications in quantum communication, quantum networks, and optical information processing. In this research, considering a degenerate two-level thermal atomic system with the Doppler effect of thermal atoms, the nonreciprocal amplification (NRA) of dual-path degenerate four-wave mixing (FWM) signals is achieved under the action of a co-propagating pumping field. On this basis, spatially multiplexed multiple FWM processes are formed by introducing another counter-propagating pumping field, thereby achieving the reciprocal amplification (RA) of the dual-channel FWM signals. Furthermore, by using multiple sets of spiral phase plates to load spiral phases on the signal light and the pumping light respectively, higher-order Laguerre-Gaussian vortex beams carrying different optical orbital angular momentum (OAM) are generated and participate in the FWM process, achieving the transfer of the OAM of the pumping light to the amplified FWM fields. Simultaneously, using the Mach-Zehnder interferometer, the conservation characteristics of the OAM of each FWM signal in the NRA-RA conversion are further analyzed. Furthermore, experimental results demonstrate that in the multiple FWM process induced by a pair of counter-propagating pump fields, the OAM of the amplified FWM signal in each channel varies with that of the pump field. However, the overall process maintains the OAM conservation. This study provides a feasible solution for expanding the channel capacity using OAM based on NRA-RA system, showing that the OAM has potential application prospects in achieving high-capacity optical communication and multi-channel signal processing.
2025, 74(4): 044204.
doi: 10.7498/aps.74.20241440
Abstract:
In this work, the randomness of electrically pumped random laser (RL) from ZnO-based metal-insulator-semiconductor (MIS) structured light-emitting device (LED) is significantly suppressed, by using appropriately patterned hydrothermal ZnO film with large crystal grains as the light-emitting layer. The hydrothermal ZnO film on silicon substrate, with the crystal grains sized over 500 nm, is first patterned into a number of square blocks separated by streets by using laser direct writing photolithography. Based on such a patterned ZnO film, the MIS (Au/SiO2/ZnO) structured LEDs are prepared on silicon substrates. Under the same injection current, the LED with the patterned ZnO film exhibits much fewer RL modes than that with the non-patterned ZnO film and, moreover, the former displays ever-fewer RL modes with the the decrease of block size. Besides, the wavelength of the strongest RL mode from the LED with the patterned ZnO film fluctuates in a much narrower range than that with the non-patterned ZnO film. It is worth mentioning that the LED with the patterned hydrothermal ZnO film can even be pumped into the single-mode RL under the desirable conditions such as low injection current and small patterned blocks. Moreover, the comparative investigation indicates that the LED with the large-grain hydrothermal ZnO film exhibits the smaller RL threshold current than that with the small-grain sputtered ZnO film, and the former has fewer RL modes and a higher output lasing power than the latter under the same injection current. As for the physical mechanism behind the aforementioned results, it is analyzed as follows. Regarding the LED with the patterned ZnO film, on the one hand, due to the limited numbers of crystal grains and grain boundaries within a single block, the multiple optical scattering is remarkably suppressed. Then, the paths through which the net optical gain and therefore the lasing action can be achieved via multiple optical scattering are much fewer than those in the case of the non-patterned ZnO film. On the other hand, due to optical gain competition among different RL modes occurring within the limited space of a single block, the RL modes with significant spatial overlap cannot lase simultaneously. For the two-fold reasons as mentioned above, the LED exhibits ever-fewer RL modes with the decrease of the size of blocks. Moreover, the inter-block optical coupling enables the optical gain competition among different RL modes to be more violent within a single block, leading to further reduction of RL modes.
In this work, the randomness of electrically pumped random laser (RL) from ZnO-based metal-insulator-semiconductor (MIS) structured light-emitting device (LED) is significantly suppressed, by using appropriately patterned hydrothermal ZnO film with large crystal grains as the light-emitting layer. The hydrothermal ZnO film on silicon substrate, with the crystal grains sized over 500 nm, is first patterned into a number of square blocks separated by streets by using laser direct writing photolithography. Based on such a patterned ZnO film, the MIS (Au/SiO2/ZnO) structured LEDs are prepared on silicon substrates. Under the same injection current, the LED with the patterned ZnO film exhibits much fewer RL modes than that with the non-patterned ZnO film and, moreover, the former displays ever-fewer RL modes with the the decrease of block size. Besides, the wavelength of the strongest RL mode from the LED with the patterned ZnO film fluctuates in a much narrower range than that with the non-patterned ZnO film. It is worth mentioning that the LED with the patterned hydrothermal ZnO film can even be pumped into the single-mode RL under the desirable conditions such as low injection current and small patterned blocks. Moreover, the comparative investigation indicates that the LED with the large-grain hydrothermal ZnO film exhibits the smaller RL threshold current than that with the small-grain sputtered ZnO film, and the former has fewer RL modes and a higher output lasing power than the latter under the same injection current. As for the physical mechanism behind the aforementioned results, it is analyzed as follows. Regarding the LED with the patterned ZnO film, on the one hand, due to the limited numbers of crystal grains and grain boundaries within a single block, the multiple optical scattering is remarkably suppressed. Then, the paths through which the net optical gain and therefore the lasing action can be achieved via multiple optical scattering are much fewer than those in the case of the non-patterned ZnO film. On the other hand, due to optical gain competition among different RL modes occurring within the limited space of a single block, the RL modes with significant spatial overlap cannot lase simultaneously. For the two-fold reasons as mentioned above, the LED exhibits ever-fewer RL modes with the decrease of the size of blocks. Moreover, the inter-block optical coupling enables the optical gain competition among different RL modes to be more violent within a single block, leading to further reduction of RL modes.
2025, 74(4): 044205.
doi: 10.7498/aps.74.20241490
Abstract:
Metasurface lenses are miniature flat lenses that can precisely control the phase, amplitude, and polarization of incident light by modulating the parameters of each unit on the substrate. Compared with conventional optical lenses, they have the advantages of small size, light weight, and high integration, and are the core components of photonic chips. Currently, the hot topics for metasurface lens are broadband and achromatic devices, and there is still less attention paid to the resolution improvement. To break through the diffraction limit and further improve the focusing performance and imaging resolution of metasurface lenses, we use unit cells to perform multi-dimensional modulation of the incident light field. Specifically, in this paper, we combine phase modulation of metasurface lens with a pupil filtering, which has been widely applied to traditional microscopy imaging and adaptive optics and has demonstrated powerful resolution enhancement effects. The integrating of these two technologies will continue to improve the imaging performance of metasurface lenses and thus expanding their application fields. In this work, we firstly design a single-cell super-surface lens composed of a silicon nanofin array and a silica substrate as a benchmark for comparing the performance of integrated super-surface lens. The lens achieves an ideal focal spot for incident light at 633 nm, resulting in a full width at half maximum (FWHM) of 376.0 nm. Then, a three-zone phase modulating pupil filter is proposed and designed with the same aperture of metasurface lens, which has a phase jump of 0-π-0 from the inside to the outside of the aperture. From the simulation results, the main lobe size of the focal spot is compressed obviously. In the optimization, its structural parameters are scanned for the best performance, and an optimal set of structural parameters is selected and used in the integrated metasurface lens. Finally, the integrated metasurface lens is designed by combining the metasurface lens with a three-zone phase modulating pupil filter, and the FWHM of its focal spot is compressed to 323.4 nm (≈ 0.51λ), which is not only 15% smaller than original metasurface lens’s FWHM of 376.0 nm, but also much smaller than the diffraction limit of 0.61λ/NA (when NA = 0.9, it is approximately 429.0 nm). This result preliminarily demonstrates the super-resolution performance of the integrated super-surface lens. With the comprehensive regulation of multi-dimensional information, such as amplitude, polarization, and vortex, the integrated super-surface optical lens will achieve more excellent super-resolution focusing and imaging performance, and will also be widely used in the fields of super-resolution imaging, virtual reality, and three-dimensional optical display, due to its characteristics of high resolution, high integration, and high miniaturization.
2025, 74(4): 044206.
doi: 10.7498/aps.74.20241505
Abstract:
Breathing pulses, as a unique nonlinear pulse phenomenon, play a key role in optimizing laser performance, nonlinear optical processes, and complex signal transmission. Unlike stable solitons, the breathing pulses fluctuates in energy periodically with time, and both pulse frequency and amplitude exhibit periodic changes. Through appropriate nonlinear effects, lasers can generate stable breathing pulses, achieving a mode-locked state that exhibits a periodic “breathing” pattern. Based on this, a fiber laser combining a saturable absorber as the mode-locking element is designed and built, and stable breathing states are successfully observed at lower pump power levels. High-speed detection techniques and time-stretched dispersive Fourier transform (TS-DFT) technology are used to time-amplify and spectrally analyze the rapid pulses, while monitoring the evolution of the breathing pulse in both time domain and frequency domain. Experimental results indicate that the change in pump power significantly affects the periodic modulation induced by additional oscillations, thereby controlling the breathing ratio and ultimately resulting in the formation of a stable soliton. When the pump power is between 470 and 480 mW, the formation of the breathing pulse is first observed, with a breathing ratio of up to 4.5. As the pump power increases, the breathing effect gradually diminishes, and at 510 mW, it completely disappears, with the breathing ratio dropping to 1. These results confirm the critical role of pump power in controlling the breathing pulse state and its transition, demonstrating the potential of controlling pump power in ultrafast laser technology and nonlinear optics. The breathing pulse phenomenon, as a periodic pulse behavior, reflects the complex dynamical characteristics between nonlinear optical effects and cavity parameters. Combined with the natural synchronization system formed between the breathing frequency and the cavity frequency (determined by the cavity length), the periodic change of the breathing pulse becomes a crucial factor for controlling laser output. By adjusting parameters such as the laser’s nonlinearity and dissipation, the characteristics of the breathing pulse and breathing ratio can be precisely controlled, thus achieving precise control of the laser output. The periodic oscillatory characteristics of the breathing pulse inside the laser cavity lead to the non-uniform distribution of pulses, a feature that demonstrates enormous potential in pulse shaping, ultrashort pulse generation, and precise frequency comb control. Additionally, the presence of the breathing pulse may affect the stability and energy conversion efficiency of the laser, providing new perspectives for designing and optimizing lasers.
2025, 74(4): 044207.
doi: 10.7498/aps.74.20241228
Abstract:
The directional optical transmission characteristics of on-chip integrated optical isolators have wide applications in fields such as optical communication and optical signal processing. At early stage, various schemes of on-chip optical isolators have been developed, such as single-crystal magneto-optical pomegranate scheme, and silicon nitride (Si3N4) micro-ring resonators. However, there is still lack of compact on-chip optical isolator solutions. Here, a compact and integrated silicon optical isolator on a standard silicon on insulator (SOI) substrate is proposed and designed by intelligent algorithms and a variety of micro-nano circular vias. A modified genetic algorithm is developed, a segmented design fitness function is induced, and a gene library is established to obtain an ultra-compact optical isolator scheme with a size of only 4.2 μm×3 μm. On a standard silicon on insulator substrate, a linear passive isolation scheme is achieved by etching circular holes with five different diameters: 60 nm, 120 nm, 180 nm, 240 nm, and 300 nm. In the TE polarization mode, the design achieves an isolation degree of approximately 31 dB and an insertion loss of about 2 dB. Furthermore, in TM polarization mode, the design achieves an isolation degree of approximately 38 dB and an insertion loss of 2 dB; Finally, the influence of different size groups on the performance of isolators is analyzed. The results show that the smaller the circular hole structure, the better the isolation performance is. However, at the same time, we also need to consider the real silicon etching process requirements. In practice, holes that are too small are difficult to etch the effects of etching penetration at 10 nm, 20 nm and 30 nm between circular vias on the performance of the isolator are also evaluated, and the preliminary results show that the etching penetration caused by the more mature 30 nm etching process is acceptable. Therefore, considering all factors, it is recommended that the minimum circular hole size be 30 nm and the minimum distance adjacent circular holes be 30 nm. These results can promote the development of highly integrated and ultra-small on-chip optical signal directional transmission schemes.
The directional optical transmission characteristics of on-chip integrated optical isolators have wide applications in fields such as optical communication and optical signal processing. At early stage, various schemes of on-chip optical isolators have been developed, such as single-crystal magneto-optical pomegranate scheme, and silicon nitride (Si3N4) micro-ring resonators. However, there is still lack of compact on-chip optical isolator solutions. Here, a compact and integrated silicon optical isolator on a standard silicon on insulator (SOI) substrate is proposed and designed by intelligent algorithms and a variety of micro-nano circular vias. A modified genetic algorithm is developed, a segmented design fitness function is induced, and a gene library is established to obtain an ultra-compact optical isolator scheme with a size of only 4.2 μm×3 μm. On a standard silicon on insulator substrate, a linear passive isolation scheme is achieved by etching circular holes with five different diameters: 60 nm, 120 nm, 180 nm, 240 nm, and 300 nm. In the TE polarization mode, the design achieves an isolation degree of approximately 31 dB and an insertion loss of about 2 dB. Furthermore, in TM polarization mode, the design achieves an isolation degree of approximately 38 dB and an insertion loss of 2 dB; Finally, the influence of different size groups on the performance of isolators is analyzed. The results show that the smaller the circular hole structure, the better the isolation performance is. However, at the same time, we also need to consider the real silicon etching process requirements. In practice, holes that are too small are difficult to etch the effects of etching penetration at 10 nm, 20 nm and 30 nm between circular vias on the performance of the isolator are also evaluated, and the preliminary results show that the etching penetration caused by the more mature 30 nm etching process is acceptable. Therefore, considering all factors, it is recommended that the minimum circular hole size be 30 nm and the minimum distance adjacent circular holes be 30 nm. These results can promote the development of highly integrated and ultra-small on-chip optical signal directional transmission schemes.
2025, 74(4): 044301.
doi: 10.7498/aps.74.20241523
Abstract:
The liquid vortex flow field plays a crucial role not only in the transfer of matter and heat but also in significantly affecting the distribution of sound fields, which in turn influences the behavior of bubbles in the flow. This ultimately affects the phenomenon of acoustic cavitation. Based on the combination of the theory of bubble fragmentation and the theory of funnel-shaped vortex, in a three-dimensional vortex field. The effect of the vortex flow field (flow field generated by stirring) on the bubble breakup probability, as well as its modulation of acoustic cavitation, is investigated in this paper. In addition, the phenomena observed in experiments are explained. When the stirring speed reaches 1000 rad/min, the degradation effect no longer shows a monotonic increase, but instead begins to decline. It is demonstrated that with the increase of stirring speed, the probability of bubble breakup increases significantly. For instance, when the stirring speed is 1000 rad/min, the probability of bubble breakup is about 0.17%. At a stirring speed of 1500 rad/min, the breakup probability rises to 23%, and at 2000 rad/min, it reaches 44%. Moreover, the critical radius for bubble breakup decreases. The critical radius, as defined in this study, refers to the bubble radius at which the probability of breakup becomes nonzero. Experimental data show that at 600 rad/min, the critical radius for bubble breakup is about 200 μm, while at 2000 rad/min, it shortens to 55.5 μm. This indicates that in a high-speed rotating vortex field, bubbles may rupture before reaching their maximum cavitation radius, thus losing their effective cavitation effect. Further analysis shows that in the vortex flow field, for bubbles with an initial radius smaller than 22.5 μm, the temperature inside the bubbles upon collapse can reach as high as 2217.3 K (corresponding to an initial radius of 22.5 μm). For bubbles with an initial radius of 20 μm, the collapse temperature can even reach 2264.3 K. For bubbles with an initial radius of 40 μm, when the stirring speed does not exceed 1500 rad/min, the bubbles can still collapse under the action of the sound field, and the temperature inside the bubble upon collapse can reach 1659.6 K, which is sufficient to trigger off the cavitation effect. However, when the stirring speed exceeds 1500 rad/min, bubbles may break up too quickly and lose their cavitation capacity, thus failing to produce the expected cavitation effect. Experimental results further verify that at moderate stirring speeds (600—1000 rad/min), the acoustic cavitation effect is most pronounced, while excessively high stirring speeds suppress the enhancement of the degradation effect. This phenomenon suggests that the introduction of the vortex flow field makes the factors affecting acoustic cavitation more complex. The optimization of the acoustic cavitation effect requires not only the consideration of the sound field distribution and mass transfer but also the comprehensive factors such as gas entrainment, bubble aggregation, and breakup. Therefore, a thorough analysis and regulation of these factors are crucial for the widespread application of acoustic cavitation technology in engineering, with important theoretical value and practical significance, providing scientific basis and direction for further optimizing the acoustic cavitation process.
2025, 74(4): 044302.
doi: 10.7498/aps.74.20241448
Abstract:
During the treatment of subcostal lesions with high intensity focused ultrasound (HIFU), the obstruction by the ribs significantly affects the therapeutic effect, which can be assessed through numerical calculations. In existing studies, ribs are typically regarded as perfect acoustic absorbers, and even though this assumption could reveal the influence of the ribs on the acoustic field to some extent, it may still underestimate the energy behind the rib cage. In order to address the shortcomings of current work, an innovative numerical calculation method that avoids treating ribs as perfect sound absorbers is proposed in this work. Subsequently, experiments are conducted using ABS plastic rib cage mimic to compare the effectiveness between the two methods, demonstrating that the method proposed in this paper, which avoids the assumption of considering ribs as perfect acoustic absorbers, could better reveal the influence caused by ribs, and further studies are carried out on the influence of ribs in a multi-layered medium model. In response to the numerical oscillation issues encountered in existing work when dealing with media with high acoustic attenuation coefficients, the operator splitting method to enhance the stability of numerical calculations is adopted in this work. Furthermore, to tackle the challenges posed by asymmetric acoustic fields in numerical computations, in this paper matrix vectorization technique is introduced and stable solutions for the acoustic field under the backward implicit difference scheme are obtained. Additionally, when considering nonlinear effects, an asymptotic maximum number of harmonics is employed to reduce the computational load. These improvements in both the numerical calculation model and the corresponding algorithm not only enhance the precision of numerical computations, but also reveal the underestimation of energy behind the ribs due to the assumption of perfect acoustic absorbers, which is significant for optimizing HIFU treatment strategies.
During the treatment of subcostal lesions with high intensity focused ultrasound (HIFU), the obstruction by the ribs significantly affects the therapeutic effect, which can be assessed through numerical calculations. In existing studies, ribs are typically regarded as perfect acoustic absorbers, and even though this assumption could reveal the influence of the ribs on the acoustic field to some extent, it may still underestimate the energy behind the rib cage. In order to address the shortcomings of current work, an innovative numerical calculation method that avoids treating ribs as perfect sound absorbers is proposed in this work. Subsequently, experiments are conducted using ABS plastic rib cage mimic to compare the effectiveness between the two methods, demonstrating that the method proposed in this paper, which avoids the assumption of considering ribs as perfect acoustic absorbers, could better reveal the influence caused by ribs, and further studies are carried out on the influence of ribs in a multi-layered medium model. In response to the numerical oscillation issues encountered in existing work when dealing with media with high acoustic attenuation coefficients, the operator splitting method to enhance the stability of numerical calculations is adopted in this work. Furthermore, to tackle the challenges posed by asymmetric acoustic fields in numerical computations, in this paper matrix vectorization technique is introduced and stable solutions for the acoustic field under the backward implicit difference scheme are obtained. Additionally, when considering nonlinear effects, an asymptotic maximum number of harmonics is employed to reduce the computational load. These improvements in both the numerical calculation model and the corresponding algorithm not only enhance the precision of numerical computations, but also reveal the underestimation of energy behind the ribs due to the assumption of perfect acoustic absorbers, which is significant for optimizing HIFU treatment strategies.
2025, 74(4): 044303.
doi: 10.7498/aps.74.20241326
Abstract:
Acoustic black hole (ABH) structure has been extensively used in vibration mitigation, noise reduction, energy harvesting and so on, owing to its unique sound wave trapping and energy concentration effects. Besides, ABH structure holds emerging potential in improving the performance of ultrasonic device and constructing multifunctional acoustic field. Hence, an ultrasonic mode-conversion transducer consisting of a longitudinal sandwich transducer and an ABH wedge radiant plate is proposed in this work, in order to explore the potential applications of ABH in ultrasonic levitation and multifunctional particle manipulation. The theoretical model of flexural vibration of the radiant plate is established by utilizing Timoshenko beam theory and transfer matrix method, and the calculated vibration frequencies are in good agreement with those obtained by finite element method (FEM). The electrical impedance frequency response characteristics, vibration modes and the near-field sound pressure distribution of the transducer in air are also simulated. The results indicate that the amplitude of the ABH wedge radiant plate increases stepwise, and the sound pressure exhibits a gradient distribution. A prototype of the transducer is fabricated and experimentally tested, confirming the accuracy of FEM simulations and the feasibility of the design approach. Finally, the result of the ultrasonic levitation experiment indicates that the ABH design can give rise to gradient distribution of sound pressure in standing wave sound field for achieving precise particle sorting.
Acoustic black hole (ABH) structure has been extensively used in vibration mitigation, noise reduction, energy harvesting and so on, owing to its unique sound wave trapping and energy concentration effects. Besides, ABH structure holds emerging potential in improving the performance of ultrasonic device and constructing multifunctional acoustic field. Hence, an ultrasonic mode-conversion transducer consisting of a longitudinal sandwich transducer and an ABH wedge radiant plate is proposed in this work, in order to explore the potential applications of ABH in ultrasonic levitation and multifunctional particle manipulation. The theoretical model of flexural vibration of the radiant plate is established by utilizing Timoshenko beam theory and transfer matrix method, and the calculated vibration frequencies are in good agreement with those obtained by finite element method (FEM). The electrical impedance frequency response characteristics, vibration modes and the near-field sound pressure distribution of the transducer in air are also simulated. The results indicate that the amplitude of the ABH wedge radiant plate increases stepwise, and the sound pressure exhibits a gradient distribution. A prototype of the transducer is fabricated and experimentally tested, confirming the accuracy of FEM simulations and the feasibility of the design approach. Finally, the result of the ultrasonic levitation experiment indicates that the ABH design can give rise to gradient distribution of sound pressure in standing wave sound field for achieving precise particle sorting.
2025, 74(4): 044701.
doi: 10.7498/aps.74.20241453
Abstract:
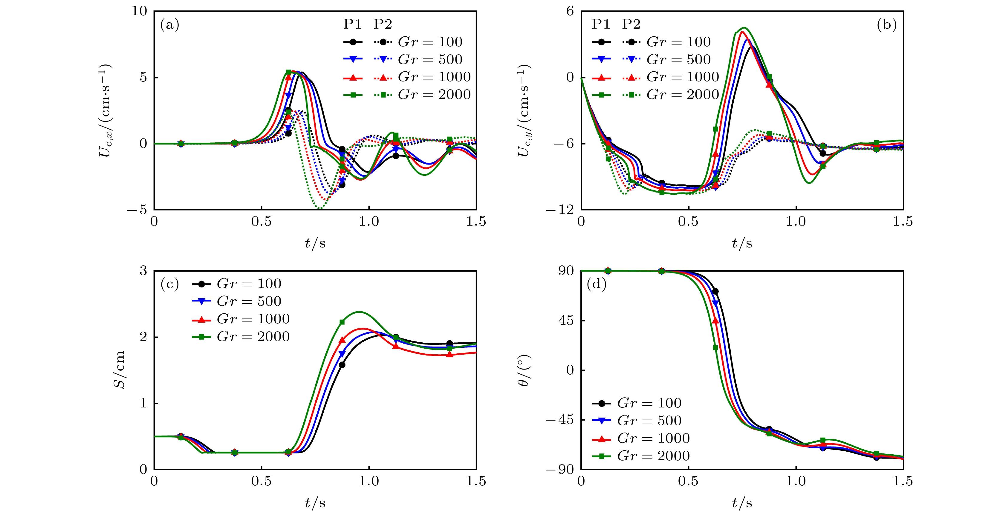
The conjugate heat transfer at the particle-fluid interface and the collision between particles play a crucial role in the sedimentation process of particles. In this work, the recent volumetric lattice Boltzmann method for thermal particulate flows with conjugate heat transfer is adopted to investigate the drafting-kissing-tumbling movement in the sedimentation process of two particles in a closed channel. This volumetric lattice Boltzmann method is based on double distribution functions, with the density distribution function used for the velocity field and the internal energy distribution function used for the temperature field. It is a single-domain approach, and the nonslip velocity condition within the solid domain can be strictly ensured. The difference in thermophysical properties between the solid and fluid can be correctly handled, and the conjugate heat transfer condition can be automatically achieved without any additional treatments. Based on this particle-resolved simulation, the influences of the solid-to-fluid specific heat ratio, the Grashof number, and the particle’s initial temperature on the drafting-kissing-tumbling movement are discussed in detail. It is found that the fluid cooled by the particle and thus subjected to the downward buoyancy force can promote particle sedimentation. As the specific heat ratio increases, the particle’s temperature rises relatively slowly. In the sedimentation of two cold particles, the drafting duration and tumbling duration of the drafting-kissing-tumbling movement decrease when the heat capacity ratio increases. In contrast, the kissing duration increases as the heat capacity ratio increases. When the Grashof number increases, the heat transfer between the particle and fluid is enhanced, and the drafting duration significantly decreases while the kissing duration and tumbling duration remain almost unchanged in the sedimentation of two cold particles. The particle’s initial temperature greatly affects the occurrence moment of the drafting-kissing-tumbling movement. To be specific, the drafting-kissing-tumbling movement occurs at the earliest moment for the sedimentation of two cold particles, followed by the sedimentation of one cold and one hot particle, and the latest for the sedimentation of two hot particles. The promoting effect of the low particle’s initial temperature on the drafting-kissing-tumbling movement mainly takes place in the dragging stage and kissing stage. The particle’s initial temperature has almost no influence on the tumbling duration.
The conjugate heat transfer at the particle-fluid interface and the collision between particles play a crucial role in the sedimentation process of particles. In this work, the recent volumetric lattice Boltzmann method for thermal particulate flows with conjugate heat transfer is adopted to investigate the drafting-kissing-tumbling movement in the sedimentation process of two particles in a closed channel. This volumetric lattice Boltzmann method is based on double distribution functions, with the density distribution function used for the velocity field and the internal energy distribution function used for the temperature field. It is a single-domain approach, and the nonslip velocity condition within the solid domain can be strictly ensured. The difference in thermophysical properties between the solid and fluid can be correctly handled, and the conjugate heat transfer condition can be automatically achieved without any additional treatments. Based on this particle-resolved simulation, the influences of the solid-to-fluid specific heat ratio, the Grashof number, and the particle’s initial temperature on the drafting-kissing-tumbling movement are discussed in detail. It is found that the fluid cooled by the particle and thus subjected to the downward buoyancy force can promote particle sedimentation. As the specific heat ratio increases, the particle’s temperature rises relatively slowly. In the sedimentation of two cold particles, the drafting duration and tumbling duration of the drafting-kissing-tumbling movement decrease when the heat capacity ratio increases. In contrast, the kissing duration increases as the heat capacity ratio increases. When the Grashof number increases, the heat transfer between the particle and fluid is enhanced, and the drafting duration significantly decreases while the kissing duration and tumbling duration remain almost unchanged in the sedimentation of two cold particles. The particle’s initial temperature greatly affects the occurrence moment of the drafting-kissing-tumbling movement. To be specific, the drafting-kissing-tumbling movement occurs at the earliest moment for the sedimentation of two cold particles, followed by the sedimentation of one cold and one hot particle, and the latest for the sedimentation of two hot particles. The promoting effect of the low particle’s initial temperature on the drafting-kissing-tumbling movement mainly takes place in the dragging stage and kissing stage. The particle’s initial temperature has almost no influence on the tumbling duration.
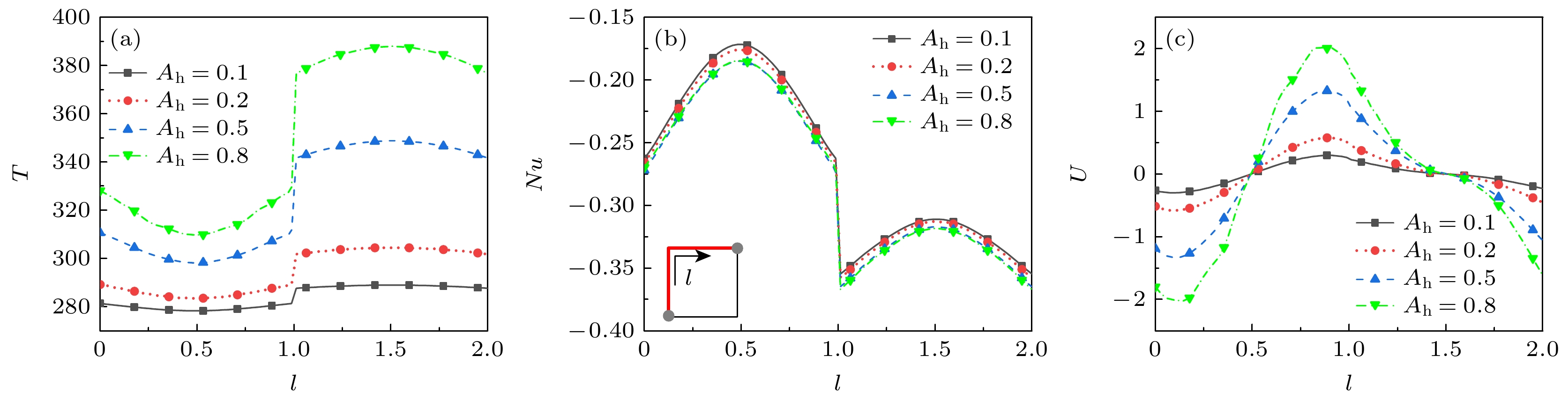
2025, 74(4): 044702.
doi: 10.7498/aps.74.20241334
Abstract:
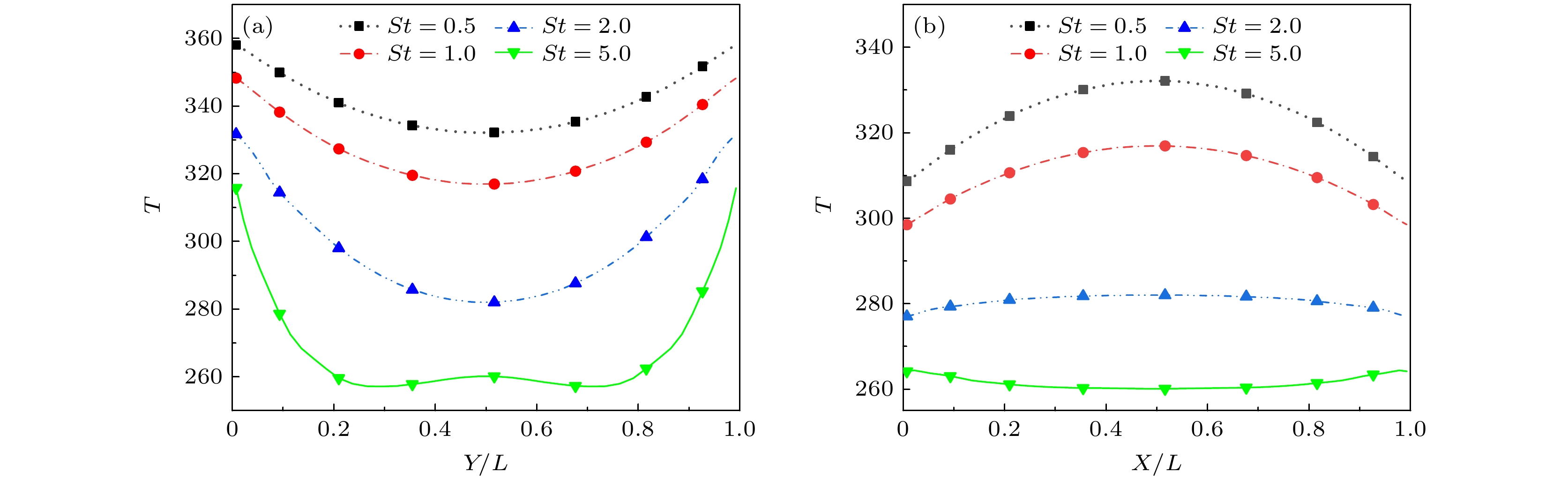
In order to examine the influence of wall temperature change on the flow and heat transfer properties of rarefied gas in restricted space, the discrete unified gas kinetic scheme (DUGKS) is used to simulate the thermal creep flows in a square cavity. All the boundaries of the cavity are stationary diffuse reflection walls. The temperature of left wall and right wall are lower, and the temperature of the upper wall and the lower wall are both subjected to periodic variation. The simulation parameters considered in the present work are set as follows: the Knudsen number Kn is in a range 0.01–10, temperature change frequency St in a range of 0.5–5, and temperature change amplitude Ah in a range of 0.1–0.8. The results indicate that the velocity field and temperature field in the cavity exhibit periodic variations. No inverse Fourier heat transfer phenomenon is observed within the parameter ranges studied. The intensity of the thermal creep flow can be increased by increasing the frequency, temperature, and the Knudsen number. This can also raise the temperature jump and velocity slip close to the temperature change walls. Heat transfer lag and a reduction in the heat transfer capability of the wall are caused by increasing St and Kn. When St is small, say, St = 0.5, a complex vortex structure is seen in the cavity. As the value of St rises to 5, the vortex disappears, the gas travels from the variable temperature wall to the horizontal centerline of cavity, and the region close to the middle of the left wall and right wall changes from an endothermic zone to an exothermic zone. Furthermore, the temperature field and velocity field inside the cavity hardly change, but the degree of heat transfer on the wall decreases with the increase of Ah. The main results are shown in the figure attached below. This work provides helpful recommendations for designing the MEMS devices by using pulsed heating.
In order to examine the influence of wall temperature change on the flow and heat transfer properties of rarefied gas in restricted space, the discrete unified gas kinetic scheme (DUGKS) is used to simulate the thermal creep flows in a square cavity. All the boundaries of the cavity are stationary diffuse reflection walls. The temperature of left wall and right wall are lower, and the temperature of the upper wall and the lower wall are both subjected to periodic variation. The simulation parameters considered in the present work are set as follows: the Knudsen number Kn is in a range 0.01–10, temperature change frequency St in a range of 0.5–5, and temperature change amplitude Ah in a range of 0.1–0.8. The results indicate that the velocity field and temperature field in the cavity exhibit periodic variations. No inverse Fourier heat transfer phenomenon is observed within the parameter ranges studied. The intensity of the thermal creep flow can be increased by increasing the frequency, temperature, and the Knudsen number. This can also raise the temperature jump and velocity slip close to the temperature change walls. Heat transfer lag and a reduction in the heat transfer capability of the wall are caused by increasing St and Kn. When St is small, say, St = 0.5, a complex vortex structure is seen in the cavity. As the value of St rises to 5, the vortex disappears, the gas travels from the variable temperature wall to the horizontal centerline of cavity, and the region close to the middle of the left wall and right wall changes from an endothermic zone to an exothermic zone. Furthermore, the temperature field and velocity field inside the cavity hardly change, but the degree of heat transfer on the wall decreases with the increase of Ah. The main results are shown in the figure attached below. This work provides helpful recommendations for designing the MEMS devices by using pulsed heating.
2025, 74(4): 045101.
doi: 10.7498/aps.74.20241550
Abstract:
Streamer discharge has been widely used in fields of sterilization, disinfection, ozone generation, etc. The secondary discharge process significantly affects the effective ozone production duration and efficiency. However, the mechanism of oxygen concentration affecting secondary discharge characteristics and the yield of target products is still unclear. To address this issue, a fluid-based analysis model of the secondary positive streamer discharge process between needle-plate electrodes under varying oxygen concentrations is developed in this work. This model considers the radial electric field and resolves potential non-physical branching issues that may arise in discharge simulations at high oxygen concentrations. In this work, the effect of oxygen concentration on the optical emission characteristics of secondary positive streamers is examined. The optical emission intensity, cathode charge transfer, and the yields of excited-state oxygen atoms (O(3P)) under different oxygen concentrations are investigated and compared with experimental data. The results show that when the oxygen concentration increases from 20% to 90%, the light emission intensity of the secondary discharge decreases by about 0.2%. At the same time, the average electron density in the discharge channel decreases by 90%, the change of electric field intensity is less than 10%, and the duration of single discharge duration is shortened by 77%. Under these conditions, the proportion of O(3P) yield originating from the primary discharge increases from 20% to 38%, and the unit energy yield of excited-state oxygen atoms O(3P) rises by 64%. Although the reduction in discharge duration results in a 50% decrease in absolute O(3P) yield, the increase in unit energy yield far compensates for the decrease in single-discharge yield. The single-discharge yield decreases with oxygen concentration increasing due to the enhanced two- and three-body adsorption effects of oxygen molecules, which reduce the electron density. Additionally, the increased collision probability between electrons and oxygen molecules further affects these characteristic changes.
Streamer discharge has been widely used in fields of sterilization, disinfection, ozone generation, etc. The secondary discharge process significantly affects the effective ozone production duration and efficiency. However, the mechanism of oxygen concentration affecting secondary discharge characteristics and the yield of target products is still unclear. To address this issue, a fluid-based analysis model of the secondary positive streamer discharge process between needle-plate electrodes under varying oxygen concentrations is developed in this work. This model considers the radial electric field and resolves potential non-physical branching issues that may arise in discharge simulations at high oxygen concentrations. In this work, the effect of oxygen concentration on the optical emission characteristics of secondary positive streamers is examined. The optical emission intensity, cathode charge transfer, and the yields of excited-state oxygen atoms (O(3P)) under different oxygen concentrations are investigated and compared with experimental data. The results show that when the oxygen concentration increases from 20% to 90%, the light emission intensity of the secondary discharge decreases by about 0.2%. At the same time, the average electron density in the discharge channel decreases by 90%, the change of electric field intensity is less than 10%, and the duration of single discharge duration is shortened by 77%. Under these conditions, the proportion of O(3P) yield originating from the primary discharge increases from 20% to 38%, and the unit energy yield of excited-state oxygen atoms O(3P) rises by 64%. Although the reduction in discharge duration results in a 50% decrease in absolute O(3P) yield, the increase in unit energy yield far compensates for the decrease in single-discharge yield. The single-discharge yield decreases with oxygen concentration increasing due to the enhanced two- and three-body adsorption effects of oxygen molecules, which reduce the electron density. Additionally, the increased collision probability between electrons and oxygen molecules further affects these characteristic changes.
2025, 74(4): 045201.
doi: 10.7498/aps.74.20241364
Abstract:
The effect of sawteeth on plasma performance and transport in the plasma of tokamak is an important problem in the fusion field. Sawtooth oscillations can trigger off heat and turbulence pulses that propagate into the edge plasma, and thus enhancing the edge shear flow and inducing a transition from low confinement mode to high confinement mode. The influences of turbulence spreading and symmetry breaking on edge shear flow with sawtooth crashes are observed in the J-TEXT tokamak. The edge plasma turbulence and shear flow are measured using a fast reciprocating electrostatic probe array. The experimental data are analyzed using some methods such as conditional average and probability distribution function. After sawtooth crashes, the heat and turbulence pulses in the core propagate to the edge, with the turbulence pulse being faster than the heat pulse. The attached figures (a)–(e) show the core electron temperature, and the edge electron temperature, turbulence intensity, turbulence drive and spreading rates, Reynolds stress and its gradient, and shearing rates, respectively. After sawtooth crashes, the edge electron temperature increases and the edge turbulence is enhanced, with turbulence preceding temperature. The enhanced edge turbulence is mainly composed of two parts: the turbulence driven by local gradient and the turbulence spreading from core to edge. The development of the estimated turbulence spreading rate is prior to that of the turbulence driving rate. The increase in the turbulence intensity can cause the turbulent Reynold stress and its gradient to increase, thereby enhancing shear flows and radial electric fields. Turbulence spreading leads the edge Reynolds stresses to develop and the shear flow to be faster than edge electron temperature. The Reynolds stress arises from the symmetry breaking of the turbulence wave number spectrum. After sawtooth collapses, the joint probability density function of radial wave number and poloidal wave number of turbulence intensity becomes highly skewed and anisotropic, exhibiting strong asymmetry, which can be seen in attached figures (f) and (g). The development of turbulence spreading flux at the edge is also prior to the particle flux driven by turbulence, indicating that turbulent energy transport is not simply accompanied by turbulent particle transport. These results show that the turbulence spreading and symmetry breaking can enhance turbulent Reynolds stress, thereby driving shear flows, after sawtooth has crashed.
The effect of sawteeth on plasma performance and transport in the plasma of tokamak is an important problem in the fusion field. Sawtooth oscillations can trigger off heat and turbulence pulses that propagate into the edge plasma, and thus enhancing the edge shear flow and inducing a transition from low confinement mode to high confinement mode. The influences of turbulence spreading and symmetry breaking on edge shear flow with sawtooth crashes are observed in the J-TEXT tokamak. The edge plasma turbulence and shear flow are measured using a fast reciprocating electrostatic probe array. The experimental data are analyzed using some methods such as conditional average and probability distribution function. After sawtooth crashes, the heat and turbulence pulses in the core propagate to the edge, with the turbulence pulse being faster than the heat pulse. The attached figures (a)–(e) show the core electron temperature, and the edge electron temperature, turbulence intensity, turbulence drive and spreading rates, Reynolds stress and its gradient, and shearing rates, respectively. After sawtooth crashes, the edge electron temperature increases and the edge turbulence is enhanced, with turbulence preceding temperature. The enhanced edge turbulence is mainly composed of two parts: the turbulence driven by local gradient and the turbulence spreading from core to edge. The development of the estimated turbulence spreading rate is prior to that of the turbulence driving rate. The increase in the turbulence intensity can cause the turbulent Reynold stress and its gradient to increase, thereby enhancing shear flows and radial electric fields. Turbulence spreading leads the edge Reynolds stresses to develop and the shear flow to be faster than edge electron temperature. The Reynolds stress arises from the symmetry breaking of the turbulence wave number spectrum. After sawtooth collapses, the joint probability density function of radial wave number and poloidal wave number of turbulence intensity becomes highly skewed and anisotropic, exhibiting strong asymmetry, which can be seen in attached figures (f) and (g). The development of turbulence spreading flux at the edge is also prior to the particle flux driven by turbulence, indicating that turbulent energy transport is not simply accompanied by turbulent particle transport. These results show that the turbulence spreading and symmetry breaking can enhance turbulent Reynolds stress, thereby driving shear flows, after sawtooth has crashed.
2025, 74(4): 047101.
doi: 10.7498/aps.74.20241485
Abstract:
Ni2-based Heusler alloys have received increasing attention due to their shape memory effects and the relevant application properties. It is interesting to explore new Ni2-based shape memory alloys with novel properties. In this work, the site preference, electronic structure, elastic parameters and martensitic transformation of new Ni2Cu-based Heusler alloys Ni2CuZ (Z = Al, Ga, In, Si, Ge, Sn and Sb) are investigated theoretically. Between the two highly-ordered structures of Heusler alloys, Ni2CuZ alloy tends to crystallize in the L21 structure with Cu atom entering the B site in the cubic lattice. In contrast, the XA structure is higher in energy and lower in stability. This is different from the usual rule that transition metal atoms with more valence electrons tend to occupy the A, C sites at first and can be related to the strong covalent hybridization between Ni and main group elements Z in L21 type Ni2CuZ. Ni2CuZ martensites are all lower in energy than the corresponding austenites, which makes them candidates for shape memory alloys. This can be explained by the Jahn-Teller effect characterized by the reduced states near EF in the DOS structure and the mechanical instability of the cubic austenite lattice. The martensite-austenite energy difference ΔEM is strongly influenced by main group elements Z. When Z are in the same group, the ΔEM increases with their atomic number increasing, but when Z are in the same period, an opposite trend is observed. The ΔEM can be regarded as a driving force for the martensitic transformation: a larger ΔEM corresponds to a higher martensitic transformation TM. In Heusler alloys, electron concentration e/a and electron density n are usually used to discuss the variation of TM. An increase of e/a or n tends to increase TM. However, this is in discrepancy with the results in Ni2CuZ, which can be explained by using, the new factors, the negative shear modulus \begin{document}$ C' $\end{document} and softening of the elastic constant C44 and their variations with Z elements. These results reveal the close relation between the martensitic transformation and mechanical parameters and indicate that they are important factors to predict new shape memory alloys and analyse their properties in Heusler alloys. It is also found that the Young’s modulus and shear modulus increase and Poisson’s ratio decreases after the martensitic transformation. Thus, the Ni2CuZ martensite has higher stiffness and rigidity but lower ductility than the austenite.
2025, 74(4): 047301.
doi: 10.7498/aps.74.20241031
Abstract:
Graphene, a two-dimensional material characterized by its honeycomb lattice structure, has demonstrated significant potential applications in electronic devices. The topological Anderson insulator (TAI) represents a novel phenomenon where a system transforms into a topological phase induced by disorder. In past studies, TAI is widely found in theoretical models such as the BHZ model and the Kane-Mele model. A common feature is that these models can open topological non-trivial gaps by changing their topological mass terms, but the rise of TAI is independent of the topological status of gaps. In order to investigate whether there is any difference in the disorder-induced phase between topologically trivial and topologically non-trivial cases of the Haldane model in the clean limit, the Haldane model in an infinitely long quasi-one-dimensional ZigZag-edged graphene ribbon is considered in this work. The Hamiltonian and band structure of it are analyzed, and the non-equilibrium Green's function theory is used to calculate the transport properties of ribbons under topologically trivial and non-trivial states versus disorder. The conductance, current density, transport coefficient and localisation length are calculated as parameters characterising the transmission properties. It is found from the analysis of the band structure that the system in either topological trivial or topological non-trivial state has edge states. When the Fermi energy lies in the conduction band, the conductance of the system decreases rapidly under weak disorder intensity and strong disorder intensity, regardless of whether the system is topologically non-trivial or not. At moderate disorder intensities, the conductance of topologically non-trivial systems keeps stable with a value of 1, indicating the appearance of the topological Anderson insulator phase in the system. Meanwhile, for topological trivial systems, the decrease of conductance noticeably slows down. The calculations of local current density show that both systems exhibit robust edge states, with topologically protected edge states showing greater robustness. The analysis of the transmission coefficients of edge state and bulk state indicates that the coexistence of bulk states and robust edge states is the basis for the phenomena observed in the Haldane model. Under weak disorder, bulk states are localized, and the transmission coefficient of edge states decreases due to scattering into the bulk states. Under strong disorder, edge states are localized, resulting in zero conductance. However, at moderate disorder strength, bulk states are annihilated while robust edge states persist, thereby reducing scattering from edge states to bulk states. This enhances the transport stability of the system. The fluctuation of conduction and localisation length reveal that the metal-TAI-normal insulator transition occurs in the Haldane model with topological non-trivial gap and if the system is of cylinder shape, there will be no edge states, the TAI will not occur. For the topological trivial gap case, only metal-normal insulator transition can be clearly identified. Therefore, topologically protected edge states are so robust that they generate a conductance plateau and it is demonstrated that the topologically trivial edge states are robust to a certain extent and can resist this level of disorder. The robustness of edge states is a crucial factor for the occurrence of the TAI phenomenon in the Haldane model.
Graphene, a two-dimensional material characterized by its honeycomb lattice structure, has demonstrated significant potential applications in electronic devices. The topological Anderson insulator (TAI) represents a novel phenomenon where a system transforms into a topological phase induced by disorder. In past studies, TAI is widely found in theoretical models such as the BHZ model and the Kane-Mele model. A common feature is that these models can open topological non-trivial gaps by changing their topological mass terms, but the rise of TAI is independent of the topological status of gaps. In order to investigate whether there is any difference in the disorder-induced phase between topologically trivial and topologically non-trivial cases of the Haldane model in the clean limit, the Haldane model in an infinitely long quasi-one-dimensional ZigZag-edged graphene ribbon is considered in this work. The Hamiltonian and band structure of it are analyzed, and the non-equilibrium Green's function theory is used to calculate the transport properties of ribbons under topologically trivial and non-trivial states versus disorder. The conductance, current density, transport coefficient and localisation length are calculated as parameters characterising the transmission properties. It is found from the analysis of the band structure that the system in either topological trivial or topological non-trivial state has edge states. When the Fermi energy lies in the conduction band, the conductance of the system decreases rapidly under weak disorder intensity and strong disorder intensity, regardless of whether the system is topologically non-trivial or not. At moderate disorder intensities, the conductance of topologically non-trivial systems keeps stable with a value of 1, indicating the appearance of the topological Anderson insulator phase in the system. Meanwhile, for topological trivial systems, the decrease of conductance noticeably slows down. The calculations of local current density show that both systems exhibit robust edge states, with topologically protected edge states showing greater robustness. The analysis of the transmission coefficients of edge state and bulk state indicates that the coexistence of bulk states and robust edge states is the basis for the phenomena observed in the Haldane model. Under weak disorder, bulk states are localized, and the transmission coefficient of edge states decreases due to scattering into the bulk states. Under strong disorder, edge states are localized, resulting in zero conductance. However, at moderate disorder strength, bulk states are annihilated while robust edge states persist, thereby reducing scattering from edge states to bulk states. This enhances the transport stability of the system. The fluctuation of conduction and localisation length reveal that the metal-TAI-normal insulator transition occurs in the Haldane model with topological non-trivial gap and if the system is of cylinder shape, there will be no edge states, the TAI will not occur. For the topological trivial gap case, only metal-normal insulator transition can be clearly identified. Therefore, topologically protected edge states are so robust that they generate a conductance plateau and it is demonstrated that the topologically trivial edge states are robust to a certain extent and can resist this level of disorder. The robustness of edge states is a crucial factor for the occurrence of the TAI phenomenon in the Haldane model.








